|
Modell-Bahn Module Gestaltung Halbmodul Kiesgrube |
|
|---|
Entsprechend dem Modulkonzept wurde die Frontseite des Moduls auf 312mm erweitert. Grundkonzept ist jedoch das Viertelmodul, d.h. es soll nur ein durchgehendes Gleis geben, das Gleis hat zum Rand einen Abstand von 78mm. Es gibt deshalb auch nur eine Öffnung für die Verbindungsleitungen und nur zu beiden Seiten der Öffnung die Verbindungselemente. Auf der zweiten Hälfte der Frontplatte sollte aber zumindest das rechte Loch für die Verbindung gebohrt werden, denn damit kann hier ein anderes Viertelmodul enden (ginge sonst nicht).

Modulverbindung
Modul-Konzept
Von dem durchgehenden Hauptgleis auf dem Modul soll ein Werkanschluss für eine Kiesgrube abzweigen.
Am durchgehenden Gleis soll ein Haltepunkt installiert werden. Der Haltepunkt erhält ein
Wartehaus
mit integriertem kleinen Betriebsraum. Von diesem Betriebsraum wird die Weiche im Durchgangsgleis
und Signale gesteuert.
Am Werkanschluss wird mittels mobilen Baggers das Umladen von Kies aus einem Vorratsbehälter
sowohl in Bahnwogons als auch in LKWs vorgenommen. Der Vorratsbehälter selbst wird mittels
Lorenbahn aus der Kiesgrube gefüllt.
Der Werkanschluss beinhaltet eine weitere handbedienbare Weiche. Das kurze Gleis reicht um einen
Wagon und eine Kleinlok Kö abzustellen. Kurzfristig kann hier auch ein Triebwagen halten, es
ist ein kleiner Bahnsteig vorhanden.
In einem kleinen Verwaltungsgebäude (ein geschenktes Gebäude aus einem Plastik-Bausatz)
wird die Koordinierung der Arbeiten im Werk vorgenommen.

Vor dem Zusammenleimen der Sperrholzteile zum Modul werden die Deckplatte und die Frontplatten bearbeitet. In die Frontplatten müssen die Durchführungen für die Elektroleitungen und die Modulverbindungen eingearbeitet werden, in die Deckplatte die Vertiefung der Kiesgrube.
Nach genauer Bestimmung der Lage der Gleise einschließlich des Bahndamms wird der äußere Rand der Grube aufgezeichnet. Die weitere Bearbeitung hängt von der Gestaltung der Grube ab, senkrecht können die Wände nicht abfallen, es gibt immer Gefälle oder man steift die Wände mit entsprechenden Elementen ab. Letzteres soll an der zum Gleis gewandten Seite passieren. Hier sollen Doppel-T-Profile eingebracht werden, die dann mit Holzbohlen (Streichhölzer) aufgefüllt werden. Die anderen Seiten haben Gefälle. Zu beachten ist dabei auch der Verlauf der Lorenbahn. Nun können die weiteren Ebenen der Grube angezeichnet werden, es sollen nur zwei Ebenen entstehen. Mit einer Stichsäge werden die Ebenen von innen beginnend ausgesägt.

Ebenen der Kiesgrube

Seite die abgestützt werden soll;
die Rampe für die Lorenbahn ist teilweise fertig;
rechts ist der Vorratsbehäter sichtbar

Anbringung der Profilbretter
Gleisarbeiten auf dem Modul
Alle Gleise sollen wieder eine Korkunterlage erhalten (die Korkunterlage wurde aus Korkfliesen
aus dem Baumarkt selbst hergestellt - geht recht einfach).
Das Gleis am Verladebereich soll nahezu völlig
im verschütteten Kies "untergehen".
Zunächst einmal muss man die Lage der Gleise festlegen. Problem dabei stellen die Weichen des
Piko-A-Gleises dar, sie sind auf Grund des geringen Winkels sehr lang (239mm). Da noch einiges Material vom
alten Piko-Gleis vorhanden war, wurde hier ein Kompromiss eingegangen:
Der Vorteil dieser Variante ist, dass die Weiche des alten Gleises wesentlich kürzer ist
und damit die Werkgleise länger werden. Die engeren Bögen in diesem Bereich sind akzeptabel,
da ohnehin hier nur zweiachsige kurze Wagen verkehren. Die kleine Werklok Kö schafft
diese Bögen ohnehin.
Probleme mit der Anpassung der alten und neuen Schienen gibt es eigentlich nicht, es sei denn,
man macht wie ich einen Gedankenfehler. Die Schienen des alten Systems sollen etwa 1mm höher
als die neuen sein. Also habe ich das Korkbett an der Verbindungsstelle angepaßt.
Das war aber falsch, denn die Schienen vom alten System sind flacher als beim neuen, d.h.
insgesamt sind beide Schienen nahezu gleich hoch - also mußte der mm wieder aufgefüllt werden.
Elektrisch werden folgende Unterbrechungen der Gleise vorgesehen. Es gibt zwar die Aussage, dass jede Unterbrechung schlecht ist - aber auch, dass nachträgliche Unterbrechungen kaum noch einbaubar sind, hat mich denn doch entscheiden lassen, diese Unterbrechungen einzubauen:
Mit dieser Aufbauvariante ist somit ein brauchbarer Fahrbetrieb möglich. Schaltet man den vorhergehenden Modul (rechts) elektrisch mit diesem zusammen, kann man ganz gut rangieren. Man braucht dann aber auch eine eigene Fahrstromversorgung.
Tiefbauarbeiten auf dem Modul
Nach dem die Grundarbeiten beendet sind, kann nun der Ausbau des Moduls beginnen.
Als erstes werden die Spuntwände in der Kiesgrube gebaut. Der Aufbau erfolgte in Anlehnung an die
reale Bearbeitung:
Im Bastelladen wurde ein etwa 3 x 3mm Plastik-Doppel-T-Profil (etwa 1m lang) gekauft. Die entsprechenden
Stücke (kann man ohne Probleme mit einem kleinen Seitenschneider zerlegen) wurden nun nicht in Bohrlöchern
versenkt, sondern mit Plastik-(Sekunden)-Kleber an der entsprechenden Stelle aufgeleimt. Dass das unten eventuell
nicht so gut aussieht, ist kein Problem, da hier ohnehin jede Menge Kies liegen wird. Die Profil-Stückchen
können durchaus unterschiedlich lang sein, auch in der Wirklichkeit kann man Profile nicht immer auf die
gewünschte Länge in den Boden rammen.
Wie beim Vorbild werden nun im nächsten Schritt Bohlen von oben in die T-Profile eingeschoben. Bohlen sind
bei mir Streichhölzer, die an den Enden ein wenig verjüngt werden. Als Ergebnis sieht es dann aber sehr
natürlich aus.

Spuntwände werden gebaut

fertig - nun kann die Landschaft angepaßt werden!
Als erstes wird nun Papier von den Böschungen des Bahndamms zum Untergrund geklebt. Damit werden die
Übergänge hier etwas gerundet. Gleichfalls werden die zwangsläufig entstehenden Spalten zu den
Spundwänden verschlossen.
Parallel dazu wurde bereits begonnen (die Klebungen müssen erst trocknen),
die Landschaft der Kiesgrube zu gestalten. Da es keine große Höhenunterschiede zu
überwinden gibt, wurde wieder die Knüllpapiermethode verwendet.

Bisher wurden nur die Papierknöllchen aufgeklebt, die Oberfläche fehlt noch
|
Die Schienen sind nun verlegt - sie sind schön rostig.
Man muss hinterher sehr sorgfältig die Schienen wieder reinigen, es
gibt sonst sehr viel Kontaktprobleme. Die Landschaft in der Kiesgrube wurde auch schon weiter gebaut: die Doppel-T-Träger sind auch rostig und auf dem Knüllpapier ist die Oberfläche entstanden. |

Die Öberfläche ist nun so weit gestaltet, so dass die endgültige Gestaltung
erfolgen kann. Dazu wurde die Oberfläche grob mit Farbe behandelt, das
Besanden, Begrasen und Schottern läßt dann keine sichtbaren Lücken entstehen.
Im rechten Bild sind auch die Vorbereitungen zum "Vollschütten" der Gleise
mit Kies zu sehen. Proben ergaben, dass der freie Raum für die Radkränze
sehr groß sein muss, da die Räder im Gleisbogen immer schief stehen. Als Basis wurde
ein entsprechend angepasstes Stück Pappe eingeklebt, welches später dann mit Kies
beschüttet wird. Der Raum für die Spurkränze der Räder bleiben so frei, was vorbeigeschüttet
wird kann dann ja einfach wieder abgeschüttelt werden.
Die Lorenschienen liegen wirr zur Probe rum.
Der Vorratsbehälter braucht auch noch eine Füllung.
Der LKW ist ein Selbstbauprodukt (siehe
Auto-Umbauten),
er soll den Abraum zur anderen Seite der Kiesgrube schaffen.
in der Zwischenzeit ist nun alles besandet und geschottert. Im Bereich der beweglichen
Teile der Weichen wurde nur vorsichtig geschottert (unverdünnter Weißleim und wenig Schotter).
Und doch hatte sich ein Krümel unter die Schwelle zum Weichenantrieb verkrümelt und hinderte
enorm (mit Schütteln des Moduls kam die Rettung)
Weiterhin wurden bereits Sägespäne zur Realisierung von Gras gestreut, zuvor jedoch
schon die Position der Bäume bestimmt und die Stubben aufgeklebt
Hier nun ein paar Bilder vom diesem Stand:
![]() |
Das sieht nun schon ganz schön gut aus! (finde ich)
Die hellen Flecken sind die Sägespäne, die dann auch noch grün gepinselt werden.
So sieht der Lokführer wohl die Einfahrt! (noch fehlt das Grün) |
Die beiden nächsten Bilder zeigen Details, Stubben im "Gras", Seilspannwerke, Gleisübergang usw.
Und nun ist auch schon Gras vorhanden; die Bäume sind nur mal so eingesteckt. Der Haltepunkt mit dem Werkgleis ist nun soweit fertig
Nun ist schon mal Betrieb auf dem Modul.
![]() Die "Kö" wartet bereits auf den Nahgüterzug um den beladenen Kieswagen anzuhängen - noch kann man aber mit anderen Leuten schwatzen. Auf dem Durchgangsgleis ist gerade der Triebwagen eingetroffen. |
![]() Das Ganze von der anderen Seite Der Bagger hat Pause, da der Wagen voll ist. Im Vordergrund befindet sich der Vorratsbehälter für Kies. Die Schienen der Lorenbahn wurden auf dem Rand und einem Stahlträger verlegt, so kann alles gut durchfallen - ob das so dem Arbeitsschutz entspricht? |
![]() |
Auch der
Selbstbau-Barkas)
hat etwas Kies bekommen, da wird wohl gerade was saniert! |
Das Ganze noch einmal von oben und von der Einfahrt. Neben den
Schienen links ist der Schäfer mit seinen Schafen in Aktion,
rechts befindet sich die Kiesgrube - was der Mann da wohl macht?
In der Kiesgrube werden die Bösewichte zu sinnvoller, nutzbringender Arbeit
eingesetzt, da müssen halt zwei Bewacher sein.
|
Den Bagger (siehe
Umbau Bagger)
hat die Firma nur mal für einen Tag geborgt, er schafft den Abraum weg, ein LKW transportiert ihn ein paar Meter und läd ihn dort wieder ab.
Die Lorenbahn
transportiert den Kies nach oben zum |
|
Neu hinzugekommen zum bisher beschriebenen Aufbau sind Lampen zur Beleuchtung des Bahnsteiges, des Verladeplatzes und der Anzeigetafel. Die Lampen wurden entsprechend der Beschreibung gestaltet.
Dämmerung - alle Lampen sind schon an
Weichenantrieb
Baut man den Weichenantrieb unter die Platte, fehlt natürlich
oben der Antrieb der Weichenlaterne. Das kann man mit wenigen Mitteln
selbst gestalten. Ein Stück Büroklammer wird so gebogen, dass
in der Mitte eine Öse senkrecht zur Achse entsteht.
Da die Weiche nicht verändert werden sollte, wurde lediglich
zwischen den zwei für den offiziellen Antrieb vorgesehenen Nocken
ein 1mm Loch gebohrt. Ein weiteres Stück entsprechend gebogene
Büroklammer dient als Verbindung zwischen der Stellschwelle und
der Weichenlaterne. Darüber kommt ein Kasten mit einem entsprechenden
Ausschnitt und auf die herausragende Achse die Weichenlaterne.
Die Weichenlaterne
selbst wurde mit VISIO gezeichnet, gefaltet, geklebt
und durch ein kleines Holzklötzchen innen verstärkt.
Ein Loch in der Bodenplatte und im Kasten sorgen für die Führung
der Laternenachse. Man muss natürlich beachten, das die Funktion
der Weiche nicht durch diese Konstruktion eingeschrenkt wird,
was also durch eine zu kleine Öse durchaus passieren kann!
Elektrische Steuerung |
|
Auf dem Modul gibt es nun eine elektrisch bedienbare Weiche, abschaltbare Gleise und
Licht in Häusern. Weiterhin sollen noch weitere Lampen zur Beleuchtung
des Bahnsteiges und des Kiesverladeplatzes installiert werden.
Die Anordnung gestattet einen eigenen kleinen Bahnbetrieb auf dem Modul, allerdings
nicht ganz, denn über die erste Weiche kommt man beim Rangieren nicht hinaus.
Es bedarf also immer eines weiteren Moduls. Dieses Modul muss mit der gleichen
Fahrspannung wie das Kies-Modul versorgt werden.
Weiterhin soll natürlich auch eine Steuerung der Module vom externen zentralen
Bedienpult möglich sein, alles muss umschaltbar sein. Dann ist es aber auch notwendig,
die Gleise und die Weiche von der Ferne aus schalten zu können, d.h. es werden
mehrere Schaltstellen gebraucht.
Als Basis für die nun zu treffenden Festlegungen, sollte die Anordnung vom Prinzip dargestellt werden:
Es werden nun also 14 Leitungen auf der D-Sub25-Modul-Buchse gebraucht, da muss man schon gut zuordnen:
|
|
|
Zuordnung aus Sicht der SUB25-Buchse
Damit sind nahezu alle Leitungen auf dem D-Sub25-System belegt.
Sollte ein weiteres IC für weitere Adressen gebraucht werden, müssen diese
über eine weitere Buchse oder ein Kabel auf die Schaltelemente-Platine
geführt werden.
Das Modul erhält die Fahrspannung über den Systembus über Leitungen 1,2 und 3,4,
diese wird zunächst
auf den Polumschalter geführt und dann zur Schaltelemente-Platine.
Von der Schaltelementeplatine wird die Fahrspannung auf die Gleise des Moduls und
über die Stifte 17,18 der Modulbuchse an die freien Leitungen 17,18 vom Bus
gelegt. Nach rechts muss die Verbindung zum nächsten Modul gesteckt werden.
Eine Auswahl der Spannung zentral oder vom Modul gibt
es nicht, da das Modul nicht von einem anderen Modul gesteuert werden soll.
Damit ergibt sich folgende prinzipielle Schaltung für die zentrale Leiterplatte:
Verändert wurde zur bisherigen Beschreibung die Versorgungsleitung für 12V, es fließt nun doch über diese Leitung ein größerer Strom. Der Leitungsquerschnitt wurde durch Zuschalten der Leitungen 5,6 vergrößert, deshalb die Leitungs-Brücken.
Und so sieht die zentrale Leiterplatte real aus (es fehlt noch das Buskabel):
Auf der Platine müssen nun aber viele Leitungen, insbesondere die Adressenleitungen, gezogen werden (die gelben sind die Adressen 16 bis 25; die roten die Adressen 1, 5, 6 und 7). Über die blaue Leitung wird der rechte De-Multiplexer vom ersten De-Multiplexer angewählt, sofern die oberen 4 Bits der Adresse die Werte 0001 haben. Die Leitungen können nicht als Leiterzug festgelegt werden, da die Zuordnung Adresse - Modulbuchse immer mal variieren kann.
Beim praktischen Test der gesamten Schaltung erwies sich die Realisierung des "reset"
von der zentralen Leiterplatte (Adr.1 / Leitung 9) als nicht ausreichend.
Die Belastung des Ausgangs des Demultiplexers erwies sich durch die folgenden 8 Flip-Flop / Latch
als zu groß, so dass die Steuerspannung unter 5V zusammen brach und keine Schalthandlung
mehr ausgelöst wurde. Hinzu kommt, dass zwei folgende notwendige ODER-Dioden nochmals
einen Spannungsabfall von 1,2V bewirken.
Als Lösung des Problems wird das Signal der Adr.1 mittels Relais entkoppelt, welches nun
direkt 12V auf alle Schaltelemente legt.
Wird nur ein Schaltelement angesteuert (alle anderen Fälle), reicht die Spannung zum Schalten.
Als nächster Schritt kann nun die Schaltelemente-Platine entworfen werden.
Fest liegt bereits die Anzahl der Schaltelemente:
Der nächste Schritt ist, die Schaltelemente zu definieren und zu konstruieren
Lichtschaltung
Dieser Teil wird bereits im
Viertelmodul - Bahnübergang
verwendet. Ein JK-Flip-Flop
wird als "torgl"-Element geschaltet (J- und K-Eingang auf 1 gelegt).
Geschaltet wird mit einem Signal bei ansteigender Takt-Flanke
(Schalter einschalten).
Als reales Bauelement wird der IC 4027, ein JK-FF, genutzt.
Eine Erweiterung
besteht im nachgeschalteten Verstärker, damit können dann mehrere weiße LED's
parallel angesteuert werden.
| (die Schaltung funktioniert unsicher, es wird deshalb insbesondere für L1 und L2 eine andere Lösung geben) |
Weichensteuerung/Umschalter/Abschaltung
Bei diesem Schaltelement soll ein definierter Zustand eingestellt werden, der
in der Folge gespeichert wird. Geschaltet wird mit zwei Signalen, die jeweils genau
einen der möglichen Zustände bewirken.
Diese Art von Schaltelemente hat die Bezeichnung RS-Latch.
Realisieren läßt sich so ein Schaltelement aus negierenden Grundbausteinen,
beispielsweise aus NAND's, beispielsweise mit einem IC 4011, auf dem bereits
die 4 NAND's vorhanden sind (diese Schaltung wurde bereits in der grundlegenden
Beschreibung der Schaltelemente
vorgestellt):
|
Da mit dem Aufbau dieses Latch doch etwas Aufwand verbunden ist, wurde nach einer
anderen Lösung gesucht. Da das JK-FF des IC's 4027 auch über R und S Eingänge verfügt, sollte es doch möglich sein, diesen IC auch als RS-Latch zu "dekradieren" - und es geht mit folgender Beschaltung: |
|
Die Eingänge J,K und Takt (C) werden auf Null gelegt. Damit an R und S immer ein
definierter Zustand besteht (auch bei offenem Schalter vor den Dioden), werden
diese Eingänge über "Pull-Down"-Widerstände ebenfalls auf Null gelegt.
In den Zustand
Die Dioden links dienen als "ODER"-Schaltung, denn wenn z.B. der Eingang 1 auf 1 liegt und 3 auf 0, kann von 1 nach 3 auf Grund der Polarität von Diode an 3 kein Strom fließen, es gibt keinen Kurzschluss wie ohne Dioden. An S wird in diesem Fall eine 1 bereitgestellt. Sicher wird das Innere des IC's nur noch teilweise genutzt, aber die äußere Beschaltung wird einfacher. |
Das Relais im Anschluss sorgt für eine Potentialtrennung, somit kann nun alles
geschaltet werden,
Technische Realisierung der Schaltelemente-Platine
Der Aufbau der Schaltung erfolgte auf einer Universalleiterplatte. Der Stand zeigt die
Realisierung der Schaltelemente, alle Verbindungen nach außen fehlen noch.
Anzeige/Bedienung vom Modul
Da die Anzeige der Zustände und die Bedienung zwar getrennt erfolgen, die
Schalter haben keine Lampen und es gibt auch kein Gleisbildstellwerk, aber räumlich
in einem Block angeordnet sind, können beide über eine(n) Buchse/Stecker geführt
werden. Allerdings sind das nun 31 Leitungen, da reicht nicht der D-Sub25 Stecker.
Welches Steckersystem schließlich benutzt wird, ist eigentlich beliebig, es soll
ja nicht austauschbar sein, allerdings könnte das Testen etwas schwierig werden.
|
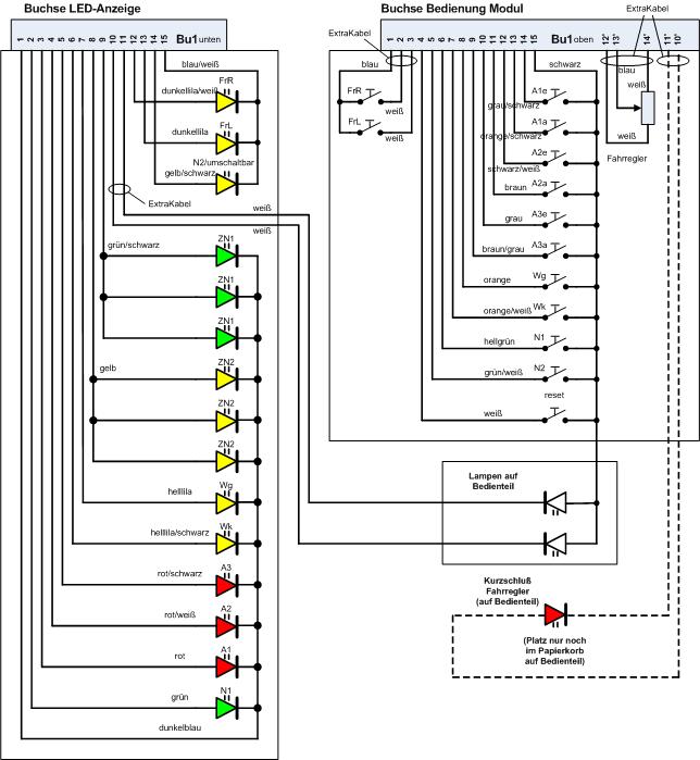
Anzeige Für die Anzeige wird eine modellhafte Anzeigetafel installiert. Die Darstellung ist etwa im Maßstab 1:1. Die farbigen Punkte sind LED's, sie zeigen den Zustand an. Die roten LED's leuchten, wenn das Gleis abgeschaltet ist, die grünen signalisieren den Nutzer N1 (zentral), leuchten die gelben neben den grünen, dann ist Nutzer N2 (auf dem Modul) aktiv. Die gelben LED's zeigen weiterhin die Stellung der Weiche an (unten Mitte - gerade), die eingestellte Fahrtrichtung (FrL/FrR) wird signalisiert und N2 leuchtet nur, wenn eine Umschaltung der Fahrtrichtung möglich ist. N1 und N2 sind nicht untereinander verriegelt. |
|
Anzeige Zu beachten ist lediglich, dass 3 LED's mit der Masse vom Fahrregler versorgt werden, alle anderen mit der von der zentralen Versorgung. Die Bezeichnung an den LED's auf der Tafel entfallen beim Modell. |
Bedienung Die Bedienung vom Modul erfolgt durch Taster, die eine 1 (Leitung 17) auf R oder S eines Latch der Schaltelemente Platine legen. Ausnahmen sind die Taster FrL und FrR, wie auch das Potentiometer, diese werden vom Fahrregler versorgt. |
Realer Aufbau der Bedienung
Es gibt viele Möglichkeiten eine Bedienung zu realisieren, wie beispielsweise
mit handelsüblichen Tasteranordnungen auf kleinen Pulten oder ein Gleisbildstellwerk.
Weitere Varianten sind denkbar.
Aber angeregt durch Vilem, der auf seiner
Anlage aus dem Überraschungsei
ein E-Werk zur Steuerung seiner Anlage konstruiert hat, wollte ich ebenfalls
etwas verborgen eine Steuerung für dieses Modul aufbauen.
Was fällt einem da so Alles ein - nun, das Folgende ist es schließlich geworden:
"Ein Rastplatz neben der Bahn!"
Wie man damit bedienen kann, ist nicht gleich sichtbar. Sichtbar aber ist mal
schon die oben beschrieben Anzeige. Rechts und links gibt es nur Tische und Hocker
zum Sitzen, die aber haben es in sich - besser unter sich!
Schaut man mal unter dieses Teil, wird vieles klarer:
Unter vielen Hockern (8mm Dübel) befinden sich in der zweiten Ebene Mikrotaster,
die Hocker (Dübel) stehen auf den Tastern.
Das linke Bild zeigt die linke "Sitzgruppe".
Die Zuordnung der Taster ist einleuchtend:
Die rechte "Sitzgruppe" hat auch zwei Hocker (Lehnen-Hocker), die nicht zum Schalten
sind aber
hier hat auch noch der Tisch eine Funktion, er ist der Bedienknopf für den
Fahrregler und natürlich sind die unteren beiden Hocker für das Schalten der
Fahrtrichtung zuständig. Oben soll der Nutzer N1 oder N2 (links) ausgewählt werden.
Auch der Papierkorb an der Anzeige hat eine Funktion, hier soll ein Kurzschluss an
den Gleisen angezeigt werden.
Und so sieht es dann fast komplett aus:
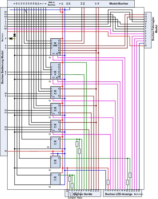
Im mittleren Teil befindet sich die zentrale Leiterplatte (etwa Mitte),
die aus den Bussignalen die Signale
für diesen Modul herausfiltert. Nach rechts gibt es das Buskabel zum nächsten Modul,
nach unten die herausgefilterten Signale zur Schaltelementeplatine.
Über der Leiterplatte sind die Steuerungs- und Anzeigeelemente angordnet. Versorgt
wird diese von der Schaltelementeplatine.
Im linken Teilbefindet sich die Schaltelementeplatine. Diese ist auf Grund der vielen
Verbindungen (oben von zentraler Platine; links Steuersignale zu den Schaltelementen
auf dem Modul; unten Aus- und Eingang von der Steuerung und Anzeige; rechts Anschluß
des internen Fahrreglers) mit unübersichtlich vielen Leitungen überzogen.
Hier noch eine Vergrößerung dieser Platine:
(die Platte ist hier um 90 Grad gedreht; man kann nur hoffen, dass hier kein Fehler auftritt; im nächsten Modul wird hier eine spezielle Leiterplatte genutzt, die alle möglichen festen Verbindungen als Leiterzug festlegt (siehe Kinderland1))
Im mittleren Teil soll noch der Fahrregler Platz finden
Rechts gibt es bis auf den Weichenantrieb keine weitere Elemente.
Interner Fahrregler
Als Fahrregler wurde der unter "
Schaltungen Fahrregler
" beschriebene Regler verwendet.
Unter
Regler Schaltung
werden in der eben genannten Regler-Schaltung die Anschlussstifte für die Stecker/
Buchse durch z.B.
gekennzeichnet.
Im Folgenden ist das Bild der Belegung der Buchse der Regler-Platiene
dargestellt:
Probleme und Lösungen
Es soll noch auf eine Änderung hingewiesen werden, der Weichenantrieb
wurde nicht wie bisher
gezeigt geschaltet. Es geht zwar mit den 12V vom Bus, bringt aber so viele Spitzen, dass die Flip-Flops
teilweise umschalten. Es wurde eine Extraspannung erzeugt. Das geht, da ja ohnehin für den Regler
eine Spannung gebraucht wird, also ein Trafo und da sollte dann auch 12V (oder so etwa)
noch vorhanden sein.
Hier die Schaltung:
|
Weitere Schaltungen zur Weichensteuerung findet man unter Weichensteuerung |
Reset-Schaltung
Es gibt mit dem Reset der vielen Schaltelemente Probleme. Die Lösung dazu findet man
unter
RESET.