|
Digitale Schaltungen - technische Realisierung |
|
NAND/NOR DTL - TTL - MOSFET - CMOS
Dieser Teil der digitalen Schaltungen soll eine Ergänzung zum Teil
"Kleiner Grundlagen-Kurs" sein. Am Beispiel des NAND-Elementes soll über
unterschiedliche Realisierungsvarianten der Weg bis zum Gatter im Schaltkreis
vorgestellt werden. Zugleich ist dies eine etwa geschichtliche Reihenfolge der
Realisierung.
Nebenbei gibt es in Ergänzung zum Teil "Kleiner Grundlagen-Kurs" weitere Versuche
und Aufgaben.
In der WWW-Seite " Kleiner Grundlagen-Kurs " wurde das digitale NAND-Element durch eine UND-Schaltung mit einem nachfolgenden Transistor-Negator realisiert:
|
Man baut eine Schaltung wie für ein AND-Element auf, jedoch liegt der Ausgang nicht
in Reihe mit der Schaltung. Ein Widerstand R wird in Reihe geschaltet und die
Ausgangsspannung zwischen R und den Tastern entnommen. Was passiert? Ist einer oder beide Taster offen, gibt es von + Betriebsspannund nach - keine Verbindung, es fließt durch R kein Strom, folglich ist der Spannungsabfall über R auch 0, am Ausgang y steht + Betriebsspannung zur Verfügung, also 1. |
|
Das ist theoretisch so richtig! Die Verhältnisse ändern sich, wenn ein Verbraucher zwischen y und - angeschlossen wird. In diesem Fall wird eine LED mit Vorwiderstand Rd angeschlossen. Nehmen wir einmal an, das die LED einen sehr kleinen Widerstand gegenüber Rd hat, dann können wir diesen vernachlässigen. An y stellt sich nun nach der Spannungsteiler-Regel eine Spannung proportional zu den Widerständen ein. Sind R und Rd gleich groß, z.B. 1KΩ, dann halbiert sich die Spannung an y, bei z.B. 10V stehen nur noch 5V zur Verfügung. Man muss also versuchen, die Betriebsspannung über den Verbraucher abfallen zu lassen. Das geht nur, wenn R den Wert 0Ω hat! Aber Achtung, werden nun beide Schalter geschlossen, gibt es einen Kurzschluss zwischen + und -! Daraus folgt, dass der Widerstand R sein muss, er sollte möglichst klein sein, aber je kleiner, um so größer ist auch der Stromverbrauch der Schaltung. Bei einem Widerstand R von 10Ω fließt bei 10V nach dem Ohmschen Gesetz
|
Wir sollten jedoch nicht vergessen, was unser Ziel war.
Oben das
animierte Gif
zeigt das Verhalten:
Wir wollen uns diese Schaltung merken, sie ist Basis für die technische Realisierung von NAND-Gattern. |
|
Aufgabe 1:

Baue die Schaltung auf!
Welche logische Funktion wird mit der Schaltung realisiert?
Schreibe die Wahrheitstabelle auf!
(erst einmal probieren, dann später
hier nachsehen)
Die gezeigte Schaltung zur Realisierung der NAND-Funktion funktioniert!
Sie hat nur ein Problem:
"es geht nur per Hand zu betätigen!"
Wir wollen sie jedoch so aufbauen, dass sie von einem elektrischen Signal gesteuert
werden kann, die Taster müssen weg.
|
Das wäre so eine Möglichkeit! Die Taster werden durch die Kontakte eines Relais ersetz. Die Relais werden über Verstärker angesteuert, somit kann man mit xi = 1 die Schalter schließen. Das Problem bei dieser Lösung ist, dass man wohl kaum solche Relais in einen integrierten Baustein mit nötiger Größe ("Kleine") einbringen kann. Wir brauchen andere Lösungen. |
Die Abkürzung steht für Diode Transistor Logic(engl.) -
Dioden-Transistor-Logik(germ.).
Diese Lösungsvariante ist wohl zugleich auch die erste und älteste Realisierung
eines logischen Bauelementes.
|
Die Dioden werden so über einen Widerstand mit der Betriebsspannung verbunden. Die Dioden realisieren die Schalter x1 und x2, in diesem Fall ist das aber eine Spannung die an die Dioden gelegt wird, + oder -Betriebsspannung. Diese kann natürlich wieder von Schaltern kommen, aber nun auch von vorgelagerten Schaltungen. Damit haben wir schon mal ein Ziel erreicht! |
|
|
Die Funktion dieser Schaltung kann man am besten an kleinen Bildern demonstrieren. Wird an eine Diode oder natürlich auch an beide 0 (-) gelegt, ist diese in Durchlassrichtung geschaltet. Das bedeutet, dass über den Widerstand R nun die gesammte Spannung abfallen muss. Man sagt auch, der Punkt y wird auf 0 gelegt. Also für:
|
|
Fehlt noch der vierte Fall: x1 = 1 und x2 = 1. Beide Dioden werden an +Betriebsspannung gelegt. Jetzt gibt es, da zwischen den Dioden und der Beriebsspannung keine Spannungsdifferenz existiert, keinen Spannungsabfall, am Ausgang y liegt somit auch Betriebsspannung, also 1. Nimmt man beide Beschreibungen zusammen, ist y nur dann 1 wenn auch beide Eingänge 1 sind, ansonsten Null - das aber ist genau die Definition für AND! |
|
Der Ordnung halber muss man aber auf ein Problem hinweisen. Die Diode hat zur Realisierung ihrer Funktion einen gewissen "Eigenbedarf". Dieser beträgt für Silizium-Dioden etwa 0,7V, somit entsteht, wenn die Diode auf 0 gelegt wird nicht exakt 0 am Ausgang, sondern eben 0,7V. |
|
Der Widerstand wird auf 0 gelegt und die Dioden erhalten eine andere Richtung. Mal sehen was passiert? |
|
|
Wird an eine Diode + (1) gelegt, fällt die gesamte Betriebsspannung über R ab. Die
zweite Diode liegt in Sperrichtung, so das kein Kurzschluss entsteht. Das Verhalten ändert sich auch nicht, wenn an beiden Dioden 1 gelegt wird. Also für:
|
|
Liegt an beiden Dioden 0, dann erscheint auch am Ausgang y = 0. Sofern x1 oder x2 oder beide Eingänge 1 sind, erscheint am Ausgang 1 - das aber ist genau die Definition für OR! |
Aufgabe 3:
Damit haben wir von der DTL-Schaltung an Beispielen den Teil D (Diode) kennen
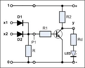
gelernt. Was fehlt ist der Teil T (Transistor).
Dazu wollen wir von der anfänglichen Nand-Schaltung mit Tastern, einen Taster
entfernen.
|
Das wird sicher irgendwie so wie die NAND-Schaltung funktionieren. Es ist aber nur ein Eingang vorhanden. Man sieht schon, dass bei offenem Taster 1 am Ausgang y erscheinen wird, im anderen Fall 0 - also haben wir es mit einem Negator zu tun! |
|
|
Diese Bilder untermauern diese Aussage. Ist der Schalter offen, steht an y entsprechend dem Widerstandsverhältnis von R2 zu Rd eine entsprechende positive Spannung zur Verfügung. Ist der Schalter hingegen geschlossen, fällt die gesamte Spannung über R2 ab, an y ist folgerichtig die Spannung 0. Der Schalter wurde so in einen Kreis gesteckt, es soll so etwa ein Relaiskontakt sein, aber nur so etwa! |
|
Aufgabe 4:
Werte:
Arbeitswiderstand: Rv = (Widerstand LED + Vorwiderstand Rvd) = 470Ω + 1KΩ = 1,470KΩ
Kollektorwiderstand: R2 = 1KΩ
Basiswiderstand: R1 = 1KΩ
Betriebsspannung: U = 10V
Messe die Spannung am Ausgang y!
(Taster offen: 5,94V; Taster geschlossen: 0,3V)
Berechne die Widerstände Ri1, Ri2!
(erst einmal probieren, dann später hier nachsehen)
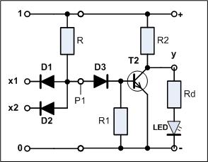
Nun soll beides zusammen geschaltet werden, dann müssen ja NANDs oder NORs entstehen.
Fangen wir zunächst mit OR an:
|
Es wurde ohne Änderung die Diodenanordnung für OR und der Transistor in der bisher
besprochenen Form zusammengeschaltet. Die Ausgangspannung y der Diodenanordnung steht am Punkt P1 zur Verfügung. |
|
|
An eine Diode wird 1 an die andere 0 gelegt. Das zweite Bild zeigt den Sachverhalt noch einmal, D1 liegt an + D2 an -. Damit ist nun eindeutig, das D1 in Durchlassrichtung, D2 in Sperrichtung geschaltet ist, es gibt keinen Kurzschluss! Zu beachten, ist dass P1 nicht ganz auf Betriebsspannung liegt, denn die D1 erzeugt einen Spannungsabfall von etwa 0,7V, also bei 10V Betriebsspannung kann an P1 nur 9,3V bereitstehen. Das sollte aber noch ausreichend sein, um den folgenden Transistor durchzusteuern. Am Ausgang y stellt sich der Wert (etwa; Ri1 bleibt) 0 ein. |
|
Werden beide Dioden auf 0 gelegt, fließt kein Strom durch R, also ist der
Spannungabfall auch 0, der Transistor sperrt (Ri X mal 100KΩ), am Ausgang y stellt
sich etwa der Wert 1 ein.
Wenn die Dioden nicht beschaltet sind, stellt sich gleiches Verhalten ein, also offener Eingang bedeutet 0 Belegung (dass ist nicht immer so, man sollte Eingänge immer beschalten!). |
|
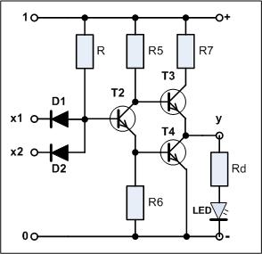
Die Zusammenschaltung sieht etwas anders aus. im nächsten Bild soll der Grund dafür beschrieben werden. |
|
|
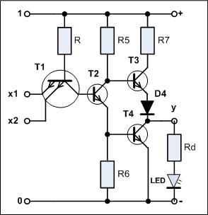
Eine Diode liegt an + die andere an -. D2 ist in Sperrichtung. D1 legt den Punkt P1 auf Masse, also wird der Transistor mit 0 angesteuert? Das stimmt so nicht ganz! Der Widerstand R und D1 bilden einen Spannungsteiler und da D1 einen Spannungsabfall von 0,7V erzeugt, entsteht an P1 eine positive Spannung von 0,7V, die ausreichen könnte, den Transistor durchzusteuern - das wäre falsch! Von P1 zu Masse wird deshalb ein weiterer Spannungsteiler über D3 und R1 aufgebaut. Die Ansteuerspannung des Transistors ist nun immer um den Abfall der Diode D3 kleiner, d.b. die Steuerspannung ist nun nahe 0. |
|
Für den Fall, dass beide Dioden auf 1 liegen, stellt sich etwa folgendes Verhalten ein. Es gibt nun einen Spannungsteiler R - D3 - R1, die Steuerspannung des Transistors ist somit Utr = R1 U+ / ( R + D3 + R1) (z.B.: R=1KΩ; R1=10KΩ; U=10V; - U zwischen R und D3 etwa 9,1V - Utr etwa 8,4V) Damit wird der Transistor sicher angesteuert! Am Ausgang y entsteht etwa der Wert 0. Wir wollen aber nicht aus den Augen verlieren, dass bei Steuerung mit x1 = x2 = 1 y den Wert 0 annimmt und in den anderen Fällen 1 - das entspricht der NAND-Funktion! |
Aufgabe 5:
Die so erstellten NAND-Schaltkreise, wie auch die anderen DTL-Bausteine wurden mit
einer Betriebsspannung von etwa 5V betrieben.
Das Problem dabei ist der Störspannungsabstand! 1 und 0 haben nur einen relativ
kleinen Tolleranzbereich, gibt es Störungen z.B. in der Spannungsversorgung, kann
das schon zu einem nicht eindeutigen Erkennen des Pegels führen.
|
Zur Verbesserung der Störsicherheit hat man in der Folge der Entwicklung die
Betriebsspannung erhöht, das mit anderen Schaltungen und Transistoren. Die Schaltzeiten dieser Bausteine sind recht klein, die folgenden aber noch etwa 3 mal schneller!. |
RTL - Schaltungen
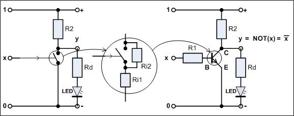
Bevor wir uns der weiteren Entwicklung der Realisierung von Negatoren und NAND's widmen, wollen wir noch zwei Experiment mit dem Anfangs genutzten Transistor-Negator vornehmen.
|
Basis ist die dargestellte und bereits beschriebene Transistor-Schaltung. Das erste Experiment soll sein, dass wir quasi mehrere solcher Stufen in etwa parallel schalten. |
|
Wie man leicht sehen kann, wird jeweils nur die Emitter-Kollektor-Strecke
parallel geschaltet, alle zusammen bekommen dann einen gemeinsamen
Kollektor-Widerstand. Was passiert? Werden die Eingänge der Transistoren nicht angesteuert, also Potential 0, dann ist die Emitter-Kollektor-Strecke aller Transistoren hochohmig. Durch den Kollektor-Widerstand fließt nur ein geringer Strom, folglich ist der Spannungsabfall über diesen Widerstand auch sehr klein, am Ausgang stellt sich nahezu Betriebsspannung ein, also 1. Jetzt wird ein Transistor mit 1 angesteuert, er legt somit den Ausgang auf 0. Es ist egal welcher Transistor oder alle, nur wenn alle nicht angesteuert sind kommt am Ausgang 1 heraus - das kennen wir schon, das ist die ODER-Funktion mit anschließender Negation - also NOR. |
Diese Schaltung stellt eine Transistorlogik dar, die aber auf anderem Gebiet eine
enorme Bedeutung hat!
In der Rechentechnik ist es die Schaltung, mit der man unterschiedliche Komponenten
auf eine Leitung legen kann. Sind das parallel 32 Leitungen, dann spricht man
z.B. vom 32-Bit-Datenbus, auf dem nach Bedarf die einzelnen Module zugeschaltet werden
können (man braucht dann aber 32 dieser Schaltungen).
Man spricht dann von der Open Collector Schaltung!
|
|
Wir wollen einfach an die Basis des Transistors einen zweiten Widerstand
anschließen. Damit haben wir nun auch zwei Eingänge und könnten nun auch zwei
unterschiedliche Eingangsspannungen anlegen. Um besser die Situation beschreiben zu können sollen die folgenden Bilder genutzt werden. |
|
Legt man an einen Eingang (das Beispiel zeigt E2, gilt auch für E1) eine logische 1, also einen positiven Pegel und läßt zugleich den anderen Eingang frei, keine Belegung mit 0 oder 1, dann funktioniert die Schaltung wie der bisherige Negator. Das gilt natürlich auch für die gleichzeitige Belegung beider Eingänge mit 1. |
|
Anders verhält es sich, wenn der eine Eingang auf 1 und der andere auf 0 gesetzt
wird! Da man davon ausgehen kann, dass Rb1 und Rb2 gleich groß sind, stellt sich an der Transistor-Basis nach Spannungteilerregel weniger als die Hälfte der Betriebsspannung ein, da zu Rb1 die inneren Widerstände des Transistors parallel geschaltet sind. Ist Rb1 etwa genau so groß wie der Transistorwiderstand, steht an der Basis nur noch ein Drittel der Betriebsspannung zur Ansteuerung zur Verfügung. Reduziert man die Werte der Widerstände Rb, so wird das Widerstandsverhältnis günstiger (man nähert sich der Hälfte der Betriebsspannung), jedoch können nun die vorgelagerten Schaltungen ein Problem bekommen, denn nun wird der Ausgangsstrom dieser größer! Man muss also einen Komprimiss für die Größe der Widerstände finden. Nehmen wir an, es funktioniert, dann wird diese Anordnung am Ausgang den Wert 0 bereitstellen, für die andere Variante natürlich auch und wenn beide Eingänge auf 1 liegen, logisch - auch 0. Nur wenn beide Eingänge auf 0 liegen, wird am Ausgang eine 1 bereitgestellt, anderenfalls also immer 0. Das entspricht aber genau der NOR-Funktion! |
|
Das kann man verallgemeinern! Über einen weiteren Basiswiderstand kann man das Null-Potential mittels einer zusätzlichen Spannung auf einen nützlichen Wert legen. Man nennt diese Logik RTL-Logik engl.: Resistor-Transistor-Logic / deutsch:(R)Widerstand-Transistor-Logik. |
Auf dieser Basis wurde von den "Keramischen Werken Hermsdorf" in der DDR in den 60-er Jahren die Schaltkreis-Familie KME3 entwickelt, Schaltkreise in Dünnschicht-Hybrid-Technik (KME Komplex Mikro Elektronik).
|
Auf einem Glasträger (anfangs auch Keramik) wurde ein Widerstandsnetzwerk im
Vakuum aufgedampft (alle Widerstände der Schaltung). Alle anderen Bauelemente, wie
Transistoren, Dioden und Kondensatoren (kleinere wurden später auch durch Aufdampfen
erzeugt) wurden auf das Netzwerk aufgeklebt und mit dem Netzwerk verlötet.
Mit dem Netzwerk wurden auch die Anschlussbeine durch Verlöten verbunden. In dieser Weise wurden so digitale Schaltungen mit ein oder zwei logischen Elementen oder analoge Schaltungen mit bis zu 3 Transistoren erzeugt. In der Zeit, in der zunehmend digitale Rechner aufgebaut wurden, war diese Technologie ein erheblicher Fortschritt gegenüber denen mit diskreter Technologie. |
|
Das Bild (mit einfacher DigitalKamera erstellt) zeigt, wie die Widerstände
angeordnet sind. Durch entsprechende Schablonen konnten meanderförmige Strukturen
und damit unterschiedliche Widerstandswerte erzeugt werden. Sehr oft wurde die Basis des Transistors nach außen geführt, das erfolgte wie man am unteren Transistor sehen kann, auch über Leitungen auf dem Widerstandsnetzwerk und von da aus auf das Anschlussbein. |
|
Die so zusammengebauten Bausteine wurden zumeist in eine Aluminium-Kiste gesetzt und mit Silikon-Kautschuk vergossen (oder auch teilweise mit Kunstharz). |
|
|
Das ist ein typischer Vertreter dieser Technologie. (links den Innenaufbau, rechts das Anschlussschema). Es handelt sich um einen "mittel-schnellen NOR-Baustein mit 4 Eingängen. Im Baustein wird die Transistor-Basis nach außen geführt, es gibt unterschiedliche Möglichkeiten für die Nutzung des Arbeitswiderstandes Rc. Weitere Informationen habe ich zusammengetragen und stelle sie unter KME3-Technologie zur Verfügung. |
Wie bereits dargestellt, ist die Größe der Basiswiderstände ein Kompromiss.
Je größer die Widerstände, um so besser werden die ansteuernden Baugruppen
entkoppelt, so kleiner der Eingangsstrom und um so geringer auch die
Schaltgeschwindigkeit, da dadurch das Umladen des Basisbereiches des Transisturs
verlangsamt wird. Man braucht also als "Basis-Widerstand" ein Bauelement mit
geringem Widerstand aber dennoch einer guten Entkopplung der Eingangswerte voneinander.
Das schafft man mit einer Diode!
Auch diese Technologie läßt sich wie eben beschrieben in der
Dünnschicht-Hybrid-Technik KME3 realisieren. Das Widerstandsnetzwerk wird auf
Glas aufgedampft, die Dioden und Transistoren werden als diskrete Bauelemente
aufgeklebt und mit dem Netzwerk verlötet.
Ein Vertreter dieser Technologie ist der folgende Baustein:
|
|
An der Bausteinbezeichnung mit 7 sieht man sofort, dass es nun ein "schneller"
digitaler Baustein ist. (die Bezeichnung der Anschlussbeine ist nicht sicher, vermutlich wird der Ausgang auf 10 liegen, die Eingänge rutschen eimal nach links) |
Und so ganz nebenbei sind wir über die Problematik der Geschwindigkeit wieder bei der bereits oben beschriebenen DTL-Technologie gelandet.
Eine Recherche nach DTL-Schaltkreis Familien erbrachte nur wenig Erfolg.
Ein russisches Bauelement konnte ausfindig gemacht werden:
|
|
Es handelt sich hier um ein NAND mit 3 Eingängen. Die Potentialverschiebung wird in oben beschriebener Weise mittels Dioden realisiert. |
|
Aber auch "Siemens" hat Schaltkreise auf dieser Basis entwickelt. Der Schaltkreis FZH 125 wurde als monolithischer Schaltkreis im Dual-Inline-Gehäuse erstellt, es waren zwei dieser Logik-Gatter im Schaltkreis. Es handelt sich um ein NAND-Gatter mit 5 Eingängen. Die hohe dynamische Störsicherheit dieses Schaltkreises wird durch geringe Schaltgeschwindigkeit erkauft. Vermutlich wird dieser Schaltkreis noch eingesetzt, denn insbesondere in Räumen mit motorischen Antrieben, erweist sich der Schaltkreis als störsicher. |
TTL - Schaltungen
Das wesentlich Neue an der Anordnung ist ein neues Bauelement
der Multi-Emitter-Transistor
|
Es werden ins Basismaterial gleich mehrere pn-Übergänge eingebracht, also quasi
Dioden von der Basis zum Emitter. Das entspricht etwa den bisher extern angebrachte
Dioden (es gibt intern weitere Effekte). Es gibt somit zur Bearbeitung der Logik
nur noch Transistoren nun also TTL-Technik! |
|
So sieht dann die Schaltung aus. Die Diode D4 hat etwa die Aufgabe wie in der
obriegen ersten NAND-Schaltung (mit Dioden), sie trägt nichts zur Logik bei. (ein Vertreter für diese Technologie ist der Baustein FLH 101-7400, er beinhaltet 4 solcher NANDs; die Eingänge haben jeweils noch eine Schutzdiode. Zu DDR-Zeiten gab es den gleichen Schaltkreis (ohne Schutzdioden) als D100) |
Es gibt aber auch den Weg der Realisierung der Schalter durch Transistoren!
|
|
Links also wieder die Ausgangssituation für ein NAND mittels Schalter. Man kann tatsächlich Transistoren in Reihe schalten. Werden beide Transistoren mit 1 angesteuert, werden beide leitend und etwa die Masse wird auf y gelegt. Der Widerstand beträgt nun so etwa 60Ω, im Gegensatz zum gesperrten Zustand von etwa 330KΩ (ein Transistor leitend) bis 600KΩ (beide Transistoren gesperrt). |
Die Erfindung des
Metall-Oxid-Halbleiter-Feldeffekttransistor
(englisch: metal-oxide-semiconductor field-effect transistor)
kurz: MOSFET oder MOS-FET,
hat die Realisierung der logischen Funktionen enorm verbessert.
|
Ein MOSFET ist im weitesten Sinne mit der Elektronenröhre vergleichbar.
Ein Elektronenstrom (negativ geladenen Teilchen), erzeugt durch eine glühende Kathode
(Quelle) wird durch die positiv geladene Anode abgesaugt (Senke). Dazwischen befindet
sich ein variabel negativ geladenes Gitter, welches die Menge des Elektronenstroms regelt. |
|
MOSFET
Natürlich werden die Ladungsträger anders erzeugt, nicht durch eine glühende Elektrode,
es gibt im Kristall freie Ladungsträger (freie Elektronen (n-Kanal) oder
Elektronen-"Löcher" (p-Kanal))
, die durch entsprechende Polung zum Drain
(Senke) abgesaugt werden, von der Source (Quelle) kommen immer neue nach. Prinzipiell haben wir aber eine ähnliche Anordnung und Funktion wie bei der Triode. Man bezeichnet diese Art von Transistoren als "uni-polar". |
|
Je nachdem welches Material an Drain und Source verwendet wird gibt es n-Kanal
oder p-Kanal MOSFETs.
Das gibt es bei der Triode nicht und ist in der Folge ein großer Vorteil der
MOSFETs! Das obere Prinzip-Bild zeigt einen n-Kanal MOSFET-Transistor oder kurz auch nMOS. Es gibt eine weitere Einteilung nach der Leitfähigkeit im nicht angesteuerten Zustand, zum einen normal sperrend, durch Anlegen eines Potentials an Gate werden Ladungsträger in den Kanal transportiert. Bei der Sorte normal leitend werden diese entfernt, bis zum Sperren. Die Symbolik ist im Bild dargestellt. |
|
Wie bei der oben gezeigten Schaltung mit zwei in Reihe geschalteten bipolaren
Transistoren, kann das nun besser mit MOSFETs passieren. Da die Transistoren mit
Spannung gesteuert werden, kann der "Basis"(Gate)-Widerstand entfallen, es fließt
kein Strom! (zu beachten ist jedoch, dass mit dem Gate quasi ein Kondensator betrieben wird
und damit gelten die Gesetze wie beim Einschalten von Kondensatoren und aus diesem Grund sind MOSFETs für Schaltungen mit hohen Frequenzen ungeeignet) Die MOSFETs können im sperrenden Zustand ein Source-Drain-Widerstand von mehreren MΩ (MegaΩ), im leitenden Zustand dagegen von nur wenigen Ω haben - das sind nun ideale Schalter! Es bleibt nur der Arbeitswiderstand R. Der ist ja notwendig um eine NAND-Funktion zu erzeugen, jedoch sorgt er im Schaltkreis für eine Wärmeentwicklung, denn der Widerstand setzt den Spannungsabfall in Wärme um! Außerdem nimmt die Realisierung im Kristall viel Platz ein - das muss anders gehen? Und da erweisen sich dann die MOSFETs wieder als sehr brauchbar! |
|
|
Da der Ladungsträgerstrom quasi durch einen spannungsgesteuerten Widerstand im Kanal gesteuert wird, kann man durch gestalterische Maßnahmen im Design einen bestimmten Widerstand schon bei der Herstellung erzeugen (etwa 100KΩ). Damit fällt auch der letzte Widerstand weg, wir haben nun eine reine TTL-Schaltung! |
|
Bisher sind wir immer davon ausgegangen, dass ein Arbeitswiderstand R vorhanden ist. Dieser muss so gewählt werden, dass er zum Schalter immer ein entsprechendes Verhältnis hat, Schalter offen - eigentlich 0Ω, bei geschlossenem Schalter geht das aber nicht, also etwa Schaltstrom der Schalter, das wiederum stellt einen hohen Energieverbrauch des Gatters dar. R sollte aber mindest Größenordnungen kleiner als der Verbraucher Rv (Rd + LED) sein - eigentlich sind das immer nur Kompromisse!
Was muss eigentlich sein? |
|
|
|
Die Schalter müssen so gekoppelt sein, dass immer einer geschlossen und der
andere offen ist, anderenfalls würde es einen Kurzschluss geben. Lediglich
das eigentliche Umschalten könnte kurzzeitig Probleme bereiten! Man muss nur definieren was 0 und was 1 für x ist und nun funktioniert die Anordnung exakt und ohne Verluste, denn ist x = 0 liegt exakt die Betriebsspannung + an y und umgekehrt! Diese Art der Kopplung von Schaltern läßt sich exakt mit MOSFETs mit unterschiedlichen Ladungsträgern erzeugen. |
|
Grundprinzip:
Unten also nMos, die bei 1 leiten, Rechts unser Negator-Beispiel. |
|
Damit haben wir aber bereits ein neues Prinzip beschrieben.
Für logische Schaltungen
kann man sehr gut immer zwei solcher unterschiedlicher MOSFET zusammen schalten,
man spricht von
"komplementären MOSFETs"
oder auch von
"Complementary Metal-Oxide Semiconductor" und sind
damit bei CMOS gelandet!
"Heute ist CMOS Technologie die dominante Halbleitertechnologie für Mikroprozessoren,
Speicher (SRAM und DRAM) und anwenderspezifische integrierte Schaltungen (ASICs).
Hauptvorteil von CMOS gegenüber NMOS oder bipolarer Technologie ist der viel
kleinere Energieverbrauch - statische CMOS Gatter haben (fast) keinen statischen
Energieverbrauch. Die Gatter verbrauchen nur Strom, wenn die Gatter wirklich
umschalten. Dadurch lassen sich wesentlich mehr CMOS Gatter auf einem IC integrieren,
als in NMOS oder bipolarer Technologie"
nach: http://tams-www.informatik.uni-hamburg.de
|
Wir wollen nicht unser Ziel aus den Augen verlieren - es geht um die
unterschiedlichsten Möglichkeiten zur Realisierung von NAND-Gattern.
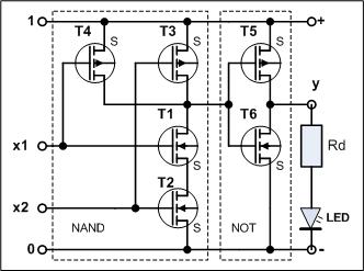
Das Bild zeig ein NAND-Gatter mit zwei Eingängen. |
|
NOR wird so ähnlich aufgebaut, allerdings liegen nun die beiden nMOS prallel zu 0. Wenn x1 und x2 0 sind, müsste 1 am Ausgang erscheinen, in allen anderen Fällen 0. Das funktioniert, da T3 und T4 mit 0 leitend sind und die 1 durchstellen. T1 und T2 sperren Ist hingegen ein Eingang 1, dann sperrt immer ein oberer Transistor (T3 oder T4) und ein unterer (T1 oder T2) ist leitend, damit wird 0 auf den Ausgang gelegt! |
Transmission Gate / Transmissiongatter / t-Gatter
Eine besondere Funktion ergibt sich, wenn ein nMOS und ein pMOS parallel geschaltet
werden.
Das ist kein Bauelement mit logischer Funktion (im Prinzip schon) aber sehr wichtig
beim Aufbau größerer Schaltungen.
|
Hier wird das Prinzip gezeigt, Source und Drain sind zusammengeschloassen,
die Gates werden mit einmal negierten Pegel angesteuert. Ist das Steuersignal 0, der obere pMOS erhält 1 und sperrt, der untere nMOS erhält die 0, sperrt also auch. Steuert man mit 1 an, sind nun beide leitend. Das Interessante ist aber, dass Source und Drain getauscht werden können, das Element ist kein Richtungsabhängiger Schalter, sondern kann in beide Richtungen den Strom leiten oder sperren. Die Anordnung funktioniert wie ein Relais! |
|
|
Das erste Bild zeigt die komplette Schaltung, auch mit Realisierung des Negators. Das zweite ist die symbolische Darstellung dieses Elementes und das findet man in sehr vielen logischen Bauelementen. |
Abschlussbemerkungen
|
Die CMOS-Technologie ist geeignet zur Herstellung negierender Bauelemente, die
anderen sind so direkt nicht herstellbar. Da muss man sich dann an die Schaltalgebra
erinnern und weiss dann, dass z.B. ein AND aus einem NAND nur durch Nachschalten
eines Negators erzeugt werden kann. Das braucht also zwei weiterer MOSFETs, die ja keinen alzu großen Aufwand darstellen. Es sind insgesamt nur 6 Transistoren, dagegen bei der bipolaren TTL-Technik 4 Transistoren 5 Widerstände und eine Diode (für NAND, da sind es CMOS nur 4). Der Unterschied ist schon erheblich, insbesondere auch was die Wärmeentwicklung betrifft. Man kann die Bipolaren aber nicht wegschmeißen, denn sie haben auch einen unschlagbaren Vorteil gegenüber den Unipolaren! - auf Grund des vorhandenen Gate-Kondensators sind die bipolaren Schaltungen den MOSFET an Geschwindigkeit weit überlegen. |
(weiterführende Informationen bei Timmermann/CMOS)
Aufgabe 6:

nach: "Datenblatt; MOTOROLA; Semiconductor Technical Data"
Neben dem Internet wurde folgende Literatur zur Beschreibung mit herangezogen:
|
|
zurück zur Start-Seite |
Ω