Digitale
Schaltungen
-
KME3-Technologie
   


In dieser Beschreibung zur Baustein-Technologie KME will ich versuchen, Informationen aus dem Internet und aus einigen Literaturstellen für diese zusammenzustellen. Als Literatur habe ich folgende Quellen gefunden:

  1. D. Eckhardt, E. Konrad, W. Leupold;
    Digitale Grundschaltungen und ihre Anwendung
    Reihe Automatisierungstechnik 161; VEB Verlag Technik, Berlin 1974
  2. A. Möschwitzer;
    Integration elektronischer Schaltungen;
    VEB Verlag Technik, Berlin 1974
  3. K.-H. Rumpf, M. Pulvers;
    Transistor-Elektronik; Anwendungen von Halbleiterbauelementen im Schaltbetrieb;
    VEB Verlag Technik, Berlin 1973
  4. D. Eckhardt, W. Groß;
    Grundlagen der digitalen Schaltungstechnik;
    Militärverlag der DDR, Berlin 1973

Aus dem Internet wurden weiterhin folgende Beiträge zur Darstellung der Problematik KME3 mit herangezogen:
  1. http://www.robotrontechnik.de/html/forum
  2. http://www.robotrontechnik.de
  3. http://www.radiomuseum.org

KME-Bauelemente waren Integrierte Schaltkreise in Dünnschicht-Hybrid-Technik.
Diese Technologie wurde in den 60-er Jahren im "VEB Keramische Werke Hermsdorf" entwickelt. Die Bausteine enthalten vorrangig digitale logische aber auch analoge Grundschaltungen.
KME bedeutet wohl Komplex-Mikro-Elektronik (kann man nicht mehr ermitteln).
Es gab verschiedene Entwicklungsstufen von KME1 bis KME5. Am bekanntesten waren die KME3-Bausteine. Diese werden noch einmal in EntwicklungsReihen unterteilt, wie z.B.:

Dünnschicht-Hybrid-Technik

    Auf einem Glasträger (anfangs auch Keramik) wurde ein Widerstandsnetzwerk im Vakuum aufgedampft (alle Widerstände der Schaltung). Alle anderen Bauelemente, wie Transistoren, Dioden und Kondensatoren (kleinere wurden später auch durch Aufdampfen erzeugt) wurden auf das Netzwerk aufgeklebt und mit dem Netzwerk verlötet. Mit dem Netzwerk wurden auch die Anschlussbeine durch Verlöten verbunden.
In dieser Weise wurden so digitale Schaltungen mit ein oder zwei logischen Elementen oder analoge Schaltungen mit bis zu 3 Transistoren erzeugt.
In der Zeit, in der zunehmend digitale Rechner aufgebaut wurden, war diese Technologie ein erheblicher Fortschritt gegenüber denen mit diskreter Technologie.

    Das Bild (mit einfacher DigitalKamera erstellt) zeigt, wie die Widerstände angeordnet sind. Durch entsprechende Schablonen konnten meanderförmige Strukturen und damit unterschiedliche Widerstandswerte erzeugt werden.
Sehr oft wurde die Basis des Transistors nach außen geführt, das erfolgte wie man am unteren Transistor sehen kann, auch über Leitungen auf dem Widerstandsnetzwerk und von da aus auf das Anschlussbein.

    Die so zusammengebauten Bausteine wurden zumeist in eine Aluminium-Kiste gesetzt und mit Silikon-Kautschuk vergossen (oder auch teilweise mit Kunstharz).

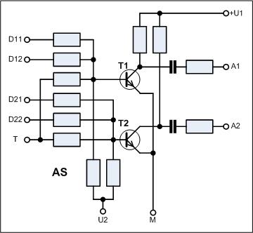
Die D-11-Reihe bestand aus folgenden Grundbausteinen:

        Die Eingänge der beiden NOR-Bauelemente sind relativ niederohmig.

    Als Gegenstück gab es den Baustein V-NOR mit 3 Eingängen, die relativ hochohmig waren.
In allen 3 Bausteinen ist die Basis des Transistors zugängig, man kann so weitere Beschaltungen vornehmen.

        In der Reihe gab es auch Bausteine, die gleich mit 2 (d - duo) logischen Funktionen ausgerüstet waren, einmal nieder- und einmal hochohmige Eingänge.
Wie man sieht gab es NOR's mit 2 und 3 Eingängen.

    Der D-NOR wurde auf jeweils 2 Eingänge reduziert und der Ausgang A2 bereits fest mit dem Eingang e12 verbunden, dieser Eingang steht nun nicht mehr nach außen zur Verfügung, deshalb gibt es nur noch E1.
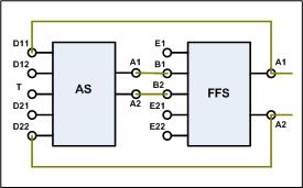
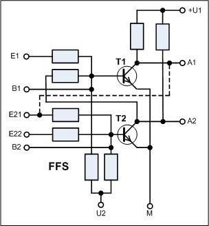
Beschaltet man extern A1 nach E21, erzeugt man so ein RS-Latch.
Da man aber häufig Taktgesteuerte RS-Latch braucht, gab es noch einen weiteren Baustein.

        So zusammengeschaltet, entstand ein Taktflanken gesteuertes RS-Flip-Flop.

Mit dieser Reihe war es möglich eine Vielzahl von digitalen Aufgaben zu lösen. Weitere Möglichkeiten gab es immer, da ja auch der Transistor meist extern beschaltbar war.

Kennzeichnung der Bauelemente

Zunächst einmal kann man feststellen, dass wahrscheinlich unabhängig von den Entwicklungsstufen 4 Bauformen vorhanden waren:

Diese unterscheiden sich lediglich in der Anzahl der Anschlussbeine:

5331 - 6 Anschlüsse
5431 - 8 Anschlüsse
5531 - 10 Anschlüsse
5631 - 12 Anschlüsse

Lediglich die zweite Ziffer gibt Auskunft über die Anschlüsse, welche Bedeutung die anderen Ziffern haben, ist mir unbekannt.
Die oben beschriebene D-11-Reihe wurde komplett in die Bauform 5531 gelegt:

In der Tabelle ist für alle Bausteine die Zuordnung der Anschlüsse beschrieben (Die ungradzahligen AnschlussNr. sind zum Teil auf dem Gehäuse angegeben, fehlen sie, dann von der "Leseform" der Nr. ist links die 1; es gibt auch Bausteine auf der nur oben die Nr. aufgedruckt ist!).

Unabhängig von den Bauformen und sicher auch von den Entwicklungsstufen ist die Kennzeichnung der Bausteine. Es sind immer 7 Ziffern mit folgender Anordnung und Darstellung:

XX-YYzzz

Die Ziffern haben folgende Bedeutung (so weit es mir bekannt ist):

XX
Die linke Ziffer X gibt Auskunft über die Art des Bauelementes:

Die Ziffern haben folgende Bedeutung (so weit es mir bekannt ist):
2 - analog
5 - digital langsam
6 - digital mittel schnell
7 - digital schnell

Ob die Ziffern 1, 3 und 4 eine Belegung haben, ist unbekannt.

Die rechte Ziffer soll die entsprechende Variante des Typs kennzeichnen.

YY
Je nach analog oder digital werden hier sehr unterschiedliche Informationen dargestellt.

digital (5,6,7) - linke Ziffer:
3 - NOR
(weitere FFS, AS usw.)

digital (5,6,7) - rechte Ziffer:
gibt die Anzahl der Eingänge an:
z.B. NOR3 aus der D-11-Reihe: 51-33123 (könnte so sein)
digital langsam, Typ 1, NOR, 3 Eing.

analog (2) - linke Ziffer:
(nach Lit.7):
1 - einstufiger Verstärker
2 - zweistufiger Verstärker
3 - dreistufiger Verstärker
8 - Differenzverstärker
9 - Sonderfälle
z.B. hat so ein noch zu beschreibenen Verstärker BV12 u.a. die Bezeichnung: 21-31211
analog, Typ 1, 3 stufig

Die Bedeutung der rechten Ziffer ist mir unbekannt.

Die weiteren, etwas kleiner geschriebenen, 3 Ziffern lassen Varianten, spezielle Typisierungen u.a. erkennen, ist für die Anwendung nicht relevant.

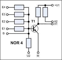
    Jetzt kann man den oben schon gezeigten Baustein identifizieren:
digital langsam, NOR, 5 Eingänge; (die Anschlussbelegung ist unbekannt)

Es ist nun auch unbekannt wie D-NOR's gekennzeichnet wurden. Da es sich um einen langsamen Typ handelt, könnte es ein Baustein der RTL-Logik sein.

Noch ein Beispiel:
Der Baustein hat die Beschriftung: 62-34231
Es handelt sich um einen mittel schnellen NOR-Baustein mit 4 Eingängen. Das Gatter hat niederohmige Eingänge (nur so kann man bei RTL größeres Tempo schaffen).


Weitere Bauelemente Reihen mit KME3

Die bisher beschriebene Bauelemente-Reihe ist ein typischer Vertreter der
RTL-Logik ((R)Widerstand-Transistor-Logik.

Das Problem bei RTL ist die Größe der Basiswiderstände, es ist ein Kompromiss.
Je größer die Widerstände, um so besser werden die ansteuernden Baugruppen entkoppelt, so kleiner der Eingangsstrom und um so geringer auch die Schaltgeschwindigkeit, da dadurch das Umladen des Basisbereiches des Transisturs verlangsamt wird. Man braucht also als "Basis-Widerstand" ein Bauelement mit geringem Widerstand aber dennoch einer guten Entkopplung der Eingangswerte voneinander.
Das schafft man mit einer Diode!
Auch diese Technologie läßt sich wie eben beschrieben in der Dünnschicht-Hybrid-Technik KME3 realisieren. Das Widerstandsnetzwerk wird auf Glas aufgedampft, die Dioden und Transistoren werden als diskrete Bauelemente aufgeklebt und mit dem Netzwerk verlötet.
Ein Vertreter dieser Technologie ist der folgende Baustein:

        An der Bausteinbezeichnung mit 7 sieht man sofort, dass es nun ein "schneller" digitaler Baustein ist.
(die Bezeichnung der Anschlussbeine ist nicht sicher, vermutlich wird der Ausgang auf 10 liegen, die Eingänge rutschen eimal nach links)

Es handelt sich nun um DTL-Logik (Dioden-Transistor-Logik.
Diese Logik wird in eine neue "Reihe" D31 gelegt, die erste Ziffer 7 deutet darauf hin.

Sehr interessant ist, dass durch die Spannung U1 die Logik verändert werden kann!
Ist die Spannung positiv (wie angegeben) funktioniert der Diodenteil als OR-Funktion, ist sie hingegen negativ wird daraus eine AND-Funktion. Die Größe der Spannung spielt natürlich auch eine Rolle.

U1 = +6V
Ucc = +3V
U0 = -3V
UA1 = 2,85 ... 3,15V
UA0 = 0 ... 0,5V
Damit wird die NOR-Funktion eingestellt.

Wie oben schon angedeutet, gab es auch auf dieser Basis analoge Schaltkreise.
Ein nahezu legendärer Vertreter daraus war der Breiband-Verstärker BV12.

    Nach dem System zur Kennzeichnung hat er folgende Bezeichnung:
21-31211
(analoger Verstärker, 3 stufig)
Das Bauelement war jedoch mehr unter der Bezeichnung BV12 bekannt.

In der Tabelle werden die im Jahr 1974 in der DDR verfügbaren IC-Familien dargestellt:

Wie man sehen kann, ist die TTL-Technologie die schnellste Logik. C-MOS gab es noch nicht, aber sie ist nicht wesentlich schneller als die dargestellte MOS-Logik.
Die Reihen D10 und U10 sind nicht in Hybrid-Technik gefertigt, sondern sind monolithische IC's, sie wurden aber Anfangs auch mit KME bezeichnet (deswegen hier die Darstellung).


zurück zur Seite-NAND

Ω