Digitale Schaltungen
RS-Flip-Flop


RS-Flip-Flop

Was ist das - wozu braucht man das?

Als Bastler weiß man, dass man so etwas gebraucht, da kommt dann noch die Frage nach der Realisierung.
Ein Flip-Flop, wir wollen exakter RS-Flip-Flop sagen (die Begründung dazu erfolgt noch), kann in einfachter Weise ein Schalter sein:


Was macht man mit einem Schalter? - logisch: "Licht an und aus!"
Es gibt keine Regeln wo an und aus ist, das legt der Elektriker fest, es sollte aber in einer Wohnung einheitlich sein. Bei mir ist das so:
unten drücken - an; oben drücken - aus

Nimmt man Bezug auf die Elektronik ergeben sich somit folgende Bilder:


Unten drücken - es geht Licht an - heißt in der Elektronik "set".


Drückt man oben, geht das Licht aus, ich kann die Wohnung verlassen.
Dieses heißt in der Elektronik "rücksetzen" also "reset".

Bei interessierter Betrachtung kann man feststellen, es gibt zwei Möglichkeiten für die Schalterstellung - ein oder aus. Und diese Situation bleibt bestehen, auch wenn ich den Schalter nicht mehr anfasse.
Anders bei einem Taster, der geht immer in seine Ausgangsposition zurück wenn ich ihn loslasse.
Der Schalter speichert quasi seine eingestellte Situation.
Nun kann ich genau die andere Variante versuchen durchzuführen, also zugleich oben und unten drücken:


Das ist natürlich logisch, dass das irgendwie nicht geht - es gewinnt der "stärkere" Finger, oder, wenn beide sehr stark sind, geht der Schalter kaputt.
Auf jeden Fall ist das eine unsinnige Bedienung.

Man kann aber schon mal feststellen, für den Schalter gibt es 4 Situationen:

  1. Schalter nicht betätigt - eingestellte Situation bleibt erhalten
  2. unten drücken - Licht geht an
  3. oben drücken - Licht geht aus
  4. oben und unten drücken - das ist unsinnig!

Wenn wir nun ein paar Begriffe tauschen, sind wir sofort in der Elektronik.
Der Schalter funktioniert wie ein RS-Flip-Flop.
Die Situation beim Schalter heißt nun Zustand und davon haben wir wie bisher 4. Der Ausgang vom Schalter war die Lampe - der hat jetzt die Bezeichnung Q.
Beim Schalter haben wir oben und unten, jetzt die Eingänge Set (S) und Reset (R) und wir legen fest, wenn sie betätigt werden kommt da eine 1 an den Eingang, sonst 0.
Damit kann man eine Tabelle schreiben (Wahrheitstabelle), die den Sachverhalt beschreibt:


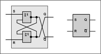
Dazu gibt es ein Symbol, entsprechend der Tabelle:


In der Elektronik wird meist ein zweiter Ausgang bereitgestellt, der nimmt immer genau den entgegengesetzten Wert von Q an, man sagt Q negiert und schreibt üblicher Weise einen Strich über Q , wir wollen aber auch Qn verwenden. Das Qn entsteht automatisch in der Schaltung, es ist also nur ein zusätzlicher Draht nach außen.

Damit sind wir bei der Schaltung.

Es gibt durchaus mehrere Möglichkeiten so ein RS-Flip-Flop zu finden oder herzustellen. Als Beispiel habe ich eine Liste der 4000-er IC-Familie einmal dargestellt:

Wenn man die Liste durchsieht fallen nur die Bausteine 4043 und 4044 in Betracht. Um sich weiter zu informieren muss man die Datenblätter einsehen.

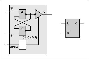
      RS-Flip-Flop 4044
Die Schaltung zeigt 4 RS-Flip-Flop's auf NAND-Basis. Als Ausgang gibt es jeweils nur das Q-Signal. Das Ausgangssignal wird nicht direkt nach außen geführt, sondern über jeweils einen Schalter mittels eines ENABLE-Signal gesteuert. Die negierten Eingangssignale R und S schalten mit 0 in den anderen Zustand.
Wenn das ENABLE-Signal auf 0 gesetzt wird, können die Zustände der Flip-Flop gesetzt werden. Ist alles ok wird ENABLE auf 1 gesetzt und alle Ausgänge zur gleichen Zeit bereitgestellt.
Dieser Baustein kann sehr gut als AKKU (4 Bit Speicher) eines 4-Bit Rechners genutzt werden.
(übrigens, die Ausgänge Qi nehmen bei ENABLE=1 die Werte 0 und 1 an, bei ENABLE=0 wird der Ausgang so hochohmig, dass er wie "nicht da" erscheint, man spricht von Tri-State Ausgang! - das genau braucht man im Rechner)

Ein Flip-Flop daraus hat damit das folgende Aussehen:


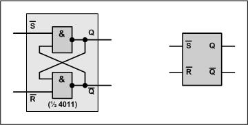
      RS-Flip-Flop 4043
Im Prinzip funktioniert diese Anordnung wie der Schaltkreis 4044. Die Basis sind NOR-Gatter, daraus resultiert eine etwas andere Wahrheitstabelle.

In bestimmten Situationen ist sowohl das Q- und Qn-Signal notwendig. Durch einen zusätzlichen Negator kann man natürlich immer das entgegengesetzte Signal erzeugen. Aber man braucht einen weiteren Schaltkreis zur Realisierung der Negation.
Positiv ist aber, dass der innere Aufbau eines Flip-Flops schon mal gezeigt wird und man erkennt, dass das sowohl mit NAND's als auch mit NOR's möglich ist. Wenn man mal nur ein Flip-Flop braucht, dann muss man also nicht unbedingt einen neuen Schaltkreis bestellen, sondern kann relativ leicht z.B. mit 2 oder 4 NAND's ein RS-Flip-Flop aufbauen.
Bereits 2 NAND-Gatter reichen schon zum Aufbau aus. Allerdings wird dann auch wie beim 4044 mit 0 geschaltet (siehe Bild):


Das geht natürlich auch mit NOR's:


Bei den Letzteren muss man nur die Ausgänge vertauschen.
Schaltet man vor die beiden Eingänge einen Negator stimmt die Reaktion des Flip-Flops komplet mit der Theorie überein. Das tolle ist, dass man Negatoren sowohl aus NAND's als auch aus NOR's herstellen kann, also keinen neuen Baustein kaufen muss:

     
(es gibt immer zwei Varianten zur Realisierung)

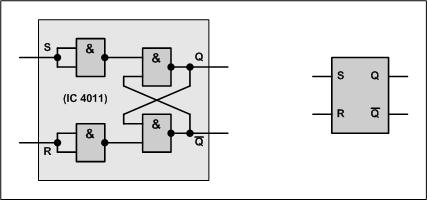
Schaut man in die Bauelementeliste gibt es sowohl 4 NAND's mit jeweils 2 Eingängen (4011) als auch 4 NOR's mit jeweils 2 Eingängen (4001). Damit kann man mit diesen Bausteinen jeweils ein komplettes Flip-Flop aufbauen!



Aufgaben:

  1. erweitere das aus NOR-Gattern bestehende FLip-Flop zu einem exakten Flip-Flop!

(erst einmal probieren, dann später hier nachsehen)


Damit haben wir nun schon zwei Varianten zur Realisierung von RS-Flip-Flop's kennen gelernt. Es gibt aber noch eine weitere.
Die Bauelementeliste bietet auch noch JK-Flip-Flop's. Diese funktionieren ganz anders, nur soviel im Moment, sie stellen wieder an zwei Ausgängen Q und Qn bereit und das in Abhängigkeit von zwei Eingangssignalen, jedoch wird die Änderung des Zustandes zeitlich gesteuert.
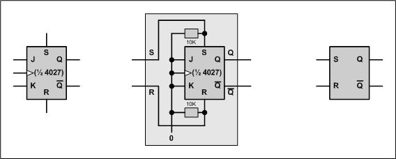
Ein solcher Baustein ist der 4027.
Wir wollen uns zunächst die vom Hersteller angebotene Wahrheitstabelle betrachten:


Wenn man Qn als den alten Zustand ausklammert, hat das Ding wohl 5 Eingänge. Bekannt ist uns die Spalte mit R und S und betrachtet man die letzten 4 Zeilen stellt man fest, dass die Ausgänge Q und Qn (jeweils immer Qn+1 - der sich einstellende Zustand) sich wie die uns bekannten verhalten, das kann man nutzen.
In der Tabelle steht für C, J und K ein x und unten dazu: x = don't Care, soviel wie beliebig, in den letzten 3 Zeilen. In der viertletzten Zeile für C ein Zeichen, wir setzen C, J und K auf 0, dann sollte sich das Element wie ein RS-Flip-Flop verhalten, also so:


Die 10KOhm Wiederstände müssen nicht sein, nur wenn an den Eingängen R und S mittels Schalter der Zustand gesetzt werden soll. Das so erzeugte Flip-Flop funktioniert genau wie die Theorie es beschreibt. Auf dem Schaltkreis 4027 sind zwei davon vorhanden.

Nach Liste gibt es auch noch einen JK-Master-Slave Flip-Flop (4095), denn braucht man auch sehr oft z.B. zum Aufbau von Zählern oder Teiler, aber weniger zur Realisierung von RS-Flip-Flop's. Dieser IC unterscheidet sich vom 4027 durch eine andere Schaltung zur Erzeugung von J und K.

Nun die entscheidende Frage - wo braucht man so was?

Eigentlich ganz einfach - überall dort wo ein "Gerät" zwei Zustände einnehmen soll.
Also z.B. wieder unser Ausgangspunkt, der Lichtschalter. So könnte man nun auch Licht oder eine Maschine an und ausschalten. Man braucht aber immer zwei Taster:

 

Der Vorteil dieser Arbeitsweise ist, dass die Taster nur eine geringe Spannung und einen geringen Strom schalten. Das Flip-Flop einschließlich eines Relais befinden sich am Gerät, es gibt nur kurze Wege für vielleicht große Ströme und es gibt die Möglichkei durch Parallelschaltung weiterer Taster die Bedienung von mehreren Stellen aus vorzunehmen (Notausschaltung).
Bei solchen Anlagen ist es natürlich problematisch, wenn beide Schalter zur gleichen Zeit betätigt werden (kann ja im Gegensatz zum oben gezeigten Schalter vorkommen).
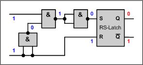
Durch Aufbau einer weiteren Logik z.B. aus NAND-Gattern kann man solche Probleme ausschließen:


Diese Schaltung aus 3 NAND's sorgt dafür,dass, wenn beide Taster betätigt werden, garantiert ausgeschaltet wird (Q = 0), man nennt das dann "dominierend aus". Die blauen Zahlen beschreiben welche Pegel sich einstellen, rot sind die Ausgangswerte.
Das geht natürlich auch genau anders herum, also "dominierend ein".


Aufgaben:

  1. Überprüfe, ob mit der Schaltung dominierend aus, auch die anderen drei Zustände erreicht werden (alle anderen Eingangskombinationen); trage dazu die Zwischenwerte ein.
  2. entwickle eine Schaltung "dominierend ein"!
  3. entwickle eine Schaltung, die bei gleichzeitiger Betätigung der Taster in den Speicherzustand schaltet!
  4. in Erweiterung der letzten Aufgabe, soll eine Warnlampe in diesem Fall aufleuchten!

(erst einmal probieren, dann später hier nachsehen)


Andere Anwendungen kommen aus der Modellbahn, denn da gibt es mehrere Teile die zwei Zustände annehmen können, z.B. Weichen, Siggnale, natürlich auch Lampen usw. Hier zwei Beispiele für Weichen und Lichtsignale:

 

Auch bei diesen Anwendungen kann der Einsatz eines Verstärkers notwendig werden, da das Flip-Flop nur einen maximalen Ausgangsstrom verarbeiten kann.

      Eine wichtige Anwendung soll nicht vergessen werden, das ist der Speicher im Computer. Ein Flip-Flop kann "1 Bit" speichern. Man spricht hier vom "statischen RAM", der wird im Cache und Zwischenspeicher (Register) eingesetzt, er ist schnell, aber relativ groß - es gibt geometrisch kleinere Lösungen zur Speicherung eines Bits!
<==
So etwa funktioniert ein Mini-Rechenwerk. So eine Aritmetik/Logikeinheit besteht aus logischen Bausteinen und braucht zur Aktion meist zwei Werte. Die Versorgung mit Werten erfolgt über den Daten-Bus und da liegt das Problem, denn es kann zur Zeit immer nur ein Wert auf dem Bus transportiert werden, also erfolgt das hintereinander, der erste muss aber gespeichert werden und dazu dient der Akku. Der zweite Wert steht im Hauptspeicher und wird nun über den Daten-Bus bereit gestellt.
Das Ergebnis der Rechenaktion landet dann wieder im Akku. Man kann nun beliebige Kettenrechnungen durchführen, denn das Ergebnis ist ja die Zwischensumme (bei der Addition).
Aber es gibt ein Problem: "Wie kann ein Speicher zur selben Zeit gelesen und wieder bespeichert werden?" Das geht mit unseren bisherigen Flip-Flop's nicht - also brauchen wir noch andere Teile - später (in einem anderen Teil)!

Problem Einteilung Flip-Flop's
Nun müssen wir noch ein leidiges Problem bei der Beschreibung von Flip-Flop's klären.
Die Fachwelt ist sich nicht einig, wie die Dinger exakt bezeichnet werden. Elektronisch gesehen sind das Multivibratoren, ein bistabiler Multivibrator ist aus der Sicht der Digitaltechnik ein Flip-Flop, allerdings meist nur im deutschsprachigen Raum. Im amerikanischen Raum sind zustandsgesteuerte Flip-Flop's - Latch (wurde oben schon mal verwendet).
So ein typisches Beispiel ist der IC 4043/44. In der Bauelementeliste heißt er RS-Flipflop. Schaut man hingegen ins Datenblatt, heißt das gleiche Ding eben Latch:


Aber auch diese Grenze ist nicht so ganz definiert.
Einheitlich dagegen ist alles was flankengesteuert schaltet - das sind Flip-Flop's. Nachfolgend der Versuch einer Tabelle mit den möglichen Einteilungen:


Wenn man Literatur verwendet, muss man immer an dieser Stelle genau hinsehen, der eine meint das, der andere eben etwas anderes!
Und noch etwas, man muss sich die Symbole der Flip-Flop's immer genau anschauen, denn in dem Bildchen steckt schon die genaue Beschreibung der Funktion dieses Teils!


Und das sind noch lange nicht alle, es gibt ja noch D, T usw. Flip-Flop's.
Bei MERTECH wird dazu eine Liste vorgestellt!


Aufgaben:

  1. Wie müßte das Symbol für ein RS-Flip-Flop aussehen welches mit abfallender Flanke schaltet (! so ein Baustein gibt es nicht !)
  2. recherchiere, wie das Symbol für ein D-Latch aussehen müßte

(erst einmal probieren, dann später hier nachsehen)


zum Anfang der Seite         Lösungen

zurück zur Start-Seite