Digitale Schaltungen RS-Flip-Flop - Lösungen
 


Lösungen

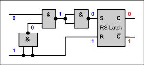
zu 1:

zurück

 

 

 

 

 

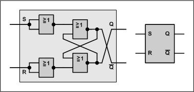
zu 2.1:

links: set; mitte: reset; rechts: speichern

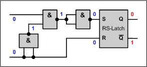
zu 2.2:

dominierend ein

zu 2.3:

zu 2.4:

zurück

 

 

 

 

 

zu 3.1:

zu 3.2:

zurück


Zurück zu RS-Flip-Flop's