Modell-Bahn
Module
Grundmodul Tunnel
Logo Zug


Grundmodul

Bisher gab es noch kein Grundmodul.

Zum Geburtstag kamen beide Enkel und brachten jeder einen Rohbau eines Grundmoduls mit. Und jeder hatte ein Bild gemalt, was denn auf der Platte aufgebaut werden sollte.

Der Kleine wollte einen Berg mit einem Tunnel und einen Hochstand auf der Platte haben. Das sah dann so aus:

        Als Plan wurde vorgesehen, den Tunnel über einen großen Teil des Gleisbogens zu bauen, die Tunnelportale sollten jedoch nicht am Rand der Platte entstehen, also musste der jeweils erste Teil des Gleises eingeschottert werden.
Es wurden noch zwei größere Löcher gebohrt, damit auch eine Inspektion des Tunnels möglich ist.

Im Innenbogen soll ein kleines Dorf entstehen, 4 Häuser, ein "Konsum".
Zur Anpassung des Baugrundes der Häuser wurden Sperrholzbretter auf eine entsprechende Höhe gebracht.
Eine kleine Straße gibt es zwischen den Häusern, die natürlich bergan geht und am Berg endet.

Und noch eine Aktion, hier nur im letzten Bild angedeutet, wird es geben - einen Feuerwehreinsatz an einem brennenden Haus. Der Lautsprecher soll dann die Töne des Martinshorn abstrahlen.

        Das Tunnelportal erhält natürlich auch Stützwände zu den Seiten hin. Das Tunnelportal entspricht nicht ganz den Vorschriften, es sollen auch die Kinder-Spezialzüge ( Umbau Gnomy ) durch den Tunnel fahren können. Die Tunnelröhre ist nur ein kleines Stück ausgebildet, es sollte so aber reichen.
Interessant ist das Loch neben dem Portal, es könnte ein Entwässerungsrohr sein, hier ist es jedoch das Ende einer Murmelbahn, solche Aktionen muss es immer geben!

Die Murmelbahn soll später in der Landschaft über dem Tunnel beginnen!

Die nächste Ausbaustufe ist erreicht!

     

Der Rohbau existiert nun als Papierberg.
Das linke Bild zeigt wieder die Straße, das rechte das Modul von der anderen Seite mit dem Grilplatz und der Murmelbahn, die sehr gut in der Landschaft versteckt ist. Vom Tunnel ist in dieser Position nichts zu sehen.
Die Häuser sind nur so einmal hingestellt, denn erst muss überall Gras gesäht werden.

        Der Blick2 zeigt das eine Ende des Tunnels und die Murmelbahn. Am Kopf fällt die Murmel aus dem Mund und am Ende der Bahn kann man dann noch entscheiden, ob die Murmel noch eine Etage tiefer soll oder da liegen bleibt!
Der gewünschte Hochstand hat auch schon seinen Standort erhalten.

Die nächste Ausbaustufe!

        Gras wächst nun auch schon. Vom Tunnel ist nicht mehr viel zu sehen. Jetzt fehlen noch Bäume, Sträucher, Figuren, Fahrzeuge usw.

Die nächste Ausbaustufe!

   

Es gibt nun Bäume auf dem Modul und der Feuerwehreinsatz kann nun auch starten.
Die Beleuchtung in den Häusern funktioniert und Straßenlaternen nach bekannten Bauschema für Lampen geben spärliches Licht.

Am Ende der Straße wird ein Haus neugebaut.

        Ein paar Leute arbeiten fleißig, einer hat viel Durst.

Der Grillplatz ist auch fertg

    Im oberen Teil befindet sich eine Party-Hütte, die Murmelbahn ist als Wasserlauf integriert und muss zum unteren Teil des Grillplatzes mit einer Brücke überquert werden.
Es wird schon gegrillt!
Erstaunlich ist, dass aus dieser Position wenig vom Dorf zu sehen ist.

        Und Bier gab es wohl auch schon - und dabei steht da ein Herz-Häuschen - das macht man doch nicht!
(was es doch für eigenwillige Figuren zu kaufen gibt)

Weitere Details

    Die Kapelle versteckt sich etwas im Wald.


2. Elektrische Steuerung

      Logo Zug-E-Technik

Auf dem Modul soll nur Licht geschaltet werden - allerdings soll, da das Schalten des Lichts in der bisher angewandten Form unzuverlässig erfolgt, eine neue Variante der Steuerung getestet werden.

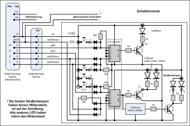
Grundschaltung/Adressen     Das Steuerungsprinzip ändert sich nicht.
Das Licht wird nun aber nicht mit T-FF sondern mit RS-FF geschaltet. Die Konsequenz daraus ist, dass nun auch für die Lampen 2 Adressen gebraucht werden. Allerdings sollen alle Lampen (auf allen Modulen) mit einer zentralen Adresse ausgeschaltet werden. Als Lampen-Reset wird nun in der Folge die Adresse 2 festgelegt. Die alten Module gehen somit nach wie vor (schlecht), sie können später umgebaut werden ( Viertel-Modul Bahnübergang wurde bereits so umgebaut).
Auf dem Modul gibt es somit folgende Adressen:
Adr.6 (Licht auf Straßen (nicht Bahnanlagen)) - Leitung 11 auf Modulbuchse
Adr.10 (Licht nur für dieses Modul) - Leitung 12 auf Modulbuchse
Adr.1 Reset (für alle Module und Schaltelemente) - Leitung 9 auf Modulbuchse
Adr.2 Licht-Reset (für alle Module und Licht) - Leitung 13 auf Modulbuchse
Genutzt werden wie bisher der Schaltkreis 4027. Dieser JK-FF läßt relativ einfach zum RS-FF umfunktionieren ( siehe auch Seite Schaltelemente).

    Die Schaltung zu den Schaltelementen zeigt die Beschaltung des JK-FF zu einem RS-FF.
Die Schalthandlungen zum Einschalten des Lichtes (Adr.6, gilt für alle Module), der Adr.10 und zum Licht-Reset soll gleichfalls mittels Taster auch vom Modul ausgelöst werden können. Die notwendige ODER-Funktion kann mittels Dioden organisiert werden.
Aber - die Schalter auf dem Modul schalten nur die Elemente auf diesem Modul, nicht auf der ganzen Anlage!
Die eine LED vom oberen FF kann natürlich ohne Probleme auch ohne Transistor direkt vom IC betrieben werden, sie muss dann aber gegen Masse (-) betrieben werden.
beim unteren FF wurde eine weitere Schaltung ausprobiert, die Straßenlampen sollen beim Einschalten am Anfang flackern.

    Die Flacker-Schaltung
Das ist das Prinzip:
Ein Signal wird nach Einschalten erst nach definierter Zeit auf 1 gesetzt. Das zweite Signal wird mittels Generator erzeugt.
Beide Signale mit einer ODER-Funktion verknüpft entsteht als Ergebnissignal ein am Anfang flackerndes Signal, später dann leuchtet die LED konstant. Auf dem nebenstehenden Bild ist unten rechts der Signalverlauf zu sehen.

Vorgesehen war, diese Schaltungen nun auf die vorgefertigte Schaltelemente-Platte zu bringen, das geht natürlich. Die Flackerschaltung sollte dazu auf einen Universalbereich der LP. Dazu mussten dort aber doch eine Anzahl von Leitungen getrennt und Leitungsverbindungen erstellt werden. Die FF-Schaltung ist passrecht. Im Vergleich mit einer Universalleiterplatte ist insbesondere für die Flackerschaltung der Aufwand etwa gleich, jedoch wird die Platte kleiner. Es wurde deshalb auch die FF-Schaltung auf eine Universalleiterplatte gebracht.
Der Aufwand ist durchaus sinnvoll, da diese Anordnung auch für andere Module nutzbar ist.

    Das Bild zeigt die Universalleiterplatte für die gesamte Schaltung (von der Bauelementeseite).

 

Zentrale Leiterplatte ZLP

    Die ZLP entspricht im Wesentlichen der ZLP des Viertelmoduls " Bahnübergang ", es ist lediglich die Adresse 10 mit 5 mit entsprechender Leitungsbrücke zu tauschen.
Der obere Schalter auf der ZLP dient der Zuordnung der Fahrspannung - Schalter nach außen, die Fahrspannung wird vom Nachbarmodul über Leitungen 17 und 18 bezogen, im anderen Fall von der zentralen Versorgung (siehe unten).
Der untere Schalter dient der Richtungsanpassung der Fahrspannung entsprechend der Einbaulage des Moduls in die Anlage.

 

Feuerwehr-Einsatz

Weiter vorne wurde schon auf einen Feuerwehreinsatz hingewiesen. Neben dem angebrannten Haus sollen Feuerwehrautos stationiert werden, deren Blaulicht auch funktionieren soll. Auch ein Martinshorn ist vorgesehen. Im Haus soll flakerndes Licht auf ein Feuer hindeuten, ein Rauchgenerator ist bis jetzt noch nicht vorgesehen.

Realisiert werden alle Blinkschaltungen mittels Timerschaltkreis NE 555 bzw. mit NE 556 (zwei NE 555 in einem Chip).

    Das ist eine übliche Schaltung und überall zu finden.
Ergänzen sollte man noch eine Diode von Pin 7 nach 6 (Durchlassrichtung, siehe auch nächstes Bild (links)).
Am Ausgang "OUT" werden zwei LED's wie unten gezeigt angeschaltet, sie blinken abwechselnd.

    Das Martinshorn wird mit einer modifizierten Schaltung des NE 555 realisiert. Die erste Schaltung bestimmt den Takt, indem sich das Signal ändern soll, die zweite Schaltung schwingt im höheren Frequenzbereich und wird durch die erste gesteuert.
Da die Steuerung im tieferen Bereich schwingt, kann man die erste Schaltung auch gleichzeitig zur Ansteuerung von LED's nutzen.
Es bietet sich an hier gleich den Schaltkreis NE 556 zu nutzen.

Timer-Schaltung

Da dieser Feuerwehreinsatz nicht dauernd anhalten soll, irgendwann ist das Feuer auch aus, sollen diese Schaltungen nach Auslösen nur eine bestimmte Zeit angesteuert werden, das geschieht durch einen Timer mit dem NE 555.

    Das ist eine übliche Timerschaltung.
Die Ansteuerung erfolgt mit einem Sprung auf 0. Es wird ein Relais angesteuert, welches dann die Spannung aller Blinkerschaltungen zuschaltet. Abgeschaltet wird das Relais nach mit R3 eingestellter Zeit (kann man noch reduzieren, irgendwann nervt es).

    Alle diese Teilschaltungen werden zusammengefaßt und die Steuerungs- und Ausgangsleitungen auf einen Chip-Sockel gelegt. Alle Anschlüsse der LED's werden nun nur noch gesteckt.

Zu klären ist noch, wie möglichst unscheinbar der Einsatz mittels Schalter ausgelöst werden kann. Das gilt natürlich auch für alle anderen Schaltern (Licht und Grill ein).
Es wurden Mülltonnen gabaut, die dann oben drauf einen kleinen Taster aufgesetzt bekommen haben.