Modell-Bahn
Module
Elektronik
Logo Zug


Elektrische Steuerung der Module

Folgendes Problem soll gelöst werden:

Für eine modular aufzubauende Modellbahn soll die Steuerung von bestimmten Teilen zentral und unabhängig von der momentanen Anordnung der Module erfolgen, d.h. eine Lampe z.B. auf dem Modul 1 habe immer die Adresse 1 und eine Weiche immer die Adresse 2, also egal an welcher Stelle und in welcher Lage ein Modul in so eine Anlage eingebaut wird.
Die Adresse soll also fest den zu schaltenden Teilen zugeordnet werden, d.b. alle Teile müssen die gleichen Signale bekommen, das Teil selbst entscheidet, ob es gemeint ist. Das Verfahren entspricht einer Bus-Struktur.

Die Alternative wäre eine Steuerung an jedem Modul selbst. Mit dem gewählten Konzept könntge das allerdings mit Schwierigkeiten verbunden sein, es könnte sein, dass Module im Inneren der Anlage keinen Außenrand haben - wo also baut man die Steuerung hin? Eine Bedienung wäre hier nur noch von oben möglich, aber Körpergrößen, z.B Armlänge, könnten dennoch Probleme bereiten - es bleibt eigentlich nur das Bussystem möglich!

 

Busssystem

Wie im Teil " Module-Segmente-Diorama" dargestellt wurde, wird zur elektronischen Steuerung der Module ein Multiplexer-Bussystem verwendet (ein 8-Bit-Bus mit Multiplexer als Decoder). Multiplexer-Bussysteme können eine preiswerte Alternative zum digitalen Steuerungssystem sein (das betrifft nur die Steuerung der Schaltelemente auf den Modulen, nicht das Erzeugen der Fahrspannung).
Weitergehende Beschreibungen von Multiplexer-Systemen findet man unter: dig. Schaltungen/Multiplexer

Nachfolgend ist noch einmal das Prinzip des Systems gezeigt:

Jeder Schaltstelle auf dem Modul ist ein Bus-Controller (Dekoder) zugeordnet

Die Schaltstellen i bis i+2 werden durch den Bus-Controller überwacht

Es gibt jedoch für die Benutzung von Bussystemen Forderungen! Eigenart eines Bussystems ist, dass immer nur ein Signal für einen Empfänger auf dem Bus sein darf! Es geht alles schön nacheinander, was eigentlich mehr eine Forderung an den Nutzer ist.
Konventionelle Bussysteme sorgen selbst dafür, dass nicht zwei Nutzer zur gleichen Zeit den Bus benutzen können. Das erfolgt in der Regel durch entsprechende Programme auf Mikrocontroller bzw. PC's, das bedeutet, dass man so einen Mikrocontroller, einen kleinen Rechner, oder eine aufwendige elektronisch Schaltung, einsetzen muss.
Auf die Realisierung dieser Forderung wurde verzichtet, es darf nur immer ein Schalter betätigt werden, das kann man, glaube ich, ohne Probleme schaffen. Das Ergebnis ist eine relativ einfache Schaltung (für Ungeübte der Elektronik sicher doch schon sehr kompliziert)!

Stecker und Busleitungen

Ziel ist ein 8 Bit Multiplexer-Bussystem zur elektronischen Steuerung der Modulanlage aufzubauen.
Mit 8 Bit sind 256 Kombinationen möglich, d.h. es können 256 verschiedene Schaltstellen bedient werden. Das stimmt nicht ganz, denn wenn keine Auswahl getroffen wird, wird aber genau die Schaltstelle mit der Adresse 0 ausgewählt, die Kombination ist nicht für unsere Zwecke nutzbar, also sind es genau 255 Stellen. Die Adresse 0 kann man aber zur Freimeldung des Busses nutzen, also 1, der Bus ist frei, 0 besetzt.

Als nächste Frage ist das Steckersystem zu klären. Im Teil " Gedanken zu einer privaten Modulanlage " wurde das System D-SUB25 ausgewählt. Das System benutzt 25 Leitungen und entsprechende Stecker und Buchsen, diese an Leitungen oder auf Leiterplatten angelötet.
Das System ist ebenfalls in der Computerwelt eingesetzt, deshalb ist es möglich, komplette Kabel zu kaufen. Man muss jedoch genau hinschauen, denn nicht alle Kabel mit den Steckern haben auch eine 25-adrige Verbindung im Kabel (durchmessen!)!
Warum nun aber mehr Stecker als der Bus an Leitungen braucht? Die Antwort ist einfach, denn über dieses System soll auch die Fahrspannung, Versorgungsspannungen und sonstiges weitergeleitet werden. Es wäre unpraktisch zum Buskabel ein weiteres Kabel zu verlegen.
Folgende Belegung der Leitungen im Kabel wird festgelegt:
1|2 - 3|4 Fahrspannung 1
5|6 - 7|8 Fahrspannung 2 (Modulverfahren - wurde anderweitig verwendet)
9 - 16 Bus (8 Leitungen) (Ltg.9 : 20; … Ltg.16 : 27)
17 - 18 frei
19 - 20 16V Wechselspannung (Weichensteuerung mit Motor usw.)
21 +12V Versorgung De-/Kodierung
22 +5V Versorgung sonstig 1
23 +16V Versorgung sonstig 2
24 - 25 Masse gemeinsam

(Änderungen:
insbesondere bei der Spannungsversorgung wird es noch Änderungen geben,
die 16V Wechselspannung wird nicht über den Bus geführt, 16V
Gleichspannung wird es wahrscheinlich auch nicht geben, dafür aber 3V,
von den Leitungen 5 - 8 werden einige anders verwendet, z.B. zur
Verstärkung des Leitungsquerschnittes der 12V-Leitung usw.
)

Die Fahrspannungen und die Masse werden zur Verstärkung des Querschnittes jeweils über Doppelleitungen geführt. Ob alle Leitungen so auch gebraucht werden, ist noch nicht erprobt.

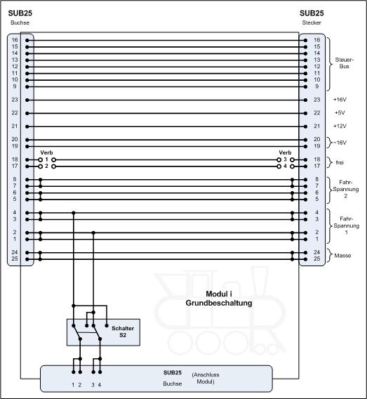
Damit kann man sich nun der Elektrik/Elektronik auf den Modulen widmen. Grundsätzlich gilt, dass alle Leitungen, mit Ausnahme der Leitungen 17 und 18, durch die Module hindurchgeleitet werden müssen. Was auf dem Modul benötigt wird, muss entsprechend abgezweigt werden. Das betrifft immer die Fahrspannung, wird Elektronik aufgebaut, dann sicher auch Versorgungsspannungen und bei Schaltstellen zusätzlich der Bus.
Für die Fahrspannung wird zur Realisierung der beliebigen Einbaurichtung des Moduls in die Anlage, ein Umschalter eingebaut. Alle weiteren Fahrspannungsanschlüsse auf dem Modul werden nach diesem Schalter abgegriffen. Weiterhin kann die Fahrspannung auch über die Leitungen 17/18 vom vorhergehenden Modul bezogen werden (zur Zusammenschaltung von Blockabschnitten). Die Zuordnung erfolgt über einen weiteren Umschalter. Soll das Modul nicht für diese Zuordnung vorgesehen werden, kann dieser Umschalter entfallen, die Leitungen ½ und ¾ werden gleich auf den Schalter S2 geführt.

Sollen die Leitungen 17/18 zugeordnet werden ergibt sich damit folgende erweiterte Grundschaltung pro Modul:

Die Ausgänge auf dem Modul werden wieder einer D-SUB25-Buchse zugeführt. Der Grund dafür ist, dass leicht alles auseinandernehmbar sein soll. Durch wahlweises Stecken der Verbindungen Verb1 - 4 kann variabel zu angrenzenden Modulen eine Verbindung hergestellt werden. Als Verbindungssystem werden 8-polige IC-Sockel und entsprechende Drahtbrücken benutzt.

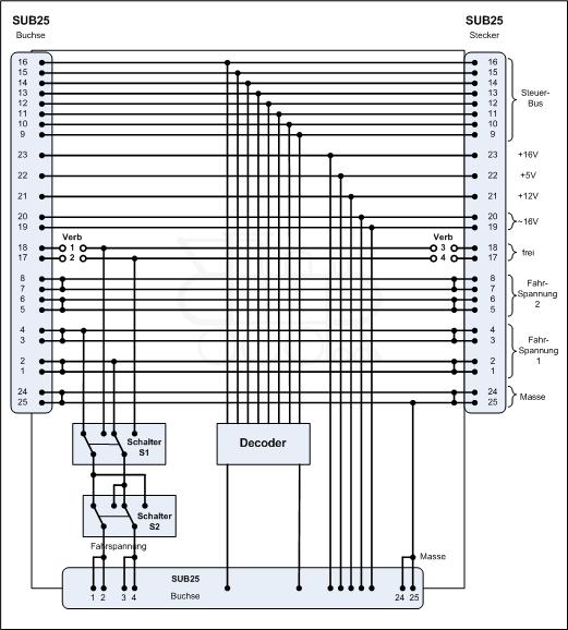
Fügt man dieser Anordnung die Steuerung der Schaltstellen hinzu, entsteht folgende Gesamtanordnung zur Verdrahtung eines Moduls:

Auf die Buchse zu den Modul-Schaltstellen müssen nun noch die vom Decoder gelieferten Signale und die Versorgungsspannungen gelegt werden. Das funktioniert nun nicht mehr, da bereits der Decoder 255 Signale liefert, da sind Vereinfachungen vonnöten!

Dekoder-Schaltungen

Zuvor soll aber auch noch der Decoder kurz beschrieben werden.

Der Decoder wird aus 1 aus 16 De-Multiplexern aufgebaut, wobei die 16 Ausgänge durch 4Bit dual kodiert werden. Verwendet wird dazu der Schaltkreis 4514 bzw. 4515.
Ein 1 aus 256 De-Multiplexer steht nicht zur Verfügung, er muss aus diesen Schaltkreisen zusammengebaut werden!
Dazu wurde folgende Schaltung entwickelt:

Setzt man diese Schaltung auch noch für das Kästchen "Decoder" im vorhergehenden Bild ein, dann entsteht ein immenser Arbeitsaufwand für ein Modul -
das ist nicht mehr vertretbar!
Es gibt nur zwei Möglichkeiten der Weiterbearbeitung

Erstere Möglichkeit wird analysiert.
Es werden nie alle 255 Schaltstellen auf einem Modul gebraucht!
Das wäre auch sinnlos, dann kann man gleich eine direkte Beschaltung auf dem Modul vornehmen. Also steht die Frage mit wie vielen Schaltstellen kommt man auf einem Modul aus? Sinnvoll ist hier natürlich immer in 16-er Blöcken zu denken, denn soviel ist mit einem De-Multiplexer-Schaltkreis zu steuern.
Es werden zwei De-Multiplexer für ein Modul vorgesehen, d.h. es stehen 32 Schaltstellen zur Verfügung, das sollte, wenn denn auch noch die Auswahl der De-Multiplexer variabel ist, allemal reichen.

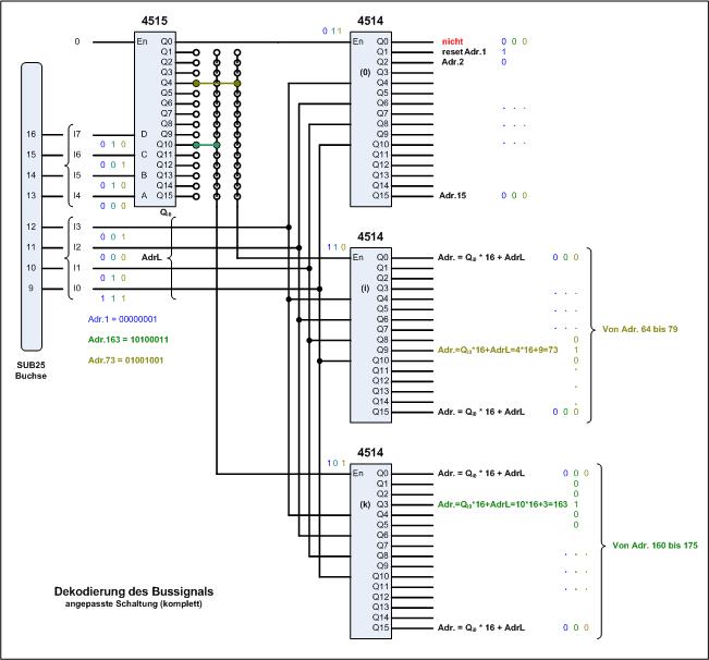
Der De-Multiplexer (0) ist fest mit dem Ausgang 0 des De-Multiplexers 4515 (obere 4 Bits der Adresse) verbunden, d.h. er gibt den De-Multiplexer (0) nur frei, wenn dieser Teil der Adresse Null (0000) ist. Der untere Teil hat z.B. den Wert 1 (0001), dann wird genau der Ausgang1 des De-Multiplexers (0) aktiv. Liegt eine andere Adresse am Eingang, z.B. 163 (10100011) dann wird Ausgang 10 (1010) (vom 4515) aktiv. Dieser Ausgang muss an den Eingang En eines weiteren De-Multiplexers gelegt werden, in diesem Fall der untere (k), dieser ist nun aktiv. Der untere Teil der Adresse ist 3 (0011) und aktiviert nun den Ausgang 3 auf diesem De-Multiplexer. Ein weiteres Beispiel zeigt die Adresse 73 (01001001), die auf den De-Multiplexer (i) gelegt wird, die Adressen müssen also nicht benachbart sein.

Reset-Behandlung: Es wird keine spezielle Schaltung vorgesehen, sondern immer der De-Multiplexer (0) genutzt. Sieht man vor, dieses immer mit dem ersten De-Multiplexer zu bearbeiten, dann stehen immer nochmals 14 Schaltstellen zur Verfügung (Adr. 0 geht nicht; Adr.1 soll reset sein). Mit diesen Adressen kann man zentrale Dinge erledigen, z.B. wird Licht überall gleichzeitig eingeschaltet, die Adresse kann auf allen Modulen benutzt werden (oder ein paar Adressen, für unterschiedliche Zuordnung und Einschalt-Zeitpunkt). Damit kommt man nun mit maximal 4 De-Multiplexer pro Modul aus (werden nur 16 Adressen gebraucht - 3 De-Multiplexer; wird nur Licht geschaltet - 2 De-Multiplexer; gibt es nicht mal Lampen - kein De-Multiplexer).

Wenn beispielsweise alle Leitungen verlegt werden, aber die De-Multiplexer (i) und (k) nicht eingebaut werden, dann funktioniert die Schaltung dennoch für die Basisadressen 1 bis 15. Die Auswahl eines weiteren De-Multiplexers, der dann aufgebaut werden muss, erfolgt durch eine Drahtbrücke vom Ausgang des De-Multiplexers 4515.

Bei der Realisierung so einer Schaltung wird dann sichtbar, dass es weitere Vereinfachungen gibt. So müssen zwar die SUB-25 Buchse und die Leitungen mit dem SUB25-Stecker des Systembusses komplett angelötet werden (50 Lötstellen), die Modulbuchse aber nicht. Bei der Einbeziehung der Bahnhofplatte "Kindgerecht" (Seiten fehlen noch auf dem Server) ins Modulsystem z.B. sind das nun nur noch 9 Lötstellen.
Auch die Multiplexer müssen nicht komplett eingelötet werden. Bei dem eben genannten Beispiel reduziert sich die Lötarbeit beim Mux-1 auf 9 Stellen (+ - A0 A1 A2 A3 Enable EL Q1) (nahezu nur 1/3) und der Muxj auf 13 Stellen, das ist etwa die Hälfte. Dann werden jedoch noch 21 Leitungen gebracht, also 42 Lötstellen noch einmal.

Realisierung

Was immer sein wird, ist die Fahrspannung und deren Umschaltbarkeit. Wir brauchen also eine zentrale Verdrahtung (pro Modul) für die Fahrspannung und einem variablen Decoder mit maximal 4 De-Multiplexern. Außerdem müssen die Versorgungsspannungen variabel zuschaltbar sein.

Für diese Aufgabe bietet es sich an eine universelle Leiterplatte zu entwickeln. Der prinzipielle Aufbau könnte wie folgt aussehen:

Die D-SUB25-Buchse links wird auf die Platte aufgelötet. Dahinter wird sofort das Kabel mit dem D-SUB25-Stecker angelötet. Von hier werden die Leitungen des Busses in beschriebener Weise auf die De-Multiplexer-Schaltkreise verteilt, die Fahrspannung auf die Schalter und die weiteren notwendigen Leitungen ebenfalls auf die Modulanschluss-Buchse. Nun reichen die 25 Leitungen dieser Buchse, die müssen nicht genormt sein aber doch weitgehend gleich, Fahrspannung ist auch hier Leitung 1 / 2 und 3 / 4 usw..

Die Anschlussbelegung des 4514/15 muss genau beachtet werden. A0 bis A3 sind die 4 Busleitungen, wobei A0 20 und A3 23 entspricht. Die Eingänge müssen immer beschaltet sein. Besonders aufpassen muss man bei den Ausgangsleitungen, die haben eine sehr wirre Anordnung. EL wird auf 1 (+) gelegt, En ist die negierte Enable-Leitung, liegt hier also 0 an, ist der Demultiplexer aktiv.

Folgende Leiterplatte wurde entwickelt (ZLP V2):

Die Leiterplatte ist 12,5cm x 10cm groß. Bei einer Breite von 15,6cm eines Viertelmoduls (innen 14cm) bleiben für den Stecker zum Anschluss der Modulelektrik noch 4cm - das reicht (wenn man nicht gerade den unten gezeigten Stecker anbringen will, der passt nicht).
Für die Schalter werden kleine Kippschalter genutzt, für die einfach Löcher zur Befestigung in die Platte gebohrt werden, die Verschaltung erfolgt über Drahtbrücken. Die grün gezeichneten Leitungen zeigt gesamt die Verdrahtung ohne Steuerung von Schaltstellen auf dem Modul.
(IC -1 = De-Multiplexer 4515; IC 0 = De-Multiplexer (0); IC i = De-Multiplexer (i); IC j = De-Multiplexer (j); die grauen Kreise sind Löcher zum Befestigen der Buchsen, Schalter, des Kabels und der Platte selbst (oben links fehlt ein Loch); bei der Befestigung der Buchsen müssen zur Isolation unter die Schrauben/Muttern isolierende Scheiben gelegt werden; auf der Leiterplatte ist mit den grünen Leitungen die Grundverdrahtung angedeutet)

Der Aufbau auf einer Universalleiterplatte wurde auch probiert, der Aufwand ist jedoch erheblich, so dass eine spezielle Leiterplatte wesentliche Vereinfachungen schafft!

Die Platte hier könnte maximal 3 De-Multiplexer aufnehmen (3. anstelle der Schelle). Neben den vielen Drahtbrücken sind die D-SUB25 Buchsen ein Problem für die Universalleiterplatten, denn diese haben ein Rastermaß von 2,5mm. D-SUB25 hat ein Rastermaß von etwa 3mm und außerdem in 2 Reihen versetzt, das passt überhaupt nicht.

   

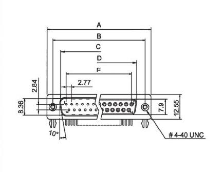
Geometrische Daten des D-SUB25 Systems
(die Stifte sind genau 2,77mm, die beiden Stiftreihen 2,84mm auseinander, da braucht man immer Spezial-Leiterplatten)
Sicher gibt es auch passrechte Universalleiterplatten, der Aufwand wird aber immer hoch sein.

Das ist nun die universelle zentrale Leiterplatte der Module (von Leiterseite aus gesehen, einmal nach rechts umgeklappt). Rechts unten sind die Löcher für die beiden Umschalter angedeutet, rechts die Bus-Buchse, unten die Modulbuchse und daneben der Platz für 4 De-Multiplexer.
Mit der Platte können nun 32 + 15 = 47Adressen angesteuert werden, von den 32 sind die Anfangsadressen zu jeweils 16 * i (i von 1 bis 15) frei wählbar. Damit könnten 16 Weichen, Signale und/oder Abschaltgleise gesteuert werden, soviel passt kaum auf ein Modul. Zusätzlich gibt es Adressen für zentrale Aufgaben von 1 bis 15 (1: reset). Werden die De-Multiplexer i und k eingesetzt, werden sicher die Leitungen auf dem Modul-Stecker nicht ausreichen, die Leitungen können nur über ein zusätzliches Kabel auf eine weitere Buchse geführt werden, der Fall wird jedoch selten auftreten.

Der Aufbau der Leiterplatte in der Grundversion ohne Bussteuerung ist unter Modul Brücke1 ausführlich beschrieben,
der Aufbau mit Steuerung zentraler Schaltstellen (Licht) unter Modul Bahnübergang
und eine Steuerung mit 14 Bus-Adreseen unter Modul Kieswerk

Es existiert bereits eine weitere zentrale Leiterplatte (ZLP V3). Die wesentlichen Änderungen zum Vorgänger V2 bestehen in einer erweiterten Verteilung des Busses, so dass 2 Busleitungen mit Stecker angeschlossen werden können. Damit wird diese Leiterplatte leichter für Gleis- und damit auch für Busverzweigungen einsetzbar:

    Als weitere Änderung wurden am Platz des Multiplexers i (oben rechts) mehrere Lötaugen angebracht. Dies erwies sich als sinnvoll, da es in bestimmten Situationen mit dem Reset-Signal Schwierigkeiten geben kann. Diese Anordnung gestattet es weitere externe Bauelemente unter zu bringen.
Erste Versuche zeigen jedoch, dass hier noch mehr getan werden kann. Das Ergebnis wird sich in einer zentralen Leiterplatte ZLP V4 widerspiegeln.