Modell-Bahn
Bhf Kindgerecht

Prinzip - Elektrik - Realisierung
(ohne Elektronik - nur Relais)
Logo Zug


Kindgerecht?
Wenn man einmal genauer nachfragt, was ist eigentlich "kindgerecht", so findet man keine richtige Definition.
Wenn einer sagt, dass z.B. das Zimmer kindgerecht eingerichten ist, dann verpackt er eigentlich seine eigene Meinung unter diesem Begriff, ob das aber wirklich so ist, sieht ein anderer ganz anders - eine Definition ist das also nicht!

"Bevor ein Kind etwas begreifen kann, muss es seine Umwelt greifen können, bevor es etwas erfassen kann, muss es die Dinge fassen können."
sagt http://www.aok.de/hessen/gesundheit/

Ich glaube, man könnte an dieser Stelle bereits vom Experiment sprechen.

"Das Experiment ist somit ein wesentlicher Bestandteil im wissenschaftlichen Fortschrittsprozess. ... Neben der Funktion in der Wissenschaft, in der es auf Galileo Galilei zurück geht, sind Experimente eine didaktische Methode. Außer durch wissenschaftliche Ausbildung finden experimentell gewonnene Erkenntnisse über die Kunst den direkten Eingang in das allgemeine Verständnis."
(Definition ergänzt von Travis am 10.01.2013)
unter: http://www.fremdwort.de

Durch Probieren einen Weg finden - genau das soll mit dem folgenden kleinen Anlagenstück erreicht werden.

Außerdem soll gezeigt werden, dass es zur Realisierung einer kleinen Anlage nicht immer teure Elektronik sein muß und das,
obwohl dieser Bahnhof mit nur 5 Taster bedienbar ist (6-te Taster ist nicht unbedingt notwendig)!


Es soll ein kleiner Bahnhof aufgebaut werden.
Warum gerade ein Bahnhof?
Weil gerade bei einer " Teppichbahn " beim Aufbau dort am meisten Aufwand betrieben werden muss. Das betrifft sowohl den Zusammenbau der Schienen aber besonders auch die Elektrik zur Steuerung - das soll eben fest aufgebaut werden.
Der weitere Teil der Teppichbahn kann nun immer beliebig neu gestaltet werden. Natürlich können auch andere Elemente fest aufgebaut werden - man nähert sich dann langsam einem Modulsystem (siehe unten).

Das soll der einfache kleine Bahnhof sein:

Zwei Durchgangsgleise und ein Abstellgleis.

Die Durchgangsgleise sind gleich lang, das Abstellgleis beginnt also schon davor.

Die Durchgangsgleise sollen von der Fahrspannung abschaltbar sein (GL1 bzw. Gl2) und jeweils an deren Ende erfolgt eine weitere Trennung (GL11 ... Gl22), so dass der Zug hier stehen bleiben kann.
Die Abschaltung soll durch jeweils ein Signal gekennzeichnet werden. Der Halt des Zuges soll natürlich nur in Fahrtrichtung des Zuges erfolgen, in der anderen nicht.
Die Betätigung eines Taster für den jeweiligen Gleisabschnitt soll die Weiterfahrt organisieren.
Die gesamte Steuerung des kleinen Bahnhofs erfolgt ausschließlich durch 5 (bzw. 6) Taster!

Ausgangssituation

Auf Gleisabschnitt Gl22 steht die Lok eines Zuges (der nach links fahren will) und aud Gl11 eine weite Lokomotive.
Der Zug aus Gl22 soll fahren! - der Taster für Gl22 wird betätigt

    Links das Bild soll sybolisch einen Taster darstellen, was muss mit Betätigung des Tasters passieren?
  1. Das Signal wird von rot auf grün gestellt.
    Allerdings soll das nur solange erfolgen, wie der Taster betätigt wird. Das erspart eine Kennung für das Rückstellen des Signals bei Verlassen des Gleisabschnittes Gl22.
  2. GL22 mit Fahrspannung versorgen (ebenfalls nur für die Zeit der Betätigung des Tasters).
  3. Ein ganz wichtiger Punkt ist das Stellen der Weichen!
    Weiche W2 muss auf gerade gestellt werden W3 auf krumm.
    Das richtige Stellen der Weiche bereitet Kindern sicher Schwierigkeitgen, wie selbst auch teilweise Erwachsenen. Die Art der Steuerung hängt vom Weichenantrieb ab.
  4. Folgendes Problem ergibt sich nun.
    Da das Signal zum Gleisabschnitt Gl11 für eine Fahrt nach links nicht in Fahrtrichtung steht, wird nun auch der Zug auf Gleis Gl1 fahren solange, bis die Lok in Gl12 angekommen ist. Die Wagen sind aber nun schon auf der Weiche W2, es gibt eine Kollission.
    Um dies zu verhindern muss Gleis Gl1 einschließlich der Abschnitte Gl11 und Gl12 von der Fahrspannung abgeschaltet werden - das muss ebenfalls mit dem Taster erledigt werden.
  5. Um Punkt 4 erfüllen zu können, muss ein Umschalter zur Fahrspannungsversorgung zwischen den Gleisen Gl1 und Gl2 entsprechen mit dem Taster organisiert werden.

Das Abstellgleis dient dem Abstellen von angetriebenen Fahrzeugen und Wagen, ist normal von der Fahrspannung getrennt.
Das Gleis ist in zwei Abschnitte mit jeweils eigener Fahrspannungsversorgung getrennt.

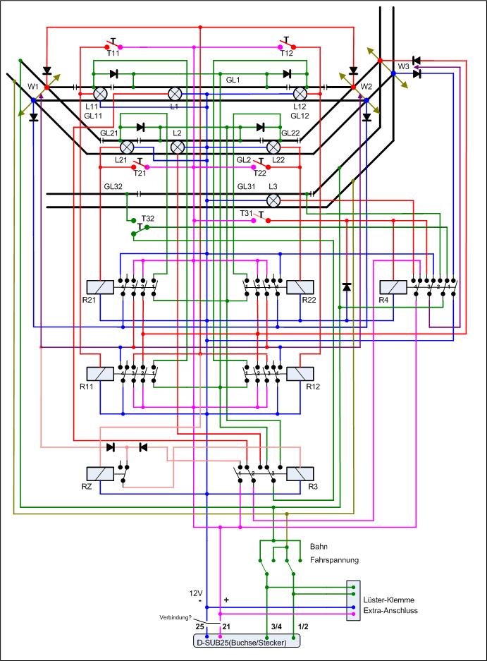
Zeichnet man alle Funktionen symbolisch mit auf, ergibt sich folgendes Bild:

        Links die Bilder sollen die Funktion der Schalter symbolisieren.
Bei Ansteuerung des Schalters wird er in Richtung des ausgemalten Pfeils gezogen. Ist der Pfeil nicht ausgemalt, wird der Schalter ohne Ansteuerung automatisch in diese Richtung gehen (linkes Bild). Das rechte Bild bedeutet, der Schalter hat zwei stabile Zustände, bleibt also ohne Ansteuerung in der momentanen Position stehen.

Realisierung

Man sieht sofort, dass die Realisierung auf eine Menge logischer Funktionen hinführt. Das kann man natürlich mit elektronischen Bausteinen sehr gut durchführen. Dann aber muss die Ansteuerung der Teile auf dem Bahnhof erfolgen und das kann der Elektronik Schwierigkeiten bereiten, bzw. erfordert einen größeren Aufwand. Das betrifft insbesondere die Schaltung der Fahrspannung und auch die Steuerung der Weichen.
Ohne größeren Aufwand kann man als Endglied bei der Steuerung Relais einsetzen. Und wenn diese viele Kontakte haben, kann damit aber auch gleich die Logik realisiert werden!

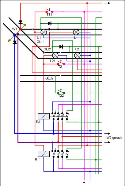
Realisierung der Signalsteuerung

    Steuert man mit dem Taster für den Gleisabschnitt Gl11 ... Gl22 jeweils ein Relais an, so kann natürlich einfach ein Umschaltkontakt für die Ansteuerung der Signallampen genutzt werden. Das könnten nun Glühlampen sein, aber auch LED's.
Das Bild links zeigt das Prinzip.

    Da es jedoch mit den Relaiskontakten knapp werden könnte, wurde nach einer anderen Lösung gesucht.
Das funktioniert, indem man die beiden LED's mit Vorwiderstand in Reihe schaltet. Das Ergebnis wäre, dass nun beide LED's leuchten. Um das zu verhindern wird die untere LED, die grüne, samt Vorwiderstand durch einen kleineren Widerstand (in diesem Fall 220Ohm) überbrückt. Der Spannungsabfall ist nun über den unteren Zweig so gering, dass die rote LED leuchtet, die grüne LED nicht mehr.
Jetzt kommt der Taster ins Spiel, er überbrückt den oberen Zweig und legt die gesamte Spannung auf den unteren Zweig. Nun leuchtet nur noch die grüne LED. Gleichzeitig wird auch die Betriebsspannung auf der Ausgangsleitung bereit gestellt, hiermit könnte nun das Relais geschaltet werden.
Zu bemerken ist, dass nun auch noch der ohmsche Widerstand der Relaisspule parallel zum 220Ohm Widerstand geschaltet ist. Beträgt der Spulenwiderstand etwa 220Ohm dann kann der zusätzliche Widerstand entfallen!

        Kindgerecht bedeutet, dass der Taster zur Betätigung des Signals und Relais in der Nähe des zu schaltenden Signals angeordnet wird. Da das am Boden zwischen den besetzten Gleisen zu Schwierigkeiten führen könnte wurde kurzer Hand der Taster auf dem Signal angeordnet.
Das Signal muss nun sehr robust sein, wurde deshalb selbst erstellt. Die Front besteht aus Sperrholz und nimmt die beiden Dioden auf. An die Seiten wurde Pappe geklebt so, dass nun ein kleiner Hohlraum entsteht, in dem die drei Widerstände untergebracht werden konnten. Als Dach erhält es ebenfalls eine Pappe und darauf den Taster, einen kleinen Mikrotaster.
Nach dem Verdrahten wird das Signal auch hinten mit einer Pappe geschlossen.
   

Realisierung der Fahrspannungs-Steuerung

Generell wird nur eine Schiene unterbrochen, dementsprechend muss auch nur eine Spannung gesteuert werden.
Hier kommt nun ein Relais zum Einsatz, die Kontakte werden geschlossen und nun ist es egal welcher Strom über die Kontakte fließt, ob Wechsel- oder Gleichstrom oder gar nur Impulse, die Größe des Stroms darf nur nicht die Leitfähigkeit des Kontaktes übersteigen.

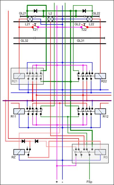
    Die Schaltung zeigt einen Ausschnitt aus der Gesamtsteuerung.
Ausgangssituation ist, dass Gleis Gl1 zugeschaltet ist, aber nun ein Zug aus Gleis Gl21 nach links ausfahren soll.
Es wird der Taster T21 auf dem Signal betätigt.
Damit schaltet das Relais R21 und schließt 4 Kontakte. Uns interessieren im Moment aber nur Kontakt 1 und 3. Über den Kontakt3 wird + über eine Leitung und Diode auf den Öffner von Relais RZ gelegt. Damit liegt nun + an der Relaisspule von R3, das Relais schaltet.
Der Kontakt 1 legt nun dauerhaft + auf die Relaisspule R3, das Relais ist im Selbsthaltemodus, es bleibt in der umgeschalteten Stellung. Gleis Gl2 erhält Fahrspannung
Nun funktioniert auch Kontakt 1 von R21, die anliegende Fahrspannung wird auf den Gleisabschnitt Gl21 gelegt, der Zug kann fahren, aber nur solange der Taster T21 gedrückt wird (wenn er noch in Gl21 ist).
Gleis Gl2 bleibt zugeschaltet. Soll wieder Gl1 Fahrspannung erhalten, geht das nur, wenn Relais R11 oder R12 das Relais RZ ansteuern und damit die Selbsthaltefunktion von R3 unterbrechen.
Ist die Fahrspannung negativ, kommt die Diode am Gleisabschnitt Gl21 in Aktion, der Abschnitt erhält Spannung. Das passiert aber nur, wenn das Signal nicht in Fahrtrichtung steht!

Realisierung der Weichen-Steuerung

    Verwendet werden soll dieser Antrieb!
Das erwies sich als notwendig, da der ganze Bahnhof nur auf einer Sperrholzplatte aufgebaut werden sollte, damit der Übergang zur Teppich-Bahn leicht ist. Die Antriebe werden von oben auf die Platte montiert. Da das Piko A-Gleis verwendet wird, kann natürlich auch der Originalantrieb verwendet werden, diese benannten Antriebe sind etwas preiswerter aber nicht auch unbedingt besser!

Etwas schwierig erweist sich die Ansteuerung dieses Antriebes. Unter "Weichensteuerung" habe ich einmal alle möglichen Varianten zur Ansteuerung des Antriebes zusammen getragen

    Aus den dargestellten Möglichkeiten wurde diese realisiert. Dies ergab sich aus der Forderung, dass der Schalter zur Ansteuerung der Relais noch weitere Funktionen hat und die Polarität nicht getauscht werden kann.
Das bedeutet, dass pro Relais 2 Einschaltkontakte gebraucht werden, der Mittelkontakt des Antriebes wird von beiden Relais gemeinsam angesteuert.

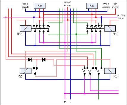
Steuerung der Weichen W1 und W2

    Zur Vereinfachung wurde festgelegt, dass Weiche W1 und W2 immer zusammen geschaltet werden, d.b. wird T21 zur Ausfahrt eines Zuges betätigt, schaltet auch Weiche W2 auf gerade.
Nun zur Funktion der Schaltung.
Wird Taster T21 betätigt, so zieht Relais R21 an und verbindet alle Kontakte, über Kontakt4 wird - an den Weichenantrieb und über Kontakt3 + an den Mittelkontakt der Weiche gelegt. Kontakt2 schaltet die Weiche3 auf krumm.
Wird hingegen Taster T11 betätigt, zieht Relais R11 an und legt + auf den Weichenantrieb und - auf den Mittelkontakt und natürlich auch Weiche W3 auch auf krumm, nun sollte alles funktionieren.
Irrtum, zu spät wurde beachtet, dass die Weichen ganz dicht am Platten-Rand angebracht werden mussten, so dass für den Antrieb nur eine Aufbaurichtung in Frage kam, die war entgegengesetzt zur anderen Weiche. Die Konsequenz war, das mit der gleichen Ansteuerung nun die Antriebe von Weiche W1 und W2 in die entgegensetzte Richtung schalteten.
Es ist mir nicht gelungen nur durch eine andere Zuordnung der Leitungen den Antrieb umzupolen. Im Endeffekt musste der Antrieb aufgemacht und die Anschlüsse des Motors vertauscht werden. Leider wurde dabei auch die Justierung der Endabschaltkontakte etwas verstellt - es hat sehr viel Mühe gemacht, das wieder funktionsfähig zu bekommen, also Vorsicht!
Die Bezeichnung und Darstellung L11 bzw. L21 ist die symbolische Darstellung des Signals mit der oben angegebenen Beschaltung.

Steuerung der Weiche W3

    Die Steuerung der Weiche W3 erfolgt etwas anders als die Weichen W1 und W2. Mit Taster T31 soll W3 auf gerade geschaltet werden, die Fahrspannung auf Gleis GL31 zugeschaltet und die Fahrspannung von den Gleisen Gl1 und Gl2 weggeschaltet werden.
Mit Taster T31 wird das Relais R4 geschaltet. Solange wird über Kontakt3 die Mittelanzapfung des Weichenantriebes auf - gelegt, + kommt von den Relais R11 ... R22. Jetzt legt das Relais R4 über Kontakt3 + auf die Mittelanzapfung und über Kontakt1 - auf den Antrieb. Kontakt2 erfolgt die Umschaltung der Fahrspannung.
Probleme gibt es mit dem Mikrotaster für den Taster T31. Offensichtlich ist die Induktionsspannung am Relais so groß, dass der Taster nach einigen Schaltungen nicht mehr funktioniert. Ein leistungsstärkerer Taster und eine Schutzdiode können Abhilfe schaffen.

Taster T32 ist ein Mikrotaster mit Umschaltkontakt.
Wird der Taster nicht betätigt, so wird die Fahrspannung von Relais R4, Kontakt2 weiter auf die Gleise Gl1 und Gl2 geschaltet. Wird er hingegen betätigt, so erfolgt eine Unterbrechung der Weiterleitung der Fahrspannung, sie wird auf Gleis Gl32 gelegt. Nun kann ohne Problem auf diesem Gleisabschnitt ein Fahrzeug bewegt werden, ohne dass Fahrzeuge auf den Gleisen Gl1 und Gl2 reagieren.

Hilfsrelais RZ

    Hätten die Relais R11 und R12 jeweils noch einen weiteren Kontakt, einen Öffner, wäre das Relais RZ nicht notwendig. Relais mit mehr als 4 Umschaltern sind schon selten, es musste eine andere Lösung her. Ansonsten könnte man diese beiden Öffner in Reihe zum Anschluß von Relais R3 schalten. Nun eben diese Lösung.
Angenommen Gleis Gl1 ist in Nutzung, es soll aber nun ein Zug aus Gl2 ausfahren. R21 oder R22 legen dazu auf die Mittelanzapfung der Weichen W1 und W2 über die Kontakte 3 bzw. 2 +. Dieses wird nun zugleich genutzt um über die Diode und den Öffner von RZ auch an R3 zu legen. R3 zieht nun an und legt über den Kontakt 1, über die dieode und Öffner von RZ dauerhaft + an R3. Auch wenn nun R21 oder R22 nicht mehr betätigt wird, Gl2 hat Fahspannung und der Zustand bleibt bestehen.
Nun soll wieder eine Aktion auf GL1 erfolgen. Dazu muss R11 oder R12 betätigt werden, diese legen + auf den Plus-Anschluss von W1 und W2, dieses wird nun ebenfalss auf RZ gelegt, der Kontakt wird geöffnet und R3 schaltet wieder um.

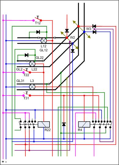
Gesamtschaltung

    Das ist nun die Gesamtschaltung - ich gebe zu, das ist nicht gerade übersichtlich und einfach. Aber mit elektronischer Logik wären alle Relais, außer RZ auch nötig gewesen, also warum nicht gleich so?
An hand der Farben kann man leicht auch die einzelnen Funktion der Verbindungen ersehen:

Man muss sich vielleicht nun überlegen, wo die Relais auf der Platte untergebracht werden - an den zu steuernden Elementen oder vielleicht besser zentral? Da jedes Relais an mehreren Stellen auf der Platte Aktionen auslöst, kann man diese nicht genau zuordnen und außerdem gibt es auch viele Leitungen zwischen den Relais - also soll es einen zentralen Relaisblock geben!

Der Umschalter für die Fahrspannung (unten) wurde angebracht, da dieser Bahnhof auch mit in dem Modul-System genutzt werden soll (deshalb auch die SUB25-Buchse).
Die Versorgungsspannung 12V wurde nicht vom Modulsystem übernommen, die wird ja auch beim Bahnhof gebraucht, wenn er als Teppichbahn funktioniert.

Ich glaube, es ist Fakt, dass man so eine Bahnhofssteuerung als Teppichbahn nicht aufbauen wird!


Der reale Aufbau des Bahnhofs

Erste Zielstellung war, den Bahnhof für die "Teppichbahn"      
nutzen zu können. Man braucht also einen Übergang von der Höhe des Bahnhofs auf den Teppich, auf die Ebene ohne Unterlage, d.b. die Unterlage des Bahnhofs sollte möglichst niedrig werden.
Es wurde eine Sperrholzplatte von 6mm Dicke verwendet. Da aber nun doch eine etwas umfangreichere Verdrahtung zu realisieren war (siehe Gesamtschaltung) aber unter der Platte keine Leitungen sein dürfen, sie soll ja platt auf dem Boden liegen, musste eine andere Lösung her.
Es wurde an einem Rand der Platte ein Kabelkanal angebracht, von dem aus meist immer senkrecht in Schlitzen in der Sperrholzplatte die elektrischen Teile versorgt werden. Schlitze sind gut, denn so kommt man zugleich unter den Schienen hindurch. Die Schlitze können natürlich nur etwa 3mm tief sein und werden nach volständiger Verdrahtung mit Papierstreifen zugeklebt (in folgenden Bildern) - so entsteht eine sehr "aufgeräumte" Platte. Bleiben natürlich noch die zentralen Verdrahtungspunkte, insbesondere die vielen Relais?
   
Teppichbahn / zusammengesteckte Gleise
Die "Anlage" existiert nicht, alle Schienen, Fahrzeuge und Gestaltungselemente liegen in Kartons und werden nach Bedarf zusammengefügt. Die "Anlage" sieht jedes Mal anders aus. Der Nachteil ist natürlich, dass unendlich viel Zeit für die elektrische Verdrahtung gebraucht wird, die Drähte immer querdurch gehen und stören. Verwendet man eine digitale Steuerung, dann können Signale und Weichen über das Gleis gesteuert werden, es werden Leitungen gespart. Eine Landschaft besteht nur aus ein paar hingestellten Häusern, Bäumen und Fahrzeugen. Diese Gruppe wird auch als Teppichbahner bezeichnet.

Im linken Bild ist rechts der Kabelkanal zu sehen und auch die davon abgehenden Schlitze für die Versorgung der elektrischen Elemente. Irgendwelche Kabel sieht man kaum noch. Die beiden LED's im Vordergrund zeigen an, welches Gleis Fahrspannung hat.
Auf dem linken und rechten Bild ist das Bahnhofsgebäude zu sehen und rechts noch ein Berg und eine Art Stellwerksgebäude.
Als Schienen wurde das PIKO A-Gleis verwendet. Der Bogen der Weichen ist zwar recht groß (man braucht viel Platz), es macht aber einen guten Eindruck. Sehr gut ist auch, dass es zu diesem System einfache Unterbrechungsmöglichkeiten der Gleise und auch passrechte Schienenschrauben gibt.
    Die Schilder gelten eigentlich nur bei Oberleitung oder Seitenleiter, haben aber hier auch diese Funktion. Solange die Lok noch nicht das Schild erreicht hat, muss man den Taster auf dem Signal drücken, eben doch dort eine Unterbrechung.

Stellwerk

Das Stellwerk hat es in sich!
Im oberen Stockwerk befindet sich das eigentliche Stellwerk, die Inneneinrichtung entspricht der eines mechanischen Stellwerkes. Darunter befindet sich der Raum für die Spannwerke, der in diesem Fall etwas groß geraten ist, aber das letzte Bild in der Reihe zeigt warum - hier wurden die für die oben beschriebene Schaltung notwendigen Relais untergebracht, das sieht auf Grund der Enge sehr wild aus.

    Die Relais (es sind alles alte Relais) wurden verkehrt herum in passende Aussparungen in ein Bodenbrett gesetzt, somit sind die Anschlussstifte oben und können nun leicht verdrahtet werden. Die Verdrahtung im rechten Bild sieht noch ordentlich aus, es wurde dann anders!
Etwas unterschätzt wurde auch, das 27 Leitungen von diesem Block zu verschiedenen Stellen auf dem Bahnhof laufen, es wurde dann schon schwierig alles in den Schlitz im Boden unterzubringen.
Als besonderer Gag wurden an den unterschiedlichsten Stellen im Block farbige LED's angeschlossen, die durch einen Schlitz im Boden des Stellwerksraumes, diesen nun unterschiedlich beleuchten. Wo die LED's angeschlossen sind, geht aus der Verdrahtung des Blocks hervor.

"Anschlussberg"

Das zweite wichtige "Bauwerk" ist der Berg, hier erfolgt die Versorgung des Bahnhofs mit Fahrspannung und mit 12V für die Steuerung und Beleuchtung.

    Von diesem Punkt aus werden die nicht schaltbaren Gleisabschnitte mit Fahrspannung, und der Relaisblocks und alle Beleuchtungen mit 12V versorgt. Auffallend sind 2 Schalter und ein weiteres Relais. Der eine Schalter dient der möglichen Einbeziehung des Bahnhofs ins Modulsystem, dazu gibt es später eine Beschreibung.
Es wäre auch denkbar, je nach dem aus welchem Gleis ein Zug fahren soll, die Fahrtrichtung umzuschalten. Hat man einen Kreis kommt der Zug auch wieder genau auf dem Gleis an, man braucht nur noch das entsprechende Signal betätigen. Die Umpolung der Fahrspannung nimmt das Relais vor und wird von der Gleisanzeige Gleis2 gesteuert. Damit das nicht immer so ist, kann mit dem anderen Schalter die Ansteuerung abgeschaltet werden.

    Das ganze wird durch einen Berg verdeckt.
Auf dem Berg gibt es einen Rastplatz mit Bänken und auch noch Beleuchtung (die Lampen können mittels Mikro-Schalter geschaltet werden).
Sehr viel Freude haben die lustigen "Tannen" bereitet - sind ja auch "Tannen"-Zapfen von den verschiedensten Bäumen.

Bahnhofsgebäude

   
    Das Bahnhofsgebäude war ja bereits weiter oben schon zu sehen, es verdeckt keine weitere Elektrik, es hat jedoch seine eigene. Entsprechend der Darstellung im Ausschneidebogen des Bahnhofsgebäudes wurde dieses in mehrere Räume unterteilt und zum Teil auch eingerichtet. Und sie können einzeln beleuchtet werden. Im Dienstraum gibt es einen Bahnarbeiter, der Fahrkarten verkauft und im Schalterraum einen Mann, der wohl eine haben will.

In einem der oberen Räume schaut jemand Fernsehen, es ändern sich sichtbar die Farben, im anderen Raum wurde die Elektronik dazu installiert. Ohne das ich etwas dazu gesagt habe, wurde es von den Kleinen als Fernsehen identifiziert.
Es handelt sich um einen Gegentakt-Blinker mit sehr weichem Übergang.

Diese Schaltung stammt aus einem Adventskalender von Conrad aus dem Jahre 2010. Die Geschwindigkeit wird mit dem Elko, in diesem Fall 22uF, eingestellt, die anderen Kondensatoren regulieren den Übergang, kann man mit experementieren.
Als aktives Bauelement wird der Operationsverstärker LM358 verwendet.
Für die LED's kann man natürlich jede beliebige Farbe verwenden, sie sollten am besten sehr viel Licht abgeben.

   
(von der Bauelementenseite
gesehen)

Das Bahnhofsgebäude wurde auf eine weitere Sperrholzplatte gebaut, die dann gleichzeitig Bahnsteig ist. Der Bahnsteig erhielt nach bekannter Bauart noch zwei Lampen. in dem Zwischenraum zwischen Gebäude und Kabelkanal wurde ein Miniaturschalter (8 Schalter, auf Leiterplatten üblich) gesetzt, der jede enzelne Leuchtstelle schalten kann. Die Verdrahtung läuft unter dieser Platte in Schlitzen, die Platte ist nur angeschraubt, so kommt man auch noch an die Elemente.

Mechanik des elektrischen Weichenantriebes

Es ist ja schon klar, dass auch der Antrieb auf die Platte muss. Gut geeignet dafür ist der Originalantrieb zum Gleissystem. Da aber genau bei einer Weiche der Antrieb kein Platz mehr hat, wurde gleich auf die oben genannten Antriebe orientiert.
Natürlich sind das Universal-Antriebe und müssen an die spezielle Anwendung angepasst werden. Die Anpassung betrifft insbesondere den Stellweg des Antriebes. Dieser beträgt etwa 7mm, die Weichenzungen legen jedoch nur einen Weg von 3mm zurück. Die mitgelieferten Federdrähte sollen das ausgleichen, jedoch ist das in diesem Fall pro Richtung dann 2mm, sicher zu viel.
Das nächste Problem ist die mechanische Verbindung des Antriebes mit dem Weichenbalken. Von unten ist das kein Problem, von oben ist die vorgesehene Verbindung mit dem Originalantrieb eben auch auf der anderen Seite. Mir ist es nicht gelungen von oben, bzw. der Seite, eine mechanisch stabile Verbidung zu gestalten.
Der Weg von unten geht nur mit einem speziell gebogenen Draht, der in einem Schlitz läuft. Der Federdraht greift in eine Öse ein, die innen 4mm lang ist, damit werden die 4mm zusätzlicher Weg ausgeglichen. Die Öse sollte auch breiter als der Schlitz sein, womit sie auch von oben eine mechanische Führung hat (die angegebenen Masse sind entsprechend anzupassen).

   

Übergang zur Teppichbahn

Das waren ja die ersten Überlegungen, einfach eine Schiene mit dem entsprechenden Steckelementen anbauen - aber weiß man genau welches Schienensystem auf dem Teppich verlegt werden soll, ich habe noch einige Schienen vom alten PIKO Gleis aber es sollte auch das neue PIKO A-Gleis verwendet werden können?
Man weiss auch nicht ob ein Bogen rechts oder links oder besser eine Gerade folgen soll. Als Lösung wurde so verfahren:

   
  • die Schienen auf der Bahnhofsplatte enden direkt am Plattenende ohne jegliche Verbindungsstifte.
  • es wird ein kleines Verbindungsstück (Sperrholzbrettchen, gleiche Dicke wie Bahnhofsplatte) mit Blechstreifen und Schrauben fest an die Bahnhofsplatte angeschraubt. Als Schrauben muss man natürlich Senkkopfschrauben verwenden die von unten eingesteckt werden (es muss alles flach aufliegen).
  • auf dieses Verbindungsstück wird ein kleines Stückchen Schiene (habe 4 Schwellen benutzt) aufgeschraubt, wobei das eine Ende mit dem Plattenrand abschneidet und wieder keine Verbindungsstifte hat. Das andere Ende endet auf der Platte und hat für das folgende System die Verbindungsstifte. Diese Seite wird auch schon etwas abgesenkt.
  • elektrisch müssen die Teile noch verbunden werden. Dazu muss man ein eindeutig gepoltes Stecker/Buchsen-System verwenden (Buchse auf Bahnhofsplatte, Stecker mit Kabel am Verbindungsstück). Ich habe alte Lautsprecheranschlüsse genutzt.

Unten im Bild ist so ein Verbindungsstück gezeigt, oben in Verbindung mit der Bahnhofsplatte. Das ist der Übergang auf das alte Schienensystem, in gleicher Weise gibt es so zwei Platten fürs neue System.

Übergang zum Modulsystem

Der Übergang zu einem Modulsystem war eigentlich gar nicht geplant. Da aber schon mehrere Teile zu meinem Modulsystem vorhanden sind, sollte dieses Teil, auch wenn es nicht richtig passt, auch mit einbezogen werden, dann kann man das Teil nur mal so zum spielen schnell einmal aufbauen, aber auch das dann schon bekannte Teil im Modulsystem nutzen.

Genau betrachtet hat man mit der Übergangsvariante (Übergang Bahnhofsplatte - Verbindungsstück) das Konzept von Modulen oder Segmenten schon genutzt, die Schienen endet senkrecht zum Plattenrand ohne Verbindungsstifte. Was fehlt, ist die Geometrie und die elektrische Verbindung entsprechend dem gewählten Modulsystem.
Ich will natürlich dazu das selbst entworfene Modulsystem für die Geometrie und Elektronik verwenden.
Genau genommen passt das Teil aber nicht zum genannten Modulsystem, da es nicht der vorgesehenen Geometrie entspricht, also nicht rechteckig und auch die Schienen nicht an vorgesehener Stelle das Modul verlassen. Aber man kann es als Übergang nutzen, wenn die Geometrie der Anschlussplatte der eines Viertelmoduls entspricht und somit die Höhe der Schienen auch mit den Modulen übereinstimmt.
Elektrisch ist das Teil auch nur bedingt einpassbar, hindert aber nicht den Modulbetrieb!

    Geometrie
Links im Bild ist die vorgeschriebene Geometrie der Frontflächen dargestellt. Der erste Blick macht sofort klar, dass die Geometrie nicht passt, jedoch könnten die Fronseiten passrecht gemacht werden!
Nach Vorschrift müssen die Schienen auf einer Höhe von 84mm (Grundkörper + Korkunterlage) liegen. Unter die Bahnhofsplatte ist also ein Untergestell zu bauen, um genau auf diese Höhe zu kommen. Da die Schienen auf der Bahnhofsplatte ohne Korkunterlage aufgebaut sind, muss das Untergestell eine Höhe von 78mm (84mm - Dicke der Bahnhofsplatte (6mm)) haben.
Das wurde mit einem Lattenrahmen und entsprechenden Distanzstücken realisiert. Das Auflegen der Bahnhofsplatte geht nun, man muss sie mit dem Rahmen verbinden, aber eine Verbindung zu einem anderen Modul hat man noch nicht.

    Man baut dazu einen "Kasten" wie bei einem Viertel-Modul , nur dass er nur etwa 5cm lang und nicht vollständig (andere Frontseite fehlt) ist. Die Höhe des Kastens darf natürlich auch nur 78mm betragen (Maße also von unten). Dieses Teil wird mit dem Unterrahmen verbunden (der Rahmen wurde dazu an dieser Stelle um 6mm reduziert), nun kann man die Verbindung zu einem Modul herstellen.
Zum Befestigen der Bahnhofsplatte auf dem Rahmen werden die Löcher vom "Teppich-Übergang" genutzt. In der Mitte weiter gibt es keine weiteren Befestigungen.
   

Da passt nun gut ein Viertel-Modul ran, alle anderen können natürlich auch angekoppelt werden, jedoch bleibt dann immer ein Schlitz zwischen "Bahnhofs-Modul" und dem anderen Modul.

    Elektronik
Die Elektronik soll natürlich auch weitgehend der Modul-Vorschrift entsprechen. Allerdings wird eine sehr vereinfachte Variante angewendet, es werden komplett alle Leitungen mit dem SUB25 Buchse/Stecker-System angebracht und lediglich die Fahrspannung der Leitungen 1/2 und 3/4 auf die Bahnhofsplatte geführt. Damit auch die Einbaurichtung frei verfügbar ist, wurde der bereits erwähnte Umschalter auf der Bahnhofsplatte eingebaut. Die elektrischen Elemente auf der Bahnhofsplatte werden ausschließlich autonom von der Bahnhofsplatte gesteuert, sie werden nicht ins Bus-System mit einbezogen! Die Platte kann somit aber an beliebiger Stelle in das Modulsystem eingefügt werden, sie hindert nicht die Bussteuerung.
Das Kabel mit der abgehenden Fahrspannung ist am Bahnhof nur notwendig, wenn es ins Modul-System mit einbezogen werden soll, also der Unter-Rahmen gebraucht wird. Das Kabel wird deshalb am Unterbau angebracht, braucht man für die Teppichbahn-Variante nicht (ist auf dem vorhergehenden linken Bild schwach im Hintergrund zu sehen).

Es besteht jedoch die Möglichkeit, das "Bahnhofsmodul" exakt elektronisch ins Modulsystem einzubeziehen, das wäre dann eine weitere Ausbaustufe.
Alle Aktionen werden auf der Platte durch Taster ausgelöst (Taster32 ist schwierig, soll nicht mit einbezogen werden), also braucht man 5 Schaltstellen, die jeweils ein Relais steuern. Ein Schließkontakt wird einfach parallel zum Taster geschaltet, dann kann man die Platte auch weiterhin autonom betreiben. Die Steuerung wird auch am Plattenrahmen befestigt und über Leitungen mit einem Steckersystem auf die Platte gesteckt. Man muss allerdings noch ein paar Leitungen auf der Bahnhofsplatte verlegen.

Auf den Seiten Bhf-Kind - Modul-Elektrik ist der Aufbau der Elektronik entsprechend dem Modulsystem dargestellt.

Probeweise wurde die Bahnhofsplatte mit einem Modul zusammengesteckt - es passt. Man muss nur darauf achten, dass die Polung der Fahrspannung, sofern man ein Steckersystem nutzt, mit der von den Modulen übereinstimmt. Man kann das natürlich auch mit dem Schalter realisieren.

Die Bahnhofsplatte wurde bisher wenig gestaltet, das will dann der Opa mit den Enkel gemeinsam einmal tun.