Wir wollen uns in diesem Teil weiteren Klassen der digitalen Schaltungstechnik
widmen.
Es geht um speichernde Elemente.
Solche und auch die schon bekannten Elemente sind nicht nur in Rechner vorhanden,
sondern auch in täglichen Gebrauchsgütern. Im Jahr 2012 wird (wurde) die analoge
Übertragung der Fernsehsignale über Satelit abgeschaltet - dann geht es eben digital.
Auch der Rundfunk wird irgendwann ebenfalls digital werden. Die Komprimierungsverfahren
von analogen Signalen wie mp3 oder m4a(v) sind so weit fortgeschritten, dass die
notwendige Bandbreite schon eine Übertragung im Mittelwellen und Kurzwellenbereich
zulässt. Das ganze bietet dann UKW ähnliche Quallität, in Stereo und zusätzlicher
Informationsübertragung - und man kann in ganz Europa im Autoradio immer den gleichen
Sender hören (auch außerhalb, aber da kommt man weniger mit dem Auto hin).
Diese Technik wird als DRM (Digital Radio Mondaile) bezeichnet
Firmen, wie auch CONRAD, bieten bereits für den Bastler entsprechende Bausätze an,
man braucht dazu:
|
|
|
Kurzwellen-Retroradio zum Selberbauen Best.Nr.: 192214_V0 |
DRM-Erweiterungsbausatz Best.Nr.: 192243_V0 |
einen Rechner mit Soundkarte und entsprechender Software. |
- es wird höchste Zeit, sich damit zu beschäftigen!
|
|
Eine große Gruppe der digitalen Schaltungen entsteht unter Verwendung von speichernden digitalen Elementen (siehe dazu auch Digitaltechnik; "Kleiner Grundlagen-Kurs" bzw. "RS-Flip-Flops"). Sie entstehen bei Rückkopplung des Ausgangs an den Eingang unter dem möglichen Hinzufügen weiterer digitaler Bauelemente. Diese Dinger heißen dann
Jeder der schon ein wenig gebastelt hat, weiß, dass Rückkopplungen zum Schwingen des Systems führt.
Das ist das klassische Problem, man kommt mit dem Mikrofon in den Ausstrahlungsbereich des Lautsprechers und schon pfeift es furchterregend! Bei analogen Schaltungen passiert das so, bei digitalen Schaltungen gibt es andere Ergebnisse.
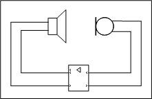
|
Der Ausgang vom zweiten Gatter wird wieder auf das erste Gatter geführt. Der jeweils
andere Eingang wird mittels Taster auf 0 (Masse) gelegt. Wird z.B. Taster x1 betätigt,
leuchtet die LED, lässt man den Taster wieder los, leuchtet die LED weiter. Betätigt
man hingegen den Taster x2 geht die LED aus und bleibt auch aus wenn man den Taster
wieder los lässt - diese Wirkung der Rückkopplung ist schon eigenartig, aber man kann
diesen Effekt sehr gut gebrauchen, man kann sagen, die Schaltung würde sich merken,
welcher Taster als letztes betätigt wurde, oder auch, die Schaltung würde die letzte
Situation speichern. Damit wird nun ein gewaltiger neuer Anwendungsbereich aufgetan.
Das betrifft nicht nur neue Arten von Schaltungen wie Zähler und Teiler, sondern tatsächlich Speicher von Rechnern. |
Aus der zunächst schlechten Eigenschaft der ungewollten Rückkopplung wird digital ein neues ganz wichtiges Bauelement - das ist ganz toll! (siehe dazu auch: Kleiner Grundlagen-Kurs" und "RS-Flip-Flops" )
|
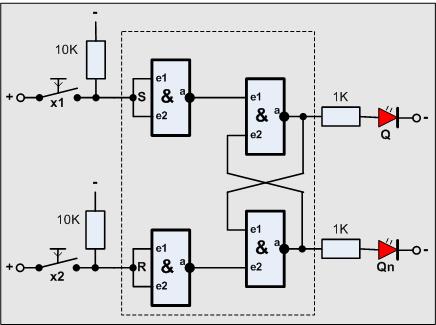
Es hat sich zum vorhergehenden Bild lediglich geändert, dass eine zusätzliche LED
eingebaut wurde. Was passiert? Nehmen wir einmal an, dass die untere LED leuchtet, die obere nicht, d.h. der Ausgang des unteren NAND ist 1, des oberen 0. So wie die Schaltung dargestellt ist, liegt an den Eingängen jeweils eine 1 an. Für das obere NAND gilt:
Jetzt wird der Taster x1 betätigt, es wird eine 0 an den Eingang e1 des oberen NAND gelegt. Oben entsteht nun:
Lässt man den Taster wieder los, bleibt die Einstellung bestehen, die Schaltung speichert nun diese neue Situation - das ist einfach genial! |
Die großen Wissenschaftler der Welt haben sich nun geeinigt, dass grundsätzlich mit 1 geschaltet werden soll. Das lässt sich ganz einfach durch vorschalten von Negatoren an den Eingängen erreichen (als Negatoren werden NANDs mit zwei Eingängen verwendet):
|
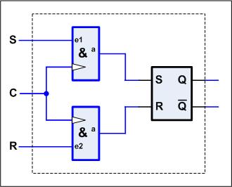
Nun entspricht alles den Regeln. Da man natürlich nicht immer die ganze Schaltung aufmalen will, gibt es ein Symbol, welches dieses Bauelement beschreibt. |
|
|
Wie das Bauelement funktioniert wird durch eine Wahrheitstabelle beschrieben.
Es werden 4 Bereiche definiert: (Qa und Qan - alte Ausgangswerte (Zustand); Q und Qn - die sich einstellende Werte) |
| Speicherbereich: | S = 0; R = 0; die alten Ausgangswerte Qa und Qan werden weiterhin ausgegeben (Q und Qn) | |
| SET: | S = 1; R = 0; unabhängig von den alten Werten Qa und Qan wird am Ausgang Q = 1 und Qn = 0 bereitgestellt | |
| RESET: | S = 0; R = 1; unabhängig von den alten Werten Qa und Qan wird am Ausgang Q = 0 und Qn = 1 bereitgestellt | |
| unerlaubt: | S = 1; R = 1; diese Situation hat keine definierte Ergebnisse zu Folge, man kann die Werte Q und Qn nicht nutzen. Das bedeutet nicht, dass das Bauelement mit dieser Eingangsbelegung zerstört wird, sondern die Ergebnisse dann unbrauchbar sind! In Abhängigkeit der inneren Beschaltung werden auch Werte bereit gestellt, in unserem Fall wird Q = Qn = 1. Das "unerlaubt" steht als Forderung für den Anwender, er muss dafür sorgen, dass diese Eingangswerte nicht auftreten. |
| t0-t1: | wird in diesem Bereich der Speicher-Zustand festgelegt, so hat man keinen Einfluss auf das Ausgangssignal, denn beim Einschalten des Latch ist auf Grund fertigungsbedingter unterschiedlicher Laufzeiten der Gatter nicht definiert welches Signal sich einstellt. | |
| t1-t2: | das Latch wird in den SET-Zustand versetzt (Q = 1; Qn = 0). | |
| t2-t3: | das ist der Speicher-Zustand, Q und Qn behalten den alten Wert (Q = 1; Qn = 0). | |
| t3-t4: | hier wird der RESET-Zustand eingestellt (Q = 0; Qn = 1) | |
| t4-t5: | da S = R = 0 sind wird gespeichert und die alten Werte (Q = 0; Qn = 1) ausgegeben. | |
| t5-t6: | wieder der SET-Zustand | |
| t6-t7: | das ist nun ein Problem, die Ausgangswerte sind zu 50% falsch, die Belegung ist ja auch unerlaubt, aber es folgt eine richtige Belegung. | |
| t7-t8: | SET; das Ergebnis ist wieder richtig | |
| t8-t9: | speichern | |
| t9-t10: | SET | |
| t10-t11: | unerlaubte Eingangsbelegung | |
| t11-t12: | speichern - das ist nun aber ein ganz großes Problem, denn es ist nicht klar was gespeichert wird!!! |
|
Man sagt dazu:
|
Als Unterstützung zum Verstehen der Funktion soll wieder ein Taktdiagramm dargestellt werden. Es sollen wieder die gleichen Folgen für R und S genutzt werden:
Ganz nebenbei haben wir einen elektronischen Schalter kennen gelernt, denn jedes AND funktioniert so:
Jetzt wollen wir eine andere Erweiterung vornehmen, dazu gebrauchen wir ein neues Element:
Das Ding wollen wir nun wie zuvor jeweils vor die Eingänge R und S schalten:
Aufgabe1:
Wie sich für diesen Fall das Taktdiagramm ändert, sei bereits eine Aufgabe.
(erst einmal probieren, dann später hier nachsehen)
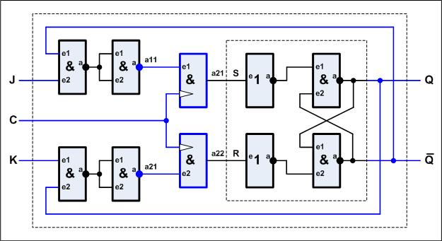
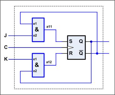
Die nächste Erweiterung basiert auf der letzten Schaltung. Vor S und R wird ein weiteres AND geschaltet welches den einen Wert jeweils aus dem entgegen gesetzten Ausgang entnimmt:
| Speichern |
Nehmen wir an, dass Q = 0 und Qn = 1 ist. Die Eingänge J und K haben den Wert 0. Am Ausgang a11 entsteht S = 1 AND 0 = 0 . Dieses Signal kann keine Änderung bewirken. Am Ausgang a12 entsteht R = 0 AND 0 = 0 . Auch dieses Signal kann keine Änderung bewirken, wir haben den Speicherfall. |
|
| SET |
J soll nun den Wert 1 annehmen, S = 1 AND 1 = 1, das kann schalten. K sei 0, dann
wird R = 0 AND 0 = 0. Das RS-Flip-Flop könnte in den SET-Zustand gelangen, geht aber nur wenn C gerade eine ansteigende Flanke hat. |
|
| RESET |
K = 1 und J = 0, führt in den RESET-Zustand
Aufgabe2: Überprüfe diese Aussage! (erst einmal probieren, dann später hier nachsehen) |
|
| Kippen |
Äußerst interessant wird der Fall J = K = 1. Nehmen wir wieder an, dass Q = 0 und
Qn = 1 ist. An a11 stellt sich S = 1 AND 1 = 1, an a12 R = 0 AND 1 = 0 - bei ansteigender Flanke erhalten wir den SET-Zustand. Nun wird an S = 0 AND 1 = 0 und an R = 1 AND 1 = 1 bereitgestellt, mit der nächsten ansteigenden Flanke erhalten wir den RESET-Zustand. Ganz wichtig - die Eingangsbelegung J = K = 1 ist nun erlaubt, sie ändert den Zustand des Flip-Flops in den immer entgegen gesetzten Zustand, der Zustand wird als "kippen" bezeichnet (oder triggern oder toggle (engl. Knebel)). |
Die Wahrheitstabelle soll beim Verstehen der Funktion des Bauelementes helfen:
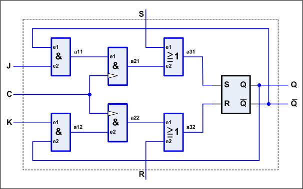
Leider reicht das noch immer nicht, denn wenn dieses Bauelement eingeschaltet wird stellen sich schaltungsbedingt irgendwelche Zustände ein (siehe oben). Um diese definiert setzen zu können, brauchen wir wieder S und R, diese sollten aber taktunabhängig sein. Dafür kann man sich folgende Schaltung ausdenken:
Das Teil hat natürlich auch wieder ein Symbol:
|
|
Erst die Nutzung von Flip-Flops macht den Aufbau von Zählern und natürlich auch von Teilern und Registern möglich.
Wir wollen uns zunächst mit Zählern beschäftigen. Gemeint sind nicht der Strom- oder Gas-Zähler, das sind analoge Einrichtungen, funktionieren aber ähnlich:
Also bauen wir "elektronische Zahlenräder"!
Als "Motor" brauchen wir einen Taktgenerator mit genau 1Hz Taktfrequenz.
Die Schaltung muss sich aber eine Sekunde lang merken, wo sie gerade war - der Takt
kommt, der Wert war 3 also muss daraus 4 werden, war er 9 muss daraus 0 werden und
die Schaltung muss einen Übertrag (Impuls = Taktimpuls für die nächste Stelle)
bereitstellen. Die einzelnen Stellen müssen den Wert mindest eine Sekunde (die
zweite 10sec, die 3. 60sec usw.) speichern - d.h. wir brauchen Speicher-Elemente.
Das sind z.B. Latch und Flip-Flops, die haben wir oben kennengelernt.
Fangen wir mit dem kleinen "Rad" an. Es zählt:
|
|
|
|
Damit haben wir alle notwendigen Funktionen und "müssten" daraus auch eine Schaltung ableiten können! |
Die "charakteristische Gleichung" eines Flip-Flops
Es heißt oben bewusst "müssten", denn es fehlt noch der Bezug zu den zu verwendenden Flip-Flops! Das kann man für alle bisher erarbeiteten Flip-Flops ableiten, wir wollen es für die JK-Flop-Flops einmal komplett herleiten. Dazu brauchen wir erneut die Wahrheitstabelle des Flip-Flops, allerdings mit der Erweiterung des alten Zustands Q:
|
Insbesondere für das "Kippen" wird diese Funktion nun ganz genau beschrieben. Wie gehabt, wird nun für Q die Schaltfunktion aufgestellt, d.h. wir tragen die Kombnationen gleich in ein KV-Diagramm ein und versuchen zu vereinfachen. |
|
Wir verallgemeinern noch etwas und sprechen dann von der "charakteristischen Gleichung" eines JK-Flip-Flops Das ist der Bezug zum JK-Flip-Flop! |
|
|
Die charakteristische Gleichung wird auf diesen Fall angepasst, x wird zu 1 (Glg.4).
Die Schaltfunktion Q1neu wird so umgeordnet, dass Q1 und Q1n jeweils an der gleichen
Position stehen wie in der char. Glg. Wenn dass so angeordnet ist (Glg.3) sieht man,
dass J1 dem Teil Q2n Q0 entspricht. Analog bei K1, jedoch muss hier noch etwas
umgeformt werden. Und man sieht es nicht sofort, aber die beiden Gleichungen (5)
und (8) beschreiben die Beschaltung des Flip-Flop 1.
Vielleicht noch einmal verbal:
Das kann man aufzeichnen: |
|
Es fehlen nun nur noch die beiden anderen Flip-Flop-Beschaltungen, um die Ausgänge bereitzustellen. Bei FF2 kann man wie eben beschrieben verfahren |
|
Man kann zwar den einen Teil entsprechend umordnen, indem Q0n ausgeklammert wird,
aber einen Teil Q0 gibt es nicht? Und da kommt dann eigentlich eine logische Aussage - aber zunächst doch gewöhnungsbedürftig! Der Teil mit Q0 ist nicht da, d.b. er muss 0 sein. Damit kann man für Kn einen Wert einsetzen der die AND-Verknüpfung zu 0 werden lässt. Das geht natürlich nur dann, wenn Kn = 0 ist! Wenn wir dann die Negation für K aufheben (beide Seiten der Gleichung werden einzeln negiert; die Negation der Negation hebt sich auf), muss 0 negiert werden und damit wird K = 1. Natürlich gibt es sofort eine neue Frage, was bedeutet K = 1 und wie wird das beschaltet - das ist einfach eine Verbindung zur Betriebsspannung! Nun kann man die komplette Schaltung aufmalen. |
Das Verstehen der Funktion der Schaltung ist vielleicht etwas schwierig. Nur bei ansteigender Flanke werden die 3 FF parallel verändert, d.h. an den Eingängen müssen bereits die notwendigen Signale anliegen. Die FFs ändern sich in den notwendigen Zustand, der sich einstellende Ausgang hat aber keinen Einfluss auf die momentane Änderung. Mit den Ausgangswerten werden nun bereits die J und K-Werte für die nächste Zustandsänderung bereitgestellt aber nicht wirksam, da das nur mit ansteigender Flanke passieren kann.
Eine Kontrolle der Schaltung wäre schon gut. Man kann in einem ersten Schritt eine Wahrheitstabelle aufstellen, etwa so:
Eine andere Variante ist, die Schaltung zu simulieren. Dazu kann man den bereits aus Teil "Digitale Schaltungen selbst erstellen" genannten "DigitalSimulator Version 5.57" nutzen, der kann frei aus dem Netz heruntergeladen werden. Zur Installation und zur Nutzung braucht man Administrator-Rechte. Wenn man zur Nutzung des Simulators nicht Administrator ist, kann man ihn als anderer User, als Administrator starten. Folgendes Erscheinungsbild hat der Simulator:
Es wurde aus allen 6 Fällen ein animiertes Gif erstellt (es wackelt etwas, da nicht immer exakt der gleiche Ausschnitt getroffen wurde):
|
Schauen wir uns dazu noch einmal die Wahrheitstabelle an. Wenn man genau hinsieht, sollte auffallen, dass links 2 Kombinationen fehlen, die 6 (110) und 7 (111). Was soll passiert wenn diese Kombination links durch Zufall entsteht, z.B. beim Einschalten. Wir können ja schon festlegen wo es hingehen soll, z.B. von 6 und von 7 nach 0, dann läuft er wie gehabt. |
|
Wir können aber auch sagen, dass es uns egal ist was in diesem Fall passiert, der passiert nicht und wir nutzen die Kombinationen wie es uns am Besten passt. Es soll egal sein ob 1 oder 0, wir schreiben dafür x. Links ist die so entstandene Tabelle zu sehen. |
|
Wir tragen wie oben dreimal eine 1 ein. Nun kommen aber zusätzlich an Position 6 und 7 die x zum Einsatz. Man nennt die Stellen
|
|
Die 1 bei Position (2) kann mit dem x (6) zu einer Gruppe zusammengefasst werden,
die andere 1 lässt sich nicht mit einem anderen Wert zu einem Block verbinden. |
|
Etwas anders verhält es sich bei Q2neu:
Eigentlich kann man 2 2-er Blöcke bilden. Die obere Formel in dem Kasten gilt. Man sieht es nicht sofort, aber der Teil mit Q2n fehlt (zur Berechnung von J2). Das kann man wieder richtig stellen, indem der erste Teil der Formel mit 1 "erweitert" wird:
Die wichtigste Erkenntnis ist, dass wir 3 verschiedenen Formeln zur Darstellung des gleichen Sachverhaltes haben. Ob die nun auch wirklich gleich sind, kann man herausfinden, indem wie im Teil 1 der "Digitalen Schaltungen" von allen die KDNF (Kanonisch Disjunktive Normal-Form) gebildet wird und diese gleich sind. Man kann natürlich alle Varianten im oben genannten Simulator probieren, sie sollten gleich funktionieren. |
| Hier nun die Formeln und die berechneten J- und K-Werte: |
|
| Und damit gibt es dann auch wieder eine Schaltung: |
|
Fazit:
Eine andere Art der Simulation kann man sich selbst schaffen, wenn man programmieren
kann. Sehr günstig eignet sich dazu C++ (oder auch andere objektorientierten Sprachen).
Es geht damit leichter, aber auch Programmierung unter C wäre möglich, die Sprache
sollte dann über den Datentyp "Array" verfügen.
Bei C++ erstellt man sich eine Klasse "jk-ff". Als Eingabe gibt es j und k und
als Rückgabewert q. Aus der Klasse werden 3 Objekte FF generiert. Das tolle ist,
dass jedes Objekt auch seinen Zustand selbst hütet, man braucht nicht wie unter C
die Zustände in einem extra Array verwalten.
Auch für die Gatter könnte man solche Klassen schaffen. Das macht aber keinen Sinn,
da diese Elemente nicht Speichern. Man schafft sich einfach eine entsprechende
Funktion, mit Funktionen wird es übersichtlicher.
| z.B. AND: |
fkt AND(Par1,Par2) intern funktioniert sie wie unser Bauelement: erg=Par1 and Par2 über den Namen AND wird das Ergebnis dann bereitgestellt. |
Ein anderes völlig unerwartetes Mittel zur Kontrolle bietet das Internet - sofern
man den Zugang zu einem Server hat, dynamische Seiten erstellen kann und wieder eine
Programmiersprache wie z.B. php nutzen kann.
Das sind drei Kriterien, die sicherlich nur Wenige erfüllen können. Den ersten Teil
kann man umgehen, indem man sich auf seinen Rechner einen eigenen WWW-Server
installiert. Ein solches Teil ist z.B. "xampp". Da erhält man sofort einen
WWW-Apache-Server mit php-Interpreter und wer will auch eine MySQL-Datenbank.
Was aber bleibt, ist das programmieren dynamischer WWW-Seiten. Hier helfen auch
keine WWW-Baukästen, hier muss man auf Befehle von php und dem html-Format herunter
steigen.
Eine sehr ungewöhnliche Art der Nutzung der dynamischen Seite ist, dass die Seite
sich selbst aufruft. Das hat nichts mit der Rekursion von normalen Programmiersprachen
zu tun, richtig ist, es wird der Server angewiesen eine WWW-Seite bereitzustellen,
dass das nun zufällig die gleiche ist, die der Browser schon hat, spielt keine Rolle,
es ist generell eine "andere" Seite. Das hat aber genau die Konsequenz, dass Nichts
im Programm der Seite zu speichern ist - geht so nicht. Man kann lediglich Parameter
mit zum Aufruf schicken oder Daten in einer externen Datei speichern und dann wieder
lesen. Das mit den Parametern ist gut, da wir über diesen Weg z.B. die 3 Q-Werte der
nächsten Seite mitteilen und diese zur Berechnung der neuen J und K-Werte nutzen.
Ist das geschehen werden die Q-Werte berechnet und mit diesen wieder die Seite
aufgerufen. Als erstes jedoch sollte man auf der Seite die Q-Werte darstellen,
oder man tut es gleich nach der Berechnung vor dem Aufruf.
Im folgenden Bild soll noch einmal die php-Nutzung im WWW dargestellt werden:
Im WWW ist immer die Frage nach der Sicherheit zu stellen. In der Seite jk_t1.php
stehen in diesen Fall zwar keine geheimen Dinge, aber wenn doch, dann werden sie
nicht im Netz übertragen, sondern durch den Interpreter im Server bearbeitet,
daraus html-Code erzeugt (dafür ist der Hersteller verantwortlich) und dieser
wieder dem Browser zugeschickt. Durch das Netzt läuft also nur das Ergebnis der
Bearbeitung.
Diese Arbeitsweise ist nicht nur nachteilig, sondern es kann, sofern man die
Datei auf einem öffentlichen Server unterbringt, die ganze Welt das Beispiel sehen
und auch nutzen!
Man kann das Beispiel nachvollziehen, indem einfach die Adresse und Seite :
Nun haben wir einen Zähler bereit gestellt. Da alle Speicher-Glieder (FFs) zur gleichen Zeit Ihren Zustand ändern, spricht man von einem
Damit ist angedeutet, es gibt auch nicht synchrone Zähler, man spricht von
Der entscheidende Unterschied ist also, dass die Speicherglieder nacheinander in den neuen Zustand schalten, der Ausgang des Vorgängers ist das Taktsignal für das aktuelle Speicher-Element. Das richtige Ausgangssignal der gesamten Einrichtung stellt sich nach und nach ein. Ihr Vorteil ist, dass sie zumeist mit weniger zusätzlichen Gattern auskommen, nachteilig ist, es gibt nicht solche eindeutigen Berechnungsmethoden.
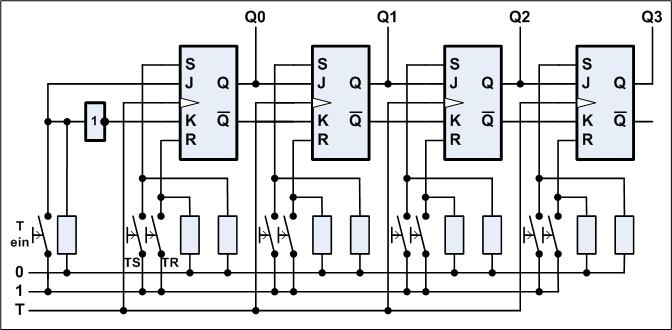
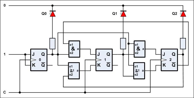
Nehmen wir 3 JK-FFs, dann kann man von 0 bis 7 zählen, danach fängt die Schaltung wieder von 0 an. Die Schaltung dazu sieht wie folgt aus:
| Es wird mit abfallender Flanke getaktet. Die Schaltung wird mit "setzbaren" FFs aufgebaut. Man sieht auch, dass Q0 der Eingang für das zweite Gatter ist und Q1 für das dritte Gatter. Hier wurde der S auf 0 gelegt, R soll zwischen 0 und 1 geschaltet werden können (bei Schalter sind Pull-Down-Widerstände erforderlich!), es kann also nur zwischen Speichern und RESET umgeschaltet werden. J und K werden bei allen FFs mit 1 belegt, damit gelangen sie in den Kipp-Modus, der Zustand der FFs kippt bei jeder abfallenden Flanke in den entgegen gesetzten Zustand. |
|
Das Taktdiagramm kann weitere Hinweise zur Funktion geben.
Zum Zeitpunkt t0 werden mit abfallender Flanke alle drei FFs auf 0 (000) gesetzt, danach werden entsprechend der dualen Zahlen alle Werte bis 7 (111) durchlaufen usw. |
Das Grundprinzip ist:
|
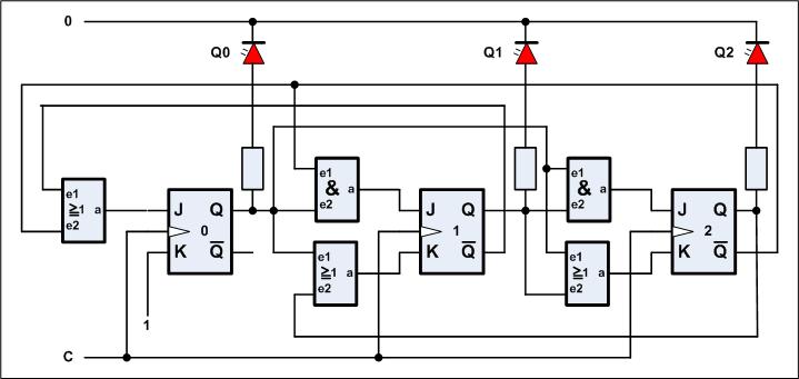
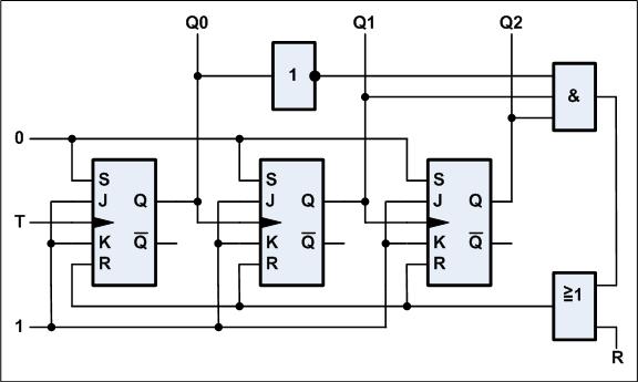
Alle FFs befinden sich im Kipp-Modus (J=K=1). Also bei unserem Zähler muss festgestellt werden, dass der Wert 6 falsch ist und der Zähler sofort wieder auf 0 gesetzt werden muss. Eine Frage kann man in der Elektronik schlecht stellen, aber man kann genau den Fall feststellen,
Q0 wird negiert, d.h. wenn der Wert 6 (110) ist, sind alle Eingänge von AND-Gatter 1, somit ist das Ergebnis auch 1. Diese 1 wird über OR-Gatter an alle RESET-Eingänge gelegt. Da S=0 erfolgt das Rücksetzen. Das OR-Gatter wurde nur eingebaut um zu zeigen, dass die Schaltung auch per Hand zurück gesetzt werden kann. |
|
Auch hier das Taktdiagramm dazu.
|
Und es werden dann auch Probleme der Schaltung sichtbar. Das AND-Gatter kann ja
erst reagieren, wenn der falsche Wert vorhanden ist. Das AND-Gatter und die FFs
brauchen aber auch eine kleine Zeit um die 1 zu erzeugen und die FFs umzukippen, d.h.
in dieser Zeit steht eventuell ein falscher Wert am Ausgang eines FF und trägt zu
einem insgesamt falschen Ergebnis bei. Bei unserem Beispiel gibt es bei Q0 kein Problem, denn der Wert war ohnehin schon 0. Anders dagegen Q1, der Wert wird auf 1 gesetzt, muss aber sofort wieder auf 0 zurück (Prb.1). Das Ergebnis kann sein, dass Nadel-Impulse entstehen und ins System übertragen werden - das kann arge Probleme bereiten. Man braucht weitere Schaltungen um diese Dinger unwirksam zu machen. Q2 ist nicht ganz so kritisch, der alte Wert war 1 und das FF bleibt etwas länger auf diesen Wert, wird dann auch verzögert auf 0 gesetzt (Prb.2).
Die Darstellung ist natürlich nur schematisch zu verstehen, sicher ist das ein
frequenzabhängiges Problem, denn nähern wir uns mit der Takt-Frequenz der Laufzeit
der Gatter, wird das Problem immer wirksamer. |
Noch einmal ein kompletter Dual-Zähler
Wir wollen die gleichen Anfangsbedingungen wie oben setzen(<t0 111), aber mit ansteigender Flanke schalten. Das Taktdiagramm sieht dann wie folgt aus:
|
Unten wurden die sich einstellenden Dezimalwerte aufgeschrieben die Einrichtung
zählt nun von 7 nach 0 und wieder von 7 usw. Man bezeichnet diesen Zähler als Rückwärtszähler. Die Schaltung des Rückwertszählers ist mit der vorhergehenden Schaltung, die wir nun als Vorwärtszähler bezeichnen wollen, identisch, wir brauchen lediglich FFs mit ansteigender Flanke! Natürlich wäre auch ein Rückwärtszähler von 5 bis 0, 5 usw. möglich. Hinter 0 muss 5 kommen, eingestellt wird aber 7, also muss man die 7 abfragen und die FFs auf 5 setzen (101; 1. und 3. FF mit SET auf 1, 2. FF mit RESET auf 0. |
Die Schaltung für einen asynchronen Rückwärtszähler von 5, ,0,5, ist zu entwickeln!
(erst einmal probieren, dann später hier nachsehen)
Auch Zähler die von einem Anfangswert x bis zu einer bestimmten Zahl y zählen, ist
möglich, z.B.
,1,2,3,4,1,2,3,4,
Asynchron geht das wie folgt:
Es handelt sich um einen Vorwärtszähler von 1 bis 4, der Anfangswert wird durch
Setzen eingestellt, der Endwert wird durch Gatter abgefragt und wieder auf den
Anfangswert gesetzt.
1 (001) wird durch FF0 SET (Q0=1), FF1 und FF2 RESET (Q1, Q2=0), die Ende-Abfrage
erfolgt bei 5 (101); vorwärts Zählen wird mit FFs mit abfallender Flanke erreicht.
Synchron
geht das natürlich auch, es wird eine Tabelle gebraucht:
|
Es gibt wieder 3 Gleichungen zur Bestimmung von den J und K-Werten und damit eine
Schaltung. Berechnet werden:
|
(Frequenzteiler)
Das sind Schaltungen die eine Frequenz einer digitalen Einrichtung auf eine bestimmte andere Frequenz heruntersetzen.
Damit ist nicht gemeint, dass tatsächlich die Frequenz immer genau halbiert wird, sondern auch jede andere kleinere Frequenz. Im Prinzip haben wir solche Schaltungen schon beschrieben, denn unsere Zähler sind gleichzeitig auch Teiler.
Beginnen wir mit den Asynchronen Teilern, hier dazu eine Schaltung:
|
Alle FFs befinden sich im Kipp-Modus. Es soll die Taktfrequenz auf 1/6
heruntergesetzt werden, z.B. von 6GHz auf 1GHz. Solche Baugruppen braucht man im
Rechner, da nicht alle Baugruppen des Rechners mit der hohen Taktfrequenz des
Generators arbeiten können. Es interessiert nur noch das Signal Q2, die anderen Signale bleiben intern. Wir nehmen wieder unseren Zähler von 0 bis 5, das sind aber genau 6 Takte, also nach 6 Takten soll Q2 genau einen Takt ausgeführt haben. |
|
Was ist ein Takt?
Ein Takt ist dann abgelaufen, wenn das Signal genau wieder den Anfangswert erreicht hat, er beginnt bei t0 mit 0, wird dann bei t1 1 und dann bei t2 wieder 0, der Wert hat seinen Ausgangswert wieder erreicht oder das Signal muss mit einer Richtung den Wert ändern und mit einer entgegen gesetzten Richtung wieder den ersten Wert annehmen. Dabei ist es egal, wo begonnen wird. |
|
Sehen wir uns dazu noch einmal das Taktdiagramm an:
Oben bei T sind die Takte bezeichnet, 12 mal ändert sich die Richtung, also 6 Takte. Q2 ändert in der Zeit 2 mal die Richtung, also genau ein Takt. Das Dumme ist, dass das Signal nicht symmetrisch ist. Nach Definition ist es ein Takt und das Signal hat nur 1/6 der Eingangsfrequenz vom Signal T. Man sagt:
Solchen Teiler sind durchaus ausreichend, man kann hieraus auch wieder ein symmetrisches Teilerverhältnis von 12 : 1 schaffen. |
|
Der Unterschied zum vorhergehenden Beispiel ist gering, es fehlt ein Negator und das
AND-Gatter hat nur 2 Eingänge. Wir zählen mit den beiden ersten Gattern von 0,1,2, bei 3 werden die beiden FFs wieder auf 0 gesetzt. Das FF2 kippt angesteuert durch das Signal Q1 bei jeder abfallenden Flanke um, das Signal wird noch einmal geteilt. |
|
Das Taktdiagramm kann weitere Erklärung leisten:
Q0 ist ein unsauberes Signal, es treten Spitzen auf. Q1 sieht ordentlich aus,
es zeigt aber auch zugleich ein Problem, ungerade Teilerverhältnisse, hier 3 : 1
können nur ein unsymmetrisches Verhältnis von 0 zu 1 aufzeigen. Symmetrisch würde
bedeuten, dass Q1 einmal mit ansteigender Flanke und einmal mit abfallender Flanke
schalten müsste |
Nun das ganze synchron.
Das geht auch recht einfach, man muss eine Tabelle aufstellen, in der 6 Zustände vorhanden sind und Q-Ausgang hintereinander dreimal 1 und dreimal 0 zeigt:
|
Das funktioniert wenn nicht fortlaufend gezählt wird, von 2 geht es nicht nach 3
sondern 4 (100). Damit haben wir bei Q2 schon mal eine 1. Die beiden folgenden,
5 (101) und
6 (110) bringen die weiteren beiden 1 Werte. Danach kommt eine 0 und am Anfang zwei
weitere 0, damit sollte es klappen.
Mit der unter synchronen Zählern beschriebenen Methode lassen sich nun wieder
Gleichungen für die J und K-Werte aufstellen:
Die sehen relativ einfach aus und damit entsteht auch eine einfache Schaltung |

|
Bei T wird das zu teilende Signal eingespeist und bei Q2 das Signal mit 1/6 der
Frequenz entnommen. Q0 und Q1 sind nur für den inneren Ablauf des Zählers notwendig. Nun kann man sich dazu auch noch das Taktdiagramm ansehen: |
|
Beim genauen Hinsehen stellt man fest, dass nun auch Q0 als Teiler-Ausgang 6 : 1
genutzt werden könnte und Q1 stellt ein Signal im Verhältnis 2 : 1 zum Taktsignal
bereit. Die Schaltung ist gar nicht so viel aufwendiger. |

| Schiebe - |
|
n |
|
Register sind Speicher (meist in linearer Struktur). Als Speicherelemente werden FFs
verwendet.
Bevor es so richtig los geht, wollen wir noch einen synchronen Zähler herstellen.
Er soll wie folgt zählen:
|
Zunächst sehen wir sofort, dass wir nicht mehr mit 3 Stellen auskommen (8 = 1000). Mit 4 Stellen gibt es 16 verschiedenen Kombinationen, davon haben wir gerade mal 4 benutzt. Das bedeutet nun, dass wir an 12 Stellen Don't Care einsetzen können, da sollte dann viel vereinfacht werden können. |
|
Mit Don't Care sieht die Tabelle dann so aus. |
|
Zunächst sollte man ein KV-Diagramm erstellen in dem nur alle Don't Care eingetragen
sind. Die Anordnung der Zeilen und Spalten entspricht der Darstellung im
Teil "
Digitale Schaltungen selbst erstellen
"
. Diese Anordnung kann man für alle 4 Fälle zunächst übernehmen:
Dann sind noch die 1 Stellen einzutragen und das ist nur eine pro neuer Ausgangsgröße Q. Im Folgenden wurden alle 4 Diagramme aufgestellt und man sieht sofort, dass sehr große Blöcke mit 8 Stellen gebildet werden können. Man muss das natürlich erst sehen, auch wenn 7 von den 8 Stellen Don't Care sind, sollte man immer die größte Variante nutzen. |
|
Das Ergebnis ist zunächst auch etwas schwierig, da in keinem Block die gewünschte
Größe enthalten ist, z.B. Q1neu = Q0. Da kann man sich natürlich helfen indem der
Wert mit 1 und dann mit der fehlenden Größe erweitert wird (unten z.B. Q3 mit Q0
und Q0neg). Dann kann man den Vergleich mit der charakteristischen Gleichung
durchführen und erhält in allen Fällen für J und K keine logischen Funktionen,
sondern nur den Ausgang des Vorgänger FF. Damit ist die Schaltung dann auch ganz einfach: |

Entweder ist das Programm falsch oder die simulierten Formeln falsch oder man macht
einen Fehler?
Im Prinzip trifft alles nicht zu, es ist alles richtig, wir haben leider ein
Startproblem. Wie oben bereits beschrieben, hat die Don't Care-Nutzung das Problem,
dass man nicht weiß, was beim Aufruf dieser Kombinationen geschieht. Da keine
Parameter beim Start vorhanden sind, werden alle Q's auf 0 gesetzt und die
Kombination (0000) führt offensichtlich wieder auf 0000, der Zähler hat sich
"festgelaufen". Wir müssen also einmal einen definierten Wert setzen. Das
Simulationssystem hat nicht die Möglichkeit R und S der FFs zu setzen, man kann
aber die Q's als Parameter verändern. Der komplette Aufruf des Simulationsprogramm
sieht beim zweiten mal so aus:
Das animierte Gif zeigt, wie es funktioniert:
Nun wollen wir die Schaltung noch etwas modifizieren:
Wir haben nun einen Speicher (Register), in den wir parallel etwas einspeichern und
wieder lesen können, aber auch seriell ein und ausgeben können.
Zumeist besteht auch die Möglichkeit, sofern es sich um den Akku handelt, auch eine
Verbindung zum Carry-Flag zu schaffen, d.h. der Inhalt der höherwertigsten
Speicherstelle wird ins Carry geschoben. In der Folge läßt sich dann gut Auswerten,
ob es eine 1 oder 0 war und daraus eine Entscheidung für den weiteren
Programmablauf gewinnen.
Eine tiefergründige Beschreibung findet man z.B. beim
4-Bit-Prozessor ERNA.
Übrigens, nach rechts schieben bedeutet Division durch 2, z.B. 8 / 2 = 4 stimmt, denn 1000 einmal rechts ist 0100, eben 4. Oder 11 / 2 = ?. 1011 rechts 0101 = 5, es wird ganzzahlig geteilt!
|
|
zurück zur Start-Seite |