Digitale Schaltungen Teil2 - Lösungen
 


Lösungen

zu 1:
3(10) = 11(2)
7(10) = 111(2)
81(10) = 1010001(2)
123(10) = 1111011(2)

zurück

 

 

 

 

 

zu 2:

zurück

 

 

 

 

 

zu 3:

zurück

 

 

 

 

 

zu 4:
Das ist der Plan zur Vereinfachung:

Daraus kann man folgende Formel für die Schaltung ermitteln:

Die roten Zahlen zeigen die Blöcke an.

zurück

 

 

 

 

 

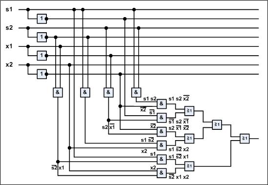
zu 5:
So sollte die Schaltung für unseren Universalbaustein aussehen:

zurück

 

 

 

 

 

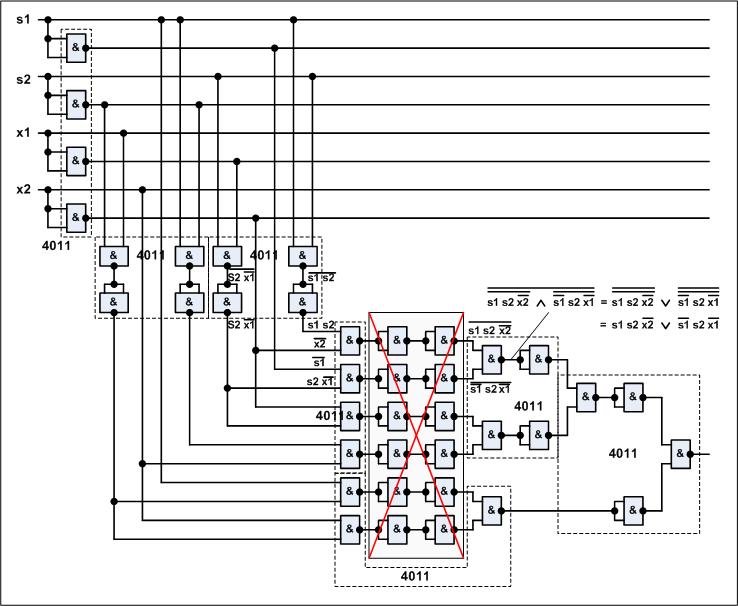
zu 6:
Als Zwischenschritt werden alle Gatter in Gatter mit 2 Eingängen umgewandelt:

Der nächste Schritt ist dann die alle Gatter durch Ersatz-Schaltungen aus NAND's zu ersetzen:

In der Mitte wurden alle doppelten Negationen mit eingetragen und rot durchgestrichen, die können natürlich in der endgültigen Schaltung fehlen.
Das ganze läßt sich dann mit 7 IC's 4011 realisieren - das ist doch ein erheblicher Aufwand.

zurück


Zurück zu Digitale Schaltungen