Digitale Schaltungen - Lösungen
 


Lösungen

zu 2a1:

zurück

zu 2a2:

zurück

zu 2a3:

zurück

zu 9:

zurück

zu 14:

zurück

zu 16:

zurück

zu Ges.7:

zurück

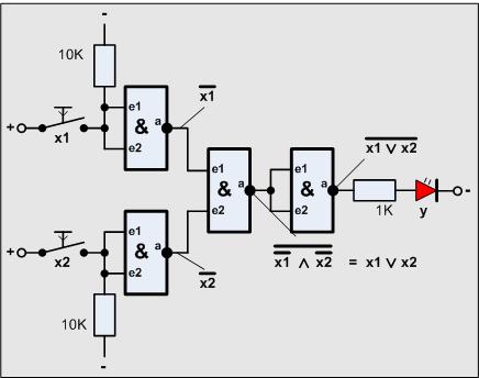
zu Ges.8:

zurück

Im oberen Zweig muß zusätzlich ein Negator geschaltet werden. Da aber schon einer vorhanden ist, können sie nun beide weggelassen werden.
Beide Schaltungen sind nahezu identisch, oben wird nur ein Negator nachgeschaltet. Aber 0 negiert ist nun mal 1 !
Beide Schaltungen sind überflüssig. Die obere Schaltung ist eine unterbrochene Leitung. Allerdings sollte man beim Weglassen der eventuell nachfolgenden Schaltung einen Pull-Down-Widerstand spendieren oder auf 0 legen.
Die andere Schaltung ist ein Draht an 1.

Zurück zu Digitale Schaltungen