Netz-Teil ... Test-Teil ... Experimentier-Teil

Netzteil einmal anders

      Netz-Teil
NetzTeil
Teil-Netz-Teil
Teil-Netz
Teil vom Netz
     


 

Ein universelles Netzteil

Zwei Überlegungen sind aus vorhergehenden Projekten in die Erstellung des Netzteils eingeflossen:

  1. Aufbau und Erweiterung eines kleinen 12V / 1,3 – 19V Netzteils mit einem sehr kleinen Steckfeld.
    • Letzteres wird vorrangig genutzt, um ausgebaute Dioden und LED‘s auf Funktion und Polarität zu prüfen
    • Durchgangsprüfung
    • Versorgung einer größeren Steckplatine mit der Betriebsspannung, das über Experimentierleitungen oder gesteckten Drähten

    Das Netzgerät war eigentlich nur ein schneller experimenteller Aufbau, die 12V Versorgung wurde mit einem Bausatz realisiert, die regelbare Spannung kam später (an der Seite) noch hinzu.
    Und wie das so ist mit Provisorien - sie halten sich meist sehr lange!
    Nun sollte es aber ein bischen besser aussehen.

  2. Nutzung von Steckbrettern, um Schaltungen auszuprobieren ( Steckbrett …, Elektronik-Kalender Steckbretter)
altes Netzteil      
Steckfeld vom alten Vorgänger-Netzteil
Das Steckfeld des Vorgänger-Netzteils besteht aus dem Sockel eines 10-poligen IC-Bausteins:

                  Er wurde von unten wie angegeben verdrahtet, so dass die Steckkontakte oben weiterhin nutzbar sind.

            Nachteil ist, dass z.B. kein anderer Widerstand gesteckt werden kann, es ist relativ unflexibel.
Das Bild zeigt Steckmöglichkeiten von Bauelementen, es ist sehr wenig, man sollte aber nicht unterschätzen, dass eben mal schnell eine Diode, LED oder ein Widerstand geprüft werden kann. Aus der Helligkeit der LED kann man grob die Widerstandsgröße schätzen. Auch Elko's kann man grob schätzen, der Aufladevorgang wird durch die LED angezeigt, geht sie langsam aus, ist die Kapazität groß.

Das neue Netzteil soll ebenfalls ein Steckfeld erhalten, das jedoch etwas erweitert werden soll:

Steckbretter kann man kaufen:
           

Letztere werden bei den elektronischen Adventskalender und Bausätzen genutzt, sie sind etwa 5cm x 9cm groß und lassen sich auch zu größeren Brettern zusammenstecken. Aber auch ein einzelnes ist für meinen Zweck schon zu groß. Außerdem können nicht einzelne Kontakte oder Kontaktreihen einem bestimmten Signal (z.B. Spannung) zugeordnet werden, nicht durch stecken, sondern von unten angelötet. Außerdem, so meine Erfahrung, lassen sich diese Teile schlecht stecken (anders als das größere Steckbrett links).
Es kommt also wieder auf den Selbstaufbau zu.
Gut geeignet sind Sockel für IC‘s und Sockelleisten und da wieder die Präzisions-Steckkontakte. Nicht so gut geeignet sind doppelseitige Federkontakte, geht auch, aber es steckt sich nicht so gut:

            Die Leisten gibt es in unterschiedlichen Längen, lassen sich leicht trennen.
IC-Sockel sind auch in verschiedenen Längen verfügbar, wie auch in unterschiedlichen Breiten bei den längeren Sockeln.

      Doppelter Federkontakt: (diese sind weniger gut geeignet)
     

Soweit zu den Voraussetzungen
Das Schaltungs-Konzept des Netzteils soll etwa so aussehen:

      Ein zentraler Trafo transformiert die 220V~ in etwa 15V~ (der Trafo war vorhanden, deshalb 15V). Die Spannung ist in Grenzen variabel, sie sollte zwischen 10V~ und maximal 21V~ liegen. Die Werte ergeben sich daraus, dass das Regelteil für 12V= etwas mehr als 12V zum Regeln braucht. Die andere Grenze ergibt sich aus der Belastbarkeit der Bauelemente LM317 und 78xx, beide haben einen oberen Grenzwert von etwa 30V=.

Der Unterschied der Spannungsangaben kommt dadurch zustande, dass die gemessene Wechsel-Spannung ein Effektivwert ist, etwa √2 vom Maximalwert der Sinusschwingung.
Bei der Gleichrichtung und anschließenden Glättung (durch Elko) stellt sich jedoch als Spannung der Maximalwert als Ergebniswert ein. Deshalb ergibt sich nach der Gleichrichtung der 15V~ eine Gleichspannung von etwa 21V=. Damit können nun alle Regler ohne Probleme angesteuert werden.
Die Regelspannung kann nun aber maximal 21V betragen (theoretisch - praktisch hat der Regler einen Eigenbedarf, so dass man etwa 19V erreicht), braucht man mehr, z.B. 30V, muss man einen anderen Trafo einsetzen, der 21V~ zur Verfügung stellt.

Wichtig ist jedoch, bei Elko's ist die Arbeits-Spannung zu beachten, ich nutze eine Arbeits-Spannung von 25V. Liegt also die gleichgerichtete und geglättete Spannung über 25V müssen die Elko's auch eine höhere Arbeits-Spannung haben, üblicher Weise kann das 35V, 50V oder 63V (oder höher) sein. Ist sie kleiner, kommt es intern zu einem Durchschlag zwischen den Platten, der hohe Strom erwärmt den Elko explosionsartig, der dann promt explodiert. Es gibt eine Sollbruchstelle (Kerbung oben auf dem Elko) aber dennoch kann viel Elektrolyt-Flüssigkeit in der Gegend verteilt werden.

Die Plus-Leitungen der Ausgangsspannungen werden auf Labor-Buchsen gelegt. Damit kann die Spannung mit Laborkabeln abgegriffen werden oder, es kann auch ein Draht mit der Schraubklemme eingeklemmt werden. Weiterhin werden alle Spannungen auch auf die Steckbuchsen des Steckbretts geleitet. Am 5V Ausgang wird ebenfalls eine USB-Buchse angeschlossen (nur die Spannungsversorgung über Kontakt 1 und 4, die Datenleitungen bleiben frei.
Von allen Teil-Netzteile werden die Minus-Leitungen zusammengeführt und zentral auf die Minus-Labor-Buchse und zum Steckbrett weitergeleitet. Die Minus-Leitung ist auf dem Steckbrett trennbar, damit ergibt sich die Möglichkeit einer Strommessung.
Die Wechselspannung 15V~ nach dem Trafo wird ebenfalls aufs Steckbrett geführt.

Aufbau des Steckbretts

Zum Aufbau des Steckbretts werden zwei 10-polige und ein 16-poliger IC-Sockel verwendet. Ergänzt werden diese durch weitere Sockel-Streifen zu beiden Seiten der IC-Sockel:

      Generell kann man das Steckbrett in 4 Bereiche teilen:
  1. Bereich 1 (ganz links):
    Es handelt sich hier um eine Erweiterung des ehemaligen 12V Bereiches des alten Steckbretts
  2. IC-Bereich (Bereich 2):
    folgt dem Bereich 1 und ist für die Testung weiterer Bauelemente und kleinsten Schaltungen gedacht
  3. USB-Buchse (Bereich 3):
    Hier kann nur eine Spannungsversorgung von 5V über einen USB-Stecker erfolgen
  4. Bereich 4 (ganz rechts):
    hier werden alle weiteren Spannungen des Netzteils bereitgestellt, einschließlich einer Möglichkeit zur Strommessung

Bereich 1

      Die Versorgungsspannung 12V wird fest oben rechts eingespeist. Zur Versorgung der weiteren Schaltung gibt es eine steckbare Verbindung (rechts rot). über zwei Widerstände von insgesamt 1KΩ erfolgt die Versorgung der LED (grün) für die Durchgangsprüfung. Durch die Teilung in zwei Widerstände sind auch kleinere Spannungen effektiv nutzbar. Durch variables Stecken der Verbindungsbrücken bzw. Ersatz durch Bauelemente wird die Anordnung sehr flexibel. Die rote LED signalisiert die Grundversorgung mit 12V, kann aber auch als Anzeige in Schaltungen genutzt werden.
Die roten Leitungen sind Steckverbindungen, die blauen Lötverbindungen unterhalb des Steckbretts.
Die LED‘s sind fest eingelötet.
(Achtung: "Die Reihenfolge der Widerstände wurde geändert - rechts 270Ω - links 680Ω - gesamt: 950Ω!")

Bereich 2

      Hier können beliebige Bauelemente aufgesteckt werden, eben auch ein 16-poliger IC. Es gibt keine vorgefertigten Verbindungen zur Versorgungsspannung oder anderen Leitungen.
Erfahrungen mit Test's von IC's in diesem Berteich zeigen, wenn solche Test's hier intensiever betrieben werden sollen, eine weitere Steckreihe auf jeder Seite sinvoll wäre. Dann sind Verbindungspunkte zu je 3 Buchsen vorhanden, das bringt einige Vereinfachungen bei der Verdrahtung. Betreibt man diese Entwicklung weiter, ist dann vielleicht ein konventionelles Steckbrett günstiger.

Bereich 3

      Hier passen USB-Stecker vom Typ A. Typ A ist die Bauform, das weiße Innenleben sagt aus, dass es sich um USB 2.0 handelt, d.h. dass hiermit Daten mit einer Übertragungsrate von 40MB/s übertragen und und angeschlossene USB-Geräte mit maximal 0,5A versorgt werden können.
Diese Daten sind für unseren Anwendungsfall nicht relevant, denn wir übertragen keine Daten und der Strom wird nur durch den Querschnitt der Kontakte begrenzt. Ich denke einmal, dass 1A kein Problem für die Buchse darstellt. Man sollte aber die Leistungsfähigkeit der angesteckten Leitung beachten.

Bereich 4

      In diesem Bereich werden alle anderen Spannungen (5V=, Regelspannung 1,5...18V=, Wechselspannung 15V~) bereitgestellt. Außerdem kommt hier die Minus-Leitung aller Teile des Netzteils zum Steckbrett (nicht die Laborbuchse) an.
Es sind für Experimente 4 Felder zu jeweils 3 miteinander verbundenen Steckkontakten vorhanden. Von hier aus wird auch die USB-Buchse mit Spannung versorgt.
Die beiden LED‘s sind fest verdrahtet, die untere LED ist fest mit 12V= verbunden, dient als Einschaltkontrolle des Netzteils und ist gleichzeitig etwa Vergleichsanzeige, denn die obere LED verändert in Abhängigkeit der eingestellten Spannung ihre Helligkeit, ein Vergleich mit 12V ist deshalb bedingt möglich (zur genaueren Einstellung braucht man natürlich ein Meßgerät).

Tasten-Schalter (eigentlich ein Bereich 5)

                  Diese beiden Taster sind fest installiert, sind beliebig beschaltbar. Mit auf der Platine liegt die Masse-Leitung, Plus muss selbst gesteckt werden, kann man von einem Taster zum anderen übernehmen.
Die Taster haben 4 Anschlüsse und sind so intern beschaltet, nur durch das Stecken werden bereits 2 Beine des Schalters verbunden, bei der Betätigung sind es dann alle 4 Beine!
Solche Taster können im Bereich 2 gesteckt werden.

Teil-Netzteile

      Gleichrichtung
Die 4 Dioden realisieren eine Graetz-Gleichrichtung (diese wird in der Regel in Rombus-Form gezeichnet, entspricht aber so der Verdrahtung auf der Universal-Leiterplatte), es ist eine Zweiweggleichrichtung, die anschließende Glättung bedarf weniger Aufwand. Hier wird ein 2200μF größer Kondensator genutzt.
Aus dieser Spannung werden durch weitere Elektronik-Teile alle Spannungen erzeugt.

      Gleichrichtung - Prinzip
Nach der Graetz-Gleichrichtung ist die negative Halbwelle der Wechselspannung nach oben in den positiven Bereich geklappt (2.Teilbild).
Der folgende Kondensator (Elko) gleicht nun die Spannungsdifferenz zwischen 0 und Umax aus. Ist die Last am Ausgang groß bzw. die Kapazität des Kondensators klein, gibt noch eine Restwelligkeit (3.Teilbild). Je größer die Kapazität ist, um so mehr nähert sich die Ausgangsspannung der idealen Gleichspannung (4.Teilbild).
Zu beachten ist jedoch, dass nun die Dioden eventuell einen enormen Einschaltstrom kurzfristig aushalten müssen (eventuell braucht man noch einen Widerstand in Reihe).
So kann das dann aussehen!
Beide Dioden sind kaputt, bei der rechten ist ein Stück der Diode geplatzt und durch die Gegend geflogen, bei der linken sieht es innen sicher ähnlich aus, denn der Widerstand ist in beiden Richtungen unendlich groß!

      Die 12V= und 5V= Versorgungen sind völlig identisch, es ändert sich nur der Festspannungsregler, bei 12V ist das der IC 7812, bei 5V der 7805.
Beachtet werden muss die Arbeits-Spannung der Elko's, 10V im 12V Teil reichen nicht aus, die gehen garantiert kaputt und verursachen im ungünstigen Fall einen Kurzschluss. Der Elko am Eingang kann eine größere Kapazität haben, aber es ist bereits zentral ein Elko 2200μF vorhanden (er wird auf den Teil-Netzteilen weggelassen).
Ganz wichtig sind die kleineren Kondensatoren von 100nF. Diese müssen räumlich in der Nähe des IC‘s angeordnet werden, sie verhindern mögliche hochfrequente Schwingungen des IC's.
Es ist auch ein kleines Kühlblech erforderlich.

Achtung:die Schraubstelle für die Kühlung ist elektrisch mit einem Beinchen des IC‘s verbunden!

     


      Das Regler-Netzteil für 1,2...21V wird mit dem IC LM317 aufgebaut. Es braucht zur Beschaltung einen Widerstand von etwa 240Ω (220Ω geht auch) und einen Regelwiderstand von etwa 5KΩ. Der Kondensator von 100nF hat die gleiche Funktion wie beim 78xx.
Die Diode in den Schaltungen soll dafür sorgen, dass es keine Rückwirkung von der Ausgangsspannung auf die Eingangsspannung gibt, eine größere Ausgangs- als Eingangsspannung könnte den Schaltkreis zerstören. Deshalb fordert man, dass der Elko am Ausgang immer kleiner als der am Eingang sein sollte (ist hier garantiert: 100μF zu 2200μF).

Achtung:
"Obwohl beide IC's äußerlich gleich aussehen, sind die Anschlüsse nicht identisch! (siehe rechte Bilder →),
und
das Kühlblech hat ebenfalls Verbindung mit einem Beinchen des IC‘s!"
     

Elektrischer Aufbau

      Es wird ein Stück Universalleiterplatte genutzt und wie man sieht ist das relativ gut machbar.
Im oberen Teil befindet sich die Gleichrichtung einschließlich Glättung mittels Elko. Nach der Gleichrichtung müssen zwei Leiterbahnen getrennt werden, ansonsten ist keine weitere Trennung notwendig.
Die ReglerSchaltkreise sind versetzt auf der Leiterplatte angeordnet, der Grund dafür ist, dass drei Kühlbleche so gut angebracht werden können. Baut man die Platte so wie sie gezeichnet ist ein, werden die Kühlbleche gut von Luft umströmt.
Achtung: "der obere IC (LM317) muss genau entgegengesetzt zu den 78xx eingebaut werden!"
(sieht man an dem dickeren Strich beim LM317 an der linken Seite, bei den 78xx ist der Strich rechts)


Beispiele zur Nutzung des Steckfeldes - einfache Test's

            Allgemein: Durchgangsprüfung
Im Bereich 1 gibt es wie im alten Steckfeld eine Stelle, eine Steckstelle für Durchgangsprüfungen.
Wird im Steckbereich ein Draht gesteckt, dann wird somit die LED ordnungsgemäß angesteuert und leuchtet.
Gibt es eine Unterbrechung (wie dargestellt) oder einen Widerstand an der Stelle, leuchtet die LED gar nicht oder weniger.
Alle Zweipol-Bauelemente haben eine bestimmte Charakteristik, die teilweise so nur durch Stecken an der Stelle nachgewiesen werden kann.
Der Steckbereich ist recht großzügig gewählt, sodass sehr variable Stiftabstände der zu prüfenden Bauelemente nutzbar sind. Die Steckstelle ist erweiterbar, z.B. auf die 6 (dann 5) unteren Kontakte.

      Steckstelle Durchgangsprüfung - spezielle Bauelemente
Für Dioden kann man so einfach die Durchlass- oder Sperrichtung oder auch defekte Dioden finden (wenn die grüne LED nie leuchtet).
LED's kann man auch testen, denn sind sie heil, müssen sie in einer Richtung leuchten. Das funktioniert mit allen LEDs, da die grüne eine Flussspannung von etwa 2,2V (alle anderen etwa auch) und nur weiße und blaue 3V haben, somit ergibt sich gesamt eine Flussspannung von etwa 5,5V, die mit dem 12V-Netzteil erreicht wird. Wenn sie also heil sind, müssen beide LED's (System und Prüfling) leuchten.

Ein besonderes Problem sind Zener-Dioden (Z-Dioden). Es kann sein, das unabhängig von der Steckrichtung die LED immer leuchtet. Die Z-Diode hat einen Durchlass-Bereich wie alle Dioden. Im Sperrberech sperrt sie auch, aber nur bis zu einer konstruierten Spannung, der Durchbruchspannung, ab da bleibt die Spannung nahezu konstant.

Stellt man im Sperrbereich die Spannung vom Regler so ein, dass die LED so gerade glimmt, dreht man jetzt die Z-Diode (andere Steckrichtung), sollte sie hell leuchten. Diese Testung geht nur mit einer kleinen Schaltung und dem Spannungsregler-Netzteil.

                        Durchgangsprüfung - Elko's testen
Diese Charakteristik gibt es beim Aufladen des Elkos für den Strom und die Spannung am Elko. Die Kurven sind so nicht messbar, aber anhand der LED abschätzbar.
Der Taster muss nicht sein, aber es ist günstiger, wenn man alles in Ruhe steckt und sich dann beim Einschalten voll auf die LED konzentrieren kann.

Beispiele zur Nutzung des Steckfeldes - Realisierung einer Schaltung

Erst bei der Realisierung einfacher Schaltungen auf dem Steckfeld zeigt sich, ob die gewählte Anordnung dem Zweck entspricht. Sofort wird klar, dass Steckfelder mit zwei verbundenen Steckkontakten nur zur Reihenschaltung von zweipoligen Bauelementen geeignet sind, erst ab drei verbundenen Steckbuchsen sind Verzweigungen möglich.
Es stellte sich auch schnell heraus, dass die Masse-Steckkontakte nicht ausreichend vorhanden sind. Aus diesem Grund wurde in der vorletzten Reihe des Bereiches 1 aus zwei Zweier-Verbindungen eine Vierer-Verbindung gemacht, es stehen nun im Bereich1 4 Masse-Steckkontakte zur Verfügung (wurde so bereits in den bisherigen Darstellungen realisiert).

      Dieser Negator, einschließlich Anzeige, soll gesteckt werden.
(Beispiel stammt aus: Digitale Schaltungen - ganz einfach ausprobieren)

      Es wird alles mit weiteren Bauelementen aufgebaut. Der untere Steckverbinder wird entfernt, damit steht ein Verteilerpunkt mit 6 Anschlüssen zur Verfügung.
Auch ein Tastschalter kann gesteckt werden, für Widerstand und LED gibt es noch viel Spielraum.

      In dieser Variante werden vorhandene Teile des Steckfeldes genutzt. Zunächst wird der Transistor anders gesteckt, so dass nur noch die Basis beschaltet werden muss.
Der Kollektor liegt schon auf dem Verteilerpunkt, von dem ein Widerstand zu + gesteckt werden muss. Es fehlt nun nur noch die Anzeige. Dazu wird die obere Brücke im Bereich entfernt und eine Verbindung vom Verbindungspunkt hier her gesteckt, damit wird die rote LED des Steckfeldes aktiviert.
Die Basisansteuerung bleibt gleich. Aber auch hier sind Änderungen möglich, denn es ist vorgesehen zwei Tastschalter fest auf dem Netzteil zu installieren, einer davon könnte nun genutzt werden, der Basiswiderstand bleib weiterhin.

Dies Beispiel zeigt bereits einige Möglichkeiten, die das Steckfeld zuläßt. Weitere Möglichkeiten zur Verteilung sind im Bereich4 vorhanden und es wird auch eine Möglichkeit zur individuellen Erzeugung eines Verteilerpunktes vorgeschlagen.

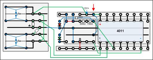
Beispiel: Test am IC-4011
(Beispiele stammen aus: Digitale Schaltungen - ganz einfach ausprobieren)

            Der IC-4011 ist ein 14-poliger IC mit 4 NAND's zu jeweils 2 Eingängen.

            Negator mit NAND erzeugen und testen
Eine Möglichkeit aus NAND einen Negator zu erzeugen, ist die Parallelschaltung der Eingänge.
Dazu wird der 4011 im Bereich 2 gesteckt, mit + und - verbunden. Die beiden Eingänge werden auf dem Verbindungs-Steckfeld im Bereich 1 verbunden und zum Taster weiter geführt. Nun kommt auch der Taster-Bereich zum Einsatz, denn hier wird der Pull-Down-Widerstand gesteckt (Masse liegt in diesem Bereich). Über den Taster wird eine 1 (+) auf die Eingänge gelegt.
Die am Ausgang angeschlossene System-LED geht dann aus, also
1 negiert = 0   →   Taster drücken   →   LED geht aus!
(↓ ↑ bedeutet: Brücke ist entfernt)

            NAND mit 2 Eingängen erzeugen und testen
Es wird ein anderes NAND-Gatter des IC's verwendet und es funktioniert nur mit den beiden Tastern des Taster-Bereiches. Die beiden Pull-Down-Widerstände, Widerstand vom IC-Eingang zur Masse, werden im Taster-Bereich gesteckt. Die Anzeige erfolgt wie eben mit einer System-LED. Es gilt:
(Eing.1 und Eing.2)negiert
also: ( a ∧ b ) neg
z.B. ( 0 ∧ 1 ) neg = 0 neg = 1
die LED leuchtet!
Nur wenn beide Taster gedrückt sind, leuchtet die LED nicht!
denn: (1 ∧ 1 ) neg = 1 neg = 0

            AND mit 2 Eingängen erzeugen und testen
Das erste Gatter wird wie bei NAND gesteckt, nur der Ausgang wird nicht auf die LED gelegt, sondern ein weiteres Gatter wie oben als Negator gesteckt, dessen Ausgang dann wieder auf die LED gelegt wird.
Und es funktioniert:
(( 1 ∧ 1 )neg )neg = (1 neg)neg = 0 neg = 1
wenn beite Taster gedrückt werden sollte die LED leuchten!

            A-stabiler Multivibrator
Jetzt werden die Bereiche 1, 2 und 4 gebraucht.
Die Schaltung ist formal nicht komplizierter als die vorhergehende. Der entscheidende Unterschied sind jedoch die Anzahl der Verbindungspunkte an denen 3 Leitungen verbunden werden, es sind 6 Punkte, 4 an den Eingängen und zwei an den Ausgängen. 5 solcher Punkte sind vorhanden, aber einen 6. kann man erzeugen, wenn man bestimmte Bauelemente dieses Bereiches negiert.
Nutzung von Bereich 1. Dazu werden hier alle Brücken entfernt, hier werden nun alle Ausgänge an die vorhandenen LED's geschaltet. Vom Sechser-Steckbereich wird über einen Widerstand die grüne LED angesteuert. Dazu muss aber an der Stelle für die Durchgangsprüfung eine Verbindung gesteckt werden.
Der andere Ausgang geht an den Bereich mit den Widerständen, von hier geht es an einen Eingang und an die rote LED. Man überbrückt die 300Ω und 700Ω, hat somit wieder nur 1KΩ Widerstand für die rote LED.

Viel mehr ist mit dem Steckfeld nicht mehr möglich. Soll es größer werden, sollte man dann doch ein richtiges Steckbrett nutzen, eigentlich geht es ja nur ums Testen von Bauelementen, aber der Aufbau kleiner Schaltungen ist eben auch möglich. Im Folgenden noch ein Beispiel mit einem anderen Schaltkreis:

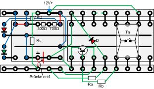
            Timer-IC NE555
Dieser Aufbau zeigt, dass auch andere Bausteine getestet werden können. Mit dem NE555 lassen sich einfach Kippschalungen und Timer aufbauen.
Die dargestellte Schaltung hat 3 Verbindungspunkte, man braucht wieder alle Bereiche des Steckfeldes.
Die Anordnung schwingt etwa mit einer Frequenz von 1Hz
(100μF * 10KΩ = 1*10-4F * 1*104Ω [As/V * Ω = As/V * V/A = s] = 1s.
(in einer Sekunde wird eine Schwingung durchgeführt; Frequnz ist 1/Schwingungsdauer)
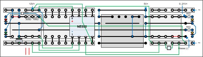
      Die gleiche Schaltung, aber realisiert vorrangig im Bereich 4.
Es werden 3 Verteiler gebraucht, die hier vorhanden sind. Der vierte wird zur Realisierung einer eigenen Anzeige genutzt (könnte auch im Bereich 2 erfolgen).


Praktische Realisierung des Netzteils

      Wie man sehen kann, hat das neue Netzteil gleich ein Gehäuse bekommen und ist etwas größer geworden, auch geschuldet dem größeren Steckfeld und der damit im Zusammenhang stehenden Anordnung der Laborbuchsen, es ist ja auch eine mehr (5V-Buchse; die linke Laborbuchse hat eine etwas andere Form, weist auf den Masse-Pegel hin).
Wie man auch sehen kann, ist das Potentiometer zur Reglung der Spannung auch nach vorne in die Buchsenreihe gerückt.
Der Pultartige Aufbau wurde weiter ausgebaut, so hat man das gesamte Steckfeld ganz vorne, nicht wie beim alten Netzteil zwischen den Laborbuchsen, das gestattet so ein besseres Arbeiten am Steckfeld.

            Im hinteren hohen Teil sind der Trafo und und die Netz-Teil-Teile (12V, 5V, reg.V) untergebracht.
Die Wechselspannung ist zwar auf dem Steckfeld verdrahtet, in der Laborbuchsenanordnung nicht. Es wurden deshalb an der Rückseite zwei Laborbuchsen zur Bereitstellung der Wechselspannung installiert (wird ja eigentlich nicht gebraucht).

     

 

Steckfeld

Der Steckverbinder im Bereich2 hat keine Funktion, er wurde nur zur Aufbewahrung hier gesteckt.

Steckfeld mit Realisierung der Schaltung Timer NE555 (Variante 1)
      Ganz links neben dem Steckfeld gibt es einen Schalter zum Ein- und Ausschalten des gesamten Netzteils.
Daran schließt sich der Taster-Bereich mit den zwei Tastern (sie wurden bewußt in unterschiedlichen Farben gewählt) an.
Im den folgenden Steckbereichen wurden die im Beispiel dargestellten Verbindungen gesteckt, was durchaus nicht sehr übersichtlich ist - aber
es funktioniert.
            Um Verbindungen von direkt benachbarten Buchsen zu erstellen wurde aus alten Dioden Verbindungsstecker erstellt. Dazu wurden einfach die Beine mit einem Draht zusammengelötet. Diese Art der Verbindung ist günstig, da diese "Stecker" auch angefasst werden können.
Die Verdrahtung entspricht genau dem angegebenen Verdrahtungsschema.

      bei diesem ersten Aufbau stellte sich als ungünstig die unmittelbare Nachtbarschaft von Bereich 1 und 2 heraus, man muss zählen, um die richtige Buchse zu finden. Unterstützend wäre da sicher eine unterschiedliche farbliche Markierung der einzelnen Steckfelder - vielleicht so wie links angegeben.
Und es muss auch noch ein Schaltplan des Steckfeldes aufs Netzteil aufgeklebt werden.
     

            Realisierung des Negators mit NAND-Gatter vom IC 4011
Wie vorgesehen wurde der Pull-Down-Widerstand gleich im Taster-Bereich gesteckt.
Taster nicht gedrückt   →   LED leuchtet - Taster gedrückt   →   LED leuchtet nicht!

(es soll an dieser Stelle noch einmal auf die Notwendigkeit der Pull-Down-Widerstände hingewiesen werden, weitere Informationen erhält man dazu unter anderen bei
Digitale Schaltungen - ganz einfach ausprobieren )

            Realisierung NAND-Gatter vom IC 4011
(es wurde wieder das gleiche Gatter wie beim Negator genutzt)
Wie vorgesehen wurden die Pull-Down-Widerstande gleich im Taster-Bereich gesteckt.
nur ein oder kein Taster gedrückt   →   LED leuchtet -
beide Taster gedrückt   →   LED leuchtet nicht!

 

Die AND-Schaltung (oben beschrieben) ist eine Kombination der beiden letzten gesteckten Schaltungen.
Sie wurde zum Test ebenfalls realisiert.
Es sind 3 weitere Steckbrücken notwendig:
Nun funktioniert es so wie erwartet: nur wenn beide Taster gedrückt werden,
      leuchtet die LED
!
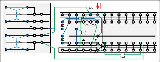
            Realisierung Negator mit Transistor
Die Schaltung entspricht der oben dargestellten, jedoch ist die Realisierung auf dem Steckfeld etwas verändert worden. So wurde der Taster vom System genutzt, als Transistor wird ein alter Si-Transistor SF123D genutzt.
Hat der Basiswiderstand noch lange Anschlssdrähte, kann er natürlich gleich zum Taster gesteckt werden
Es funktioniert wie erwartet - es ist ja der Taster nicht gedrückt - die LED leuchtet

 

            Elko testen
Die Schaltung (ab Taster rechts) wird als "Durchgangsprüfung" geschaltet

 

      Beim Aufladen des Elkos's zeigt die grüne System-LED den Ladestrom an.
Entsprechend der Theorie nimmt er sehr schnell ab, aber die LED leuchtet schwach weiter. Das ist richtig, denn der Strom fließt weiter durch die Test-LED mit etwa 1,1mA. Diese LED ereicht ihre maximale Helligkeit, sie misst quasi die Spannung am ELKO
Wird der Schalter geöffnet, entläd sich der Elko über die Test-LED, was sehr lange dauert bei dem Widerstend von 10KΩ (es dauert etwa 10 x länger als das Aufladen). Das Aufladen geht natürlich viel schneller, da der Widerstand nur 1KΩ beträgt.

 

Schaltungen am konventionellen Steckbrett

            Der Vollständigkeit halber muss man aber auch klarstellen, dass alle gezeigten Lösungen natürlich auch am konventionellen Steckbrett realisiert werden können.
Als Beispiel hier im ersten Bild die Kippschaltung mit dem Timer NE555 und daneben die NAND-Lösung mit dem IC 4011. Beide Aufbauten lassen sich mit dem oben links gezeigten Steckbrett enfach aufbauen.
Bauelemente mit kurzen Anschlussbeinen, wie die Taster und Elko's, bereiten zuweilen Schwierigkeiten, da sie nicht richtig festklemmen und bei Berührung eventuell rausrutschen.
Man muss aber auch feststellen, dass die Schaltungen übersichtlicher sind als auf dem Steckfeld. Das liegt sicher auch an den exakt an die Länge angepassten Steckverbindern.