Modell-Bahn
Elektronik

Reset-Schaltung
Logo Zug


Reset-Schaltung

Die Nutzung der bisherigen Module zeigte, dass das Reset-Signal eine besondere Bearbeitung notwendig macht.

Reset bedeutet in diesem Fall, dass alle Schaltstellen in einen Grundzustand geschaltet werden sollen. Bei Modulen mit vielen Schaltstellen können das schon mal mehr als 16 Stellen sein. Das Problem besteht nun darin, dass der Ausgang des Multiplexers diese Stellen einschließlich Pulldown-Widerstände parallel ansteuern muss, das leistet der Ausgang nicht! Es bedarf eines "Verstärkers".
Beim Modul Kies trat das Problem auf, die Ausgangsspannung vom Decoder brach zusammen und lag unter dem notwendigen Schalt-Pegel, ein reset war nicht mehr möglich! Sicher könnte man die Pull-Down-Widerstände auf eine maximale Größe zu bringen, jedoch ist das nachträgliche Aus- und Einlöten der Widerstände auf der Leiterplatte etwas kritisch.
Als Lösung musste ein "Verstärker" her.

Zwei Varianten boten sich an:

  1. eine Relais-Lösung
  2. eine Schalt-Transistor-Lösung

Relais-Schaltung

Mit dem Ausgang des Multplexers wird nun lediglich ein Transistor mit einem Relais angesteuert, das schafft der Multiplexer problemlos.
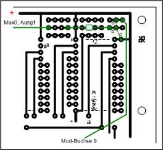
    Eine technische Realisierung ist möglich, da auf der zentralen Leiterplatte (Version3) der Module oben rechts (von der Bestückungsseite aus gesehen) am Platz des Multiplexers i eine Reihe von Lötpunkten angebracht sind, so das hier ein Teil der Schaltung untergebracht werden kann.
Das Relais muss je nach Typ eingepasst werden. Beispielsweise für ein "finder-Relais"
   
könnte es so wie links aussehen (das Relais hat einen Grundriss von etwa 1 x 2cm).
Für die rechten Stifte müssen auf der Leiterplatte neue Löcher gebohrt, der nächste Leiterzug (oben) unterbrochen und eine Verbindung zur oberen Lötreihe geschaffen werden - dann sollte es gehen.

Transistor-Schaltung

Das Weglassen des Relais in der Schaltung geht nicht, denn am Punkt1 wird bei Ansteuerung Masse bereitgestellt. Das entspricht der Eigenart einer Emitter-Schaltung, die das Eingangssignal negiert. Um das Relais einsparen zu können bedarf es einer anderen Schaltung, z.B. einem Emitterfolger oder der Kollektorschaltung:

    Der Kollektor wird direkt mit der +Btriebsspannung verbunden, die zu aktivierende Schaltung befindet sich im Emitterzweig, das sind die Gattereingänge und Pull-Down-Widerstände. Am Punkt2 liegt bei Ansteuerung mit + nun auch etwa +Betriebsspannung, also 1. Bei Nichtansteuerung wird der Emitter-Kollektor-Widerstand sehr groß, so dass entsprechend der Spannungsteilerregel nun am Eingang der Gatter etwa Masse 0 anliegt. Damit das funktioniert darf der Eingangswiderstand nur so groß sein, dass die Spannung den Wert unterschreitet, der vom Gatter als Null erkannt wird (siehe Datenblatt). Also kleine Pull-Down-Widerstände unterstützen diesen Effekt, erhöhen aber den Strom, der Transistor muss etsprechend gewählt werden, jedoch tritt diese Belastung nur kurzzeitig auf. Hier habe ich versucht das Prinzip der Schaltung zu beschreiben.
Diese Variante bietet den Vorteil, dass weiterhin der Multiplexer i genutzt werden kann.

Es gibt noch eine weitere Lösung

Nach der Theorie eignet sich zur Lösung auch ein CMOS-Transmissions-Gate, das wurde noch nicht untersucht und probiert.

       
Mit dem IC 4066 (bzw. CD 4066BE; 4 TG's) könnte die Schaltung so aussehen.
(weitere Beschreibung zu Transmissions-Gate unter NAND)

Es geht relativ einfach auf der vorhandenen ZLP den 4066 einzubauen.
PIN 1 bis 7 kann man auf die vorhandenen Stellen 6 bis 12 setzen, für PIN 8 bis 14 muss man neue Löcher bohren. Lediglich PIN 14 muss an + gelegt werden, was nun nur gelingt, wenn man neben dem PIN ein Loch bohrt und unterhalb der ZLP dann die Verbindung herstellt.
Genutzt werden nur die PIN's 3, 4 und 5 (außer dem - an PIN 7), PIN 3 und 4 sind die "Relais-Kontakte", die Arbeitskontakte, die beliebig getauscht werden können, PIN 5 ist der Steuerkontakt, hier wird das vom Multiplexer kommende Ausgangssignal angelegt, ist es 1, werden PIN 3 und 4 verbunden.
Zu beachten ist jedoch, dass der Schaltkreis auf C-MOS-Basis besteht, der Eingang muss immer einen definierten Wert haben. Das ist natürlich gegeben, da der Ausgang des Multiplexers immer genau einen Wert liefert. Betreibt man das Teil jedoch mit einem Schalter, muss ein Pull-Down-Widerstand an den Eingang gelegt werden, das soll hier auch geschehen, 100KOhm sind gut.

    Gibt es erhöhten Bedarf für diese Lösungen, sollte das Konzept des Einsatz eines anderen Schaltkreises anstelle des Multiplexers i konsequent mit einer weiteren zentralen Leiterplatte fortgesetzt werden.
Es sollten, wie das Bild zeigt, für alle Anschlussstifte Lötaugen vorhanden sein. So könnte ein 24-poliges IC eingesetzt werden (das IC 4066 ist 14-polig). Die Schaltung entspricht der vorhergehenden. Man sollte jedoch die gekennzeichneten Leitungen trennen. Das Konzept der veränderten Leiterplatte ist bereits vorhanden (ZLP V4).