Schlagwort-Liste: Modellbahn - H0 - 1:87 - elektr. Schaltung - Pendelzug-Steuerung - 2 Züge möglich

Modell-Bahn
Elektronische Schaltungen
Pendelzugsteuerung


Pendelzug-Steuerung

Folgendes Prinzip liegt der Pendelzug-Steuerung zugrunde:

Auf den Gleisabschnitten Gl1 und Gl2 steht jeweils ein Triebfahrzeug. Abwechselnt sollen diese über das Gleis Gl zum Abschnitt Gl3 fahren, dort warten, wieder zurück über Gl zum Ausgangsort fahren. Nach einer Wartezeit fährt nun der andere Zug mit gleichem Ablauf.

Die elektrische Steuerung zu diesem Ablauf ist relativ einfach, denn es ist nur eine Steuerung, keine Regelung, d.h. die Position des Zuges hat keinen Einfluss auf die Schalthandlungen. Es wird einfach nur nach einen Zeit, in der der Zug sicher die Strecke von Gl1/2 nach Gl3 und einer Wartezeit die Polung der Fahrspannung umgeschaltet.
Damit der Zug auch in den Gleisabschnitten stehen bleibt, werden diese von der Strecke GL getrennt. Durch Einschalten einer entsprechend gepolten Diode (z.B. 1N4001), ist nur ein Rausfahren aus diesem Abschnitt nach Umpolen der Fahrspannung möglich.

Nachteil dieser einfachen Methode ist, dass der Zug abrupt in den Gleisabschnitten stehen bleibt. Da kann man auch etwas gegen unternehmen, indem ein weiterer Abschnitt jeweils über eine Diode und Widerstand eine reduzierte Fahrspannung erhält.

Das Beispiel zeigt die Veränderung des linken Abschnittes für Ein- und Ausfahrt. Bei der Einfahrt wird der Abschnitt Gl31 über die Diode D2 und den Widerstand R mit Fahrspannung versorgt, dadurch wird die Geschwindigkeit geringer. Gl32 wird nicht versorgt.
Anders dagegen bei der Ausfahrt, nun erhalten beide Abschnitte über die Dioden D1 und D3 Fahrspannung, der Zug kann rausfahren.
Eine andere Variante zeigt das folgende Bild:

Dioden haben die Eigenart, dass sie auch bei Durchlassrichtung selbst einen Spannungsabfall von etwa 0,7V erzeugen, also auch die Ausfahrt erfolgt mit verringerter Spannung. Letzte Schaltung reduziert dementsprechend die Fahrspannung in GL32 um 1,4V, das Anfahren erfolgt nun auch langsam, steigert sich in GL31 und hat dann auf der Strecke die volle Fahrspannung.

Elektronik zur Steuerung

Basis ist eine Elektronik, die entsprechend der Länge der Strecke und der Zuggeschschwindigkeit, einen Polwendeschalter ständig hin und her schaltet.
nimmt man ein Relais als Schalter, so muss dieses ein und ausgeschaltet werden. So eine Aufgabe übernimmt ein a-stabiler Multivibrator. Dafür kann man überall Schaltungen finden, allerdings muss die Kippzeit in einem relativ großen Zeitraum variabel sein (z.B. bis über 3min).
Eine sehr einfache Schaltung dazu ist bei Vilem zu finden, sie wird in der Folge erweitert und ergänzt.

Diese Schaltung reicht bereits aus, wenn man nur einen Zug hin und her fahren lassen will. Die Erweiterung zu der oben genannten Variante, ist nicht schwer. Zunächst einmal das Prinzip-Bild:

    Festlegung:
  • Zug1 steht auf Gl1, Zug2 auf Gl2
  • Zug1 ist ausgewählt
  • Weiche auf Wg
  • Fahrspannung nach links

Ablauf

  • Fall11
    Zug1 fährt über Gl zum Gl3,
    bleibt dort stehen.
  • Fall12
    Die Zeit zum Umschalten der Fahrspannung ist erreicht;
    Umschalten
    Zug1 fährt aus Gl3 über Gl zum Gleis Gl1 und wartet.
  • Fall21
    Die Zeit zum Umschalten der Fahrspannung ist erreicht;
    Umschalten
    Bei dieser Umschaltung soll nun aber die Weiche umgeschaltet werden und die Fahrspannung dem Gl2 zugeordnet werden (Gl1 keine Spannung)
    nun fährt Zug2 nach Gl3 und wartet
  • Fall22
    Zug2 zurück nach Gl2
    Bei der nächsten Umschaltung wird wieder die Weiche geschaltet und Gl1 erhält die Fahrspannung

Das Umschalten der Weiche und das Zuordnen der Fahrspannung zu den Gleisen GL1 und 2 erfolgt immer dann, wenn der Zug nach links fahren soll, diese Aktion erfolgt also nur halb so oft wie das Umschalten der Fahrspannung. Technisch ist das mit einem Teiler zu realisieren. So ein Teiler läßt sich beispielsweise einfach mit einem JK-FlipFlop gestalten. Aus dem Taktdiagramm kann man also ableiten, das der Teiler mit ansteigender Flanke gesteuert wird. Die Flanke nimmt man aus dem Multivibrator für die Fahrspannungsumschaltung.

Als Gag ist vorgesehen, beim Zuordnen der Fahrspannung ein kurzes Signal abzugeben. Dazu wird allerdings eine weitere Schaltung gebraucht, diesmal ein mono-stabiler Multivibrator. Dieser wird durch einen nach 0 gehenden Impuls gesteuert, für eine kurze Zeit kippt er in den anderen Zustand, steuert einen Tongenerator an, kippt wieder zurück und schaltet den Tongenerator aus.
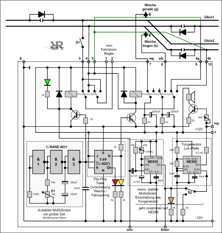
Sehr gut für diese Leistung ist der Timerschaltkreis NE555 bzw. NE556 geeignet. Nun muss man die Pegel entsprechend den Schaltkreisdaten wählen, z.B. braucht der mono-stabile Multivibrator einen negativen Impuls um zu starten, der Tongenerator braucht an einem Eingang eine positive Spannung und die Relais müssen über Transistoren angesteuert werden. Packt man das alles zusammen entsteht folgende Schaltung:

Die Schaltung sieht im ersten Moment groß aus - das täuscht.
In der untersten Reihe befinden sich die Schaltkreise (graue Kästchen) zur Realisierung der Funktionen:

  • Links die drei sind NAND-Gatter mit jeweils zwei Eingängen. Diese Gatter und ein weiteres unbenutztes befinden sich auf einem Schaltkreis, auf einem IC 4011. Die beiden ersten Gatter realisieren einen a-stabile Multivibrator mit großer Taktzeit. Diese kann durch das Potentiometer 1MOhm in weiten Grenzen variiert werden. Das dritte Gatter dient der Auskopplung des Signals, negiert dieses gleichzeitig.
  • Der nächste Kasten ist JK-FlipFlop. Dieser und ebenfalls ein weiterer unbenutzter Schaltkreis befinden sich auf einem Baustein, auf dem IC 4027. Das JK-FlipFlop ist durch Anlegen einer 1 an J und K zum T-FlipFlop geschaltet worden. Dieses hat die Eigenschaft, dass es bei jeder positiven Flanke in den jeweils entgegengesetzten Zustand kippt.
  • Der fünfte Kasten in der Reihe ist der mono-stabile Multivibrator. Er wird durch den Timer-Schaltkreis NE555 realisiert. Er erzeugt einen kurzen 1-Pegel.
  • Der letzte Schaltkreis in der Reihe ist ebenfalls ein Timer NE555. Er ist jedoch so beschaltet, dass ein Tongenerator entsteht, ein a-stabile Multivibrator.

Die letzten beiden Schaltkreise können auch zusammen auf einem Schaltkreis realisiert werden, dem NE556. Da der Schaltkreis nun etwas mehr Beine hat, haben die PIN's andere Belegungen , diese sind in den runden Klammern angegeben. Im Ergebnis kommt man also mit drei Bausteinen aus.
Die LED's sind nicht unbedingt notwendig, können aber sehr gut den Zustand der Anordnung zeigen, es ist nicht ganz einfach, die richtige Kombination der Anschlüsse zu finden.

In der nächst höheren Reihe sind die Relais und die Schaltverstärker angeordnet. Verstärker sind einfache Transistorstufen. Als Transistoren verwende ich aus alten Platinen gewonnene SF12x (x = 6-9), natürlich gehen auch BC 548.
Die Dioden sind Schutzdioden für den Transistor z.B. 1N4148.

  • Der linke Transistor wird vom letzten NAND-Gatter gesteuert. Bei 1 steuert der Transistor durch, der Kollektor liegt auf Masse, das Relais, es dient der Umpolung der Fahrspannung, wird ebenfalls angesteuert.
    Der Spannungssprung auf 0 am Kollektor, wird gleichzeitig als Startimpuls für den mono-stabilen Multivibrator genutzt. Hier ist die Stelle, wo aus einer ansteigenden Flanke ein Spannungssprung nach 0 erzeugt wird, der Transistor fungiert als Negator. Mit dem Kondensator vor dem mono-stabilen Multivibrator und dem Widerstand nach 1 wird nun nur noch ein kurzer Impuls nach 0 erzeugt.
  • Der mittlere Transistor wird durch das JK-FlipFlop gesteuert und aktiviert damit das Relais zum Umschalten der Weiche und der alternativen Versorgung der Gleisabschnitt. Da die relativ großen Ströme beim Schalten der Weiche die Zustände der Elektronik durcheinander bringen können, wurde eine Impulssteuerung aufgebaut. Die beiden Elkos von 2200uF (besser 4700uF (uF soll Mikro-Farad heißen)) werden ständig aufgeladen. Schaltet das Relais um, so entläd sich der jeweilige Kondensator über die Weichenspule.
    In der Darstellung ist der linke Kondensator entladen und es fließt ein Strom von 12V / 1000Ohm = 0,012A dauerhaft durch die Spule. Hat die Weiche eine Endabschaltung, so läd sich der Kondensator bereits wieder auf.
  • Der rechte Transistor dient als Leistungsverstärker für das Pfeif-Signal. Allerdigs geht das auch ohne, wenn in Reihe mit dem Lautsprecher von 8Ohm ein Widerstand von z.B. 0,3 ... 1KOhm geschaltet wird, kann man diese Anordnung dierekt an den Schaltkreis schließen. Selbst einen direkten Anschluß des Lautsprechers verkraftet der Ausgang, der Ausgangswiderstand beträgt 15Ohm - sollte man aber nicht tun!
    Man kann auch noch ein Potentiometer zur Regulierung der Lautstärke einbauen.

Der Test wurde mittels Steckbrett durchgeführt (Bild).
Es sind nur 3 Schaltkreise notwendig (links 4011,
rechts hinten 4027 und rechts vorne NE556).

    Tests mit einer Weiche haben gezeigt, dass diese durchaus mal nicht durch den Impuls umgeschaltet wird. Das hat dann für den Zugbetrieb Folgen, denn der Gleisabschnitt wurde zugeschaltet, es gibt dann beim Befahren der Weiche einen Kurzschluss.
Außerdem kann beim Zuschalten der Betriebsspannung die Weiche und das FlipFlop einen nicht konformen Zustand haben, das führt zu gleichen Problemen.
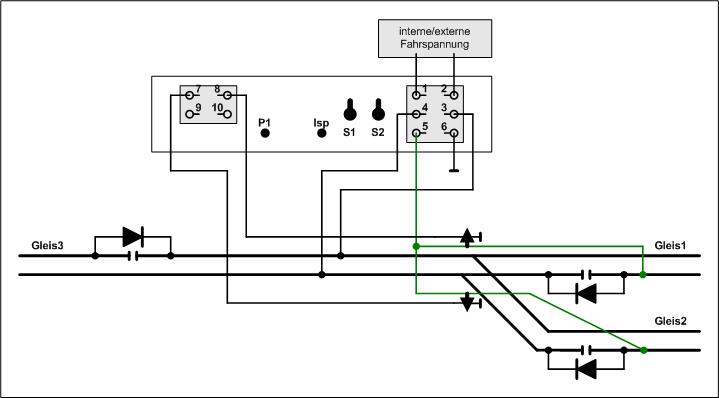
Aus diesem Grund wurde als Alternative das Zuschalten der Gleisabschnitte Gl1 und Gl2 über die Rückmeldekontakte der Weiche vorgenommen. Diese Möglichkeit wird mit den grünen Leitungen dargestellt, die Leitungen von 4g und 4b entfallen dann!
Das entspricht dann in etwa der aus der Modellbahn bekannten Z-Steuerung

Die Schalter S1 und S2 sind nicht unbedingt notwendig, gestatten weitere Handsteuerung.
S1 macht sich günstig beim Einschalten der gesamten Schaltung, da kann es durchaus sein, dass die Kondensatoren zur Weichensteuerung noch nicht aufgeladen sind, dazu kann man die Fahrspannung mit S1 zunächst einmal ausschalten. Wenn dann die Weiche ordnungsgemäß umschaltet, kann auch die Fahrspannung zugeschaltet werden.
Mit S2 kann der Ton ausgeschaltet werden, irgendwann nervt vielleicht das Piepen (zu beachten ist, dass der Eingang (10) nicht offen bleiben darf, er piept sonst dauend, deshalb wird er über einen Widerstand auf 0 gelegt).

Generell muss man aber noch einmal feststellen, für das Hin- und Herfahren eines Zuges auf einem Gleis reicht bereits der aus den 3 NAND's bestehende a-stabile Multivibrator und der Ansteuerung des Relais (siehe auch Vilem) völlig aus.
Will man eine Weiche einbauen braucht man zusätzlich das FlipFlop und die Ansteuerung eines weiteren Relais.
Die beiden letzten Schaltkreise werden nicht gebraucht, außer man will es auch so pfeifen lassen!

Und das ist nun die fertige Schaltung (rechts ==>),

aufgebaut auf dem Rest einer alten
Universalleiterplatte. Sie hat etwa die Größe
9cm x 11cm, wie man sieht, sind da auch schon die
Relais (alte ausgebaute) und die Kondensatoren
aufgebaut. Nun fehlt nur noch ein Gehäuse und
ein Netzteil.

 

Nun kann es losgehen!
   

Bevor alles nun wirklich geht, braucht man noch ein Netzteil. Das ist sehr leicht aufzubauen:

    Die Schaltung besteht aus zwei Teilen.
Im oberen Teil wird mittels Spannungsreglers 7812 für die Versorgung der Schaltung eine Versorgungsspannung von 12V erzeugt.
Im unteren Teil wird einen Fahrspannung erzeugt. Das ist etwas kritisch, denn es wird nur über einen Widerstand die Spannung reduziert, wieviel hängt aber vom verwendeten Fahrzeug ab. Man muss also zwei Fahrzeuge mit etwa gleichem Strombedarf verwenden, wenn man zwei Fahzeuge fahren lassen will. Oder man verwendet einen ordentlichen Fahrspannungsregler, dann funktioniert es besser.
Hier im Beispiel wurde eine Einphasensteuerung verwendet. Die hat den Vorteil, dass die Fahrzeuge recht gut anfahren.

Das Gehäuse für die Steuerung, die Spannungsversorgung und die Fahrspannung wurde aus Sperrholz erstellt. Die Frontplatte hat etwa folgendes Aussehen:

    Die grauen Kästchen stellen Lautsprecherklemmen dar, die Nummern entsprechen denen in der Schaltung. Klemmen 1 und 2 nehmen die Zuführung der Fahrspannung auf, die wurde nicht fest verdrahtet, da sicher unterschiedliche Fahrregler zum Einsatz kommen. Auch die Leitungen des oben beschriebenen internen Reglers werden nach außengeführt.

    Nun kann die Variante Pendelzug mit Weiche einfach gesteckt werden. Für die Versorgung der Gleisabschnitte hinter der Weiche wurde die Variante über die Rückmeldekontakte der Weiche gewählt.

    Natürlich geht auch die Variante ohne Weiche zu schalten!