Modell-Bahn
Elektronik
Master für Bus-Steuerung
Logo Zug


Master zur Steuerung des Modulbus

Master, das soll eine elektronische Schaltung sein, die eine Adresse auf den Bus schalten kann.
Bei der Steuerung unseres Modulsystems bedeutet das, dass mit Betätigung eines Tasters, beispielsweise für ein Signal, die 8 Leitungen des Buses entsprechend der Adresse mit 1 oder 0 lelegt werden müssen.
Hat die Schaltstelle z.B. die Adresse 19, so wird daraus dual 00010011. Das genau ist das Muster wie die Leitungen beschaltet werden müssen, eine 1 bedeutet Betriebsspannung, 0 Masse.
Wir wollen als Beispiel einmal 4 Adressen mit jeweils einem Taster auswählen können. Ohne tiefgründige Überlegungen anzustellen, kann man sich sicher vorstellen, dass nicht einfach irgenwelche Drähte gezogen werden können, hier muss man die Digitaltechnik bemühen.
Immer richtig ist, zunächst einmal die Aufgabe in eine Tabelle zu fassen:

Nun macht man eine "Betrachtung" aus Sicht der Leitungen und stellt fest, wann diese z.B. eine 1 haben (man könnte auch nur nach 0 fragen). Bei unserem Beispiel ist das für die Leitung 1 dann der Fall wenn:
die Adresse 1 oder die Adresse 19 oder die Adresse 31 auf den Bus gelegt wird.
Und genau das ist bereits die Schaltfunktion. Allgemeiner geschrieben:

Ltg1 = Adr1 ODER Adr19 ODER Adr31

Das kann man so auch für die anderen Leitungen aufbereiten, z.B. Leitung 2:

Ltg2 = Adr18 ODER Adr19 ODER Adr31

Das kann sofort in eine logische Schaltung umgesetzt werden:

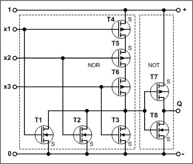
    Heute werden solche Aufgaben mit CMOS-Schaltungen gelöst (Bild links), diese haben einen sehr geringen Energiebedarf und eine sehr variable Betriebsspannung.
Allerdings kann man diese Schaltung nicht auf beliebig viele Eingänge erweitern, somit muss eine Kaskadierung erfolgen (Zusammenschaltung vieler einzelner Schaltungen). Nimmt man einmal an, dass 256 Adressen auftreten, dann könnten 128 Einsen auf der Leitung 1 auftreten. Eine Oder-Schaltung mit 128 Eingängen ist in dieser Art nicht ganz einfach.

Schaut man einmal in die Entwicklung logischen Bauelemente, findet man in den Anfängen DTL-Schaltungen (Dioden-Transistor-Logik). Die Logik wird mit den Dioden realisiert ( siehe auch NAND's ). In unserem Fall könnte man folgende Anordnung finden:

    Der extreme Fall tritt immer auf, wenn an den Eingängen unterschiedliche Pegel anliegen, z.B. Adr.1 = 1, Adr.19 und 31 = 0. In dieser Darstellung sieht man, dass es keinen Kurzschluss gibt, die obere Diode ist leitend (geringer Widerstand), die beiden unteren sperren (großer Widerstand), es kommt also 1 heraus. Diese Variante kann also erheblich Bauelemente einsparen.
Allerdings gibt es auch einen Nachteil, jede Diode erzeugt selbst einen Spannungsabfall von etwa 0,6V, das sollte verschmerzbar sein. Aber werden viele Dioden parallel geschaltet, verringert sich auch der Sperrwiderstand.

Damit können wir nun eine relativ einfache Schaltung zur Realisierung von Mastern aufbauen.

Das Ganze funktioniert sehr gut, denn wird z.B. die "Reset-Taste" betätigt, wird eine 1 auf die Leitung 1 gelegt. Die Dioden auf die Leitung 1 der Adressen 19 und 31 sind für diesen Fall in Sperrrichtung geschaltet. Das ist sehr gut, denn anderenfalls würde nun diese 1 sonst auch auf den Leitungen 2, 3, 4 und 5 geschaltet werden, das wird verhindert.

Ein anderes Problem ist zu klären. Die Decoder, die natürlich ständig die 8 Leitungen des Bus abfragen, funktionieren exakt entsprechend einer AND-Funktion. Der Decoder ermittelt z.B. die Adresse 19 (00010011) genau dann wenn gilt:

Adr.19 = 1 = NOT(Ltg8) AND NOT(Ltg7) AND NOT(Ltg6) AND Ltg5 AND NOT(Ltg4) AND NOT(Ltg3) AND Ltg2 AND Ltg1

Mit den Leitungen 5, 2 und 1 ist alles ok, was aber passiert mit den anderen Leitungen? Damit die Funktion erfüllt werden kann, muss eine 0 auf die Leitungen geschaltet werden. Das ist mit Dioden schwer möglich, dann würde unser System wieder durcheinander kommen. Die einfachste Lösung sind "Pull-Down-Widerstände". Jede Leitung wird erst einmal mit einem Widerstand (hochohmig) auf 0 gelegt. Da die Diode einen wesentlich kleineren Widerstand hat, fällt die Betriebsspannung koplett über den Widerstand ab, auf der Leitung liegt eine 1. Die Widerstände sind links angeordnet, nun bekommen die Dekoder ein exaktes Signal!

Das sollte man bei CMOS-Schaltkreisen (auch bei anderen) immer beachten, dass ein offener Eingang undefiniert ist und das Ergebnis fehlerhaft sein kann.
Die Decoder sind auch CMOS-Schaltkreise!

 

Probleme bei der Realisierung des Masters und deren Behebung

Der Fehler bestand darin, dass die Lampenschaltung der Adressen 5 und 6 unzuverlässig arbeiten. Es wurde zunächst auf Störsignale auf dem Leitungssystem getippt. Das Einfügen von Kondensatoren brachte keine Verbesserung.
Bei der Inbetriebnahme des "Grundmoduls Tunnel" traten wieder die Probleme auf.

Bei genauem Hinschauen konnte man feststellen, dass bei der Nutzung der Testschaltung diese Probleme nicht auftraten, hingegen bei der Nutzung des allgemeinen Steuermoduls, auch wenn beide Teile direkt hintereinander steckten, der Fehler auch auf dem neuen Modul auftrat. Das deutet auf einen Fehler in dem zentralen Steuerteil hin. Die Adressanzeige-Dioden zeigten beide die richtige Adresse!

 

Beim linken Bild wird die Adresse am Testmodul, rechts am "zentralen Modul" ausgelöst, beide zeigen die gleiche Adresse!

Eigentlich unmöglich!

Nun genauer analysiert ergab sich, wenn das Licht Adr.6 eingeschaltet war und man schaltet nun das Bahnlicht Adr.5 ein, dann ging dieses Licht z.T. an, das andere aber wieder aus. Und noch genauer passierte das manchmal beim Drücken des Tasters, manchmal aber erst beim Loslassen.
Eigentlich kann das nur passieren wenn bei der Adr.5 beim Betätigen des Tasters die Busleitung 22 ausfällt - wie soll das aber gehen, wenn beide Leitungen durch den gleichen Taster angesteuert werden?
Der Fehler kann nun nur noch an den Dioden liegen - die Erklärung wäre, dass die Dioden unterschiedlich schnell den gewünschten Pegel annehmen. Jedoch sind mir Gleichlaufprobleme bei Dioden nicht bekannt.
Bevor nun alles verworfen wurde, wurde erst einmal gemessen. Es stellte sich heraus, dass bei gleicher angelegter Spannung, unterschiedliche Werte heraus kamen. Die Diode (Leitung 22) wurde ausgebaut und der Widerstand gemessen, in Durchlassrichtung war er kleiner als bei anderen Dioden, in Sperrichtung war er nicht Null. Da es sich um alte ausgebaute Dioden handelt wurde bisher immer mit einer Glühlampe in Sperr- und Durchlassrichtung getestet, diese Diode funktionierte eigentlich exakt, nur die Widerstandsmessung brachte heraus, dass sie wohl doch defekt ist!

    So wurden bisher die Dioden gemessen.
Die Diode brachte die richtige Reaktion, man kann jedoch eben nicht sehen, ob die Lampe gleich hell ist und bei kleinen Strömen leuchtet sie eben auch nicht.

    So wurde dann zum weiteren Test gemessen.
Der Widerstand wird so bemessen, dass, nimmt man einen Draht als Diode, das Meßgerät maximalen Ausschlag anzeigt. Vergleichsmessungen mit anderen Dioden zeigen dann den Unterschied.

Die Multiplexer erhielten so wohl doch (beim Übergang von 0 nach 1) zu unterschiedlichen Zeiten eine 1.
In der Zukunft werde ich mit Dioden immer beide Test's durchführen und möglichst Dioden mit gleicher Charakteristik verwenden!