Modell-Bahn
Grundmodul Abzweigung/Pferdehof
Elektrik Fahrsteuerung


   

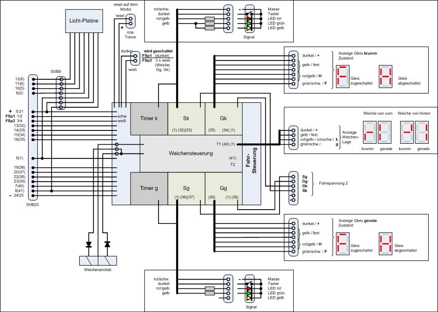
Das Übersichtsbild zeigt die einzelnen Blöcke zur Steuerung.
Die Weichensteuerung, die Signalsteuerung und die Abschaltung der Gleise soll im folgenden beschrieben werden.

Gg Sg W Sk Gk Ueb

Steuerung der Weiche

    Die Steuerung der Weiche erfolgt vom Bus über die Adressen 40 (krumm), 41 (gerade) und über die Reset-Adr.1, die die Weiche auf krumm stellt. Weiterhin gibt es zwei Steuersignale, die durch die Taster an den Signalen erzeugt werden.
Die Steuersignale ändern den Zustand eines nachfolgenden RS-Latch. Vom Ausgang des Latch wird mittels Transistor ein Relais gesteuert.
Der verwendete Weichenantrieb

wird nicht direkt, sondern über eine Entladung größerer Kondensatoren angesteuert. Der Antrieb arbeitet so sehr zuverlässig und, ich hoffe, er erzeugt so weniger Störungen auf dem Bus.
In der dargestellten Situation wird der rechte Kondensator aufgeladen. Schaltet das Relais um, so entläd sich dieser über den Weichenantrieb und der linke Kondensator wird über den relativ großen Widerstand von 1KΩ aufgeladen usw.
4027 Relais
    Probleme ergeben sich, wenn man die Grundrichtung des Weichenantriebes ändern muss, es hilft nicht, die Dioden zu tauschen oder gar den Antrib zu öffnen und innen alles umzubauen. Das geht natürlich, denn schließlich wird der Antriebsmotor nur mit zwei Leitungen angesteuert. Meine Erfahrung ist, dass es mit den internen Um- und Endlagenschaltern dann Probleme gibt. Da das nur dünne Metallstereifen sind, schwindet die Zuverlässigkeit des Antriebes - besser nicht aufmachen!
Ohne Eingriff geht es, wenn einfach die Belegung des Relais getauscht wird. Es müssen aber nicht nur die Kondensatoren gedreht werden, sondern auch alle Anschlüsse (siehe linkes Bild).

(weitere Ansteuerungen des Antriebes kann man unter Weichensteuerung finden)

Eine Anzeige der Weichenstellung mittels Weichenlaterne wurde bereits am Modul "Kieswerk" vorgestellt, jetzt soll einmal ein anderer, nicht vorbildgerechter Weg, gegangen werden.

    Da in meiner Bastelkiste noch einige kleine 7-Segmet-Anzeigebausteine vorhanden sind, sollten die nun verbaut werden (links das Original, rechts symbolisch).

        1.Bild - Weiche gerade; 2.Bild - Weiche nach rechts bzw. Anzeige von der anderen Seite, 3.Bild - von gerade kommend; 4.Bild - von links kommend.
Oben im Bild zur Weichesteuerung wurde das Bauelement bereits integriert. Es braucht jeweils nur ein Balken angesteuert zu werden, der Balken unten links (von vorne, 5.Bild), oben rechts (von hinten, 6.Bild) bleibt immer angesteuert. Die Zuordnung der Balken zu Q und Qn muss noch ermittelt werden, kann also so auch falsch sein (tauschen).
Als Zeichen für die Einfahrt von der krummen Seite wäre auch möglich, der symbolische Kreis.

    Die Ansteuerung der Balken der Anzeige erfolgt ähnlich wie bei LED's, alle haben einen gemeinsamen + Anschluss, die einzelnen Balken werden, wie das Bild zeigt, über einen 1KΩ Widerstand an - angeschlossen. Das Bild zeigt gleichfalls die Bezeichnung der Balken. Es gibt als 8.Segment noch einen Dezimalpunkt, den man auch nutzen kann. Die Zahlen numerieren die Anschlussstifte des genutzten Bauelementes (das Bauelementes hat die Bezeichnung TDSG 3150 bzw. TDSG 3150-L oder TDSG 3150-M (die Buchstaben kennzeichnen die Farbe)).

Probleme mit der Anzeige der Weichenlage

Die Steuerung der Weiche funktionierte wie vorgesehen. Jedoch mit Hinzufügen der Anzeige gab es Funktionsprobleme.

    Die zunächst entworfene Schaltung (Ausschnitt) entspricht der notwendigen Logik. Ist die Weiche auf krumm gestellt erscheint am Q-Ausgang des FF eine 0, die nun zugleich für die Ansteuerung von Balken g der Anzeige genutzt werden soll.
Das funktioniert auch, jedoch wird nun über diese Anzeige ein positiver Spannungswert zur Ansteuerung des Transistors bereitstellt, die dann so groß ist, das der Transistor immer durchgesteuert ist, das Relais schaltet nicht mehr!

    Es bleibt nur übrig den Q-negierten Ausgang zu nutzen. Der zeigt nun aber leider eine 1 (0 wird gebraucht). Das Signal muss also negiert werden. Dafür gibt es auch ein Bauelement, der Platz ist aber nicht mehr auf der Leiterplatte vorhanden.
Man kann für diese Aufgabe aber auch einen einfachen Transistor nutzen, das erledigt der untere Transistor - nun funktioniert alles exakt (es sollte auch ohne den Widerstand von 1,6KΩ gehen)!
(weitere Informationen bei Digitale Schaltungen - ganz einfach ausprobieren)

Zu- und Abschaltung der Gleisabschnitte

    Die Schaltung ist aus anderen Modulen bekannt.
Das Zu- und Abschalten der Fahrspannung erfolgt über ein Relais. Der Zustand, ob an- oder abgeschaltet ist, wird in einem RS-Latch gespeichert. Die Signale zur Steuerung des Zustandes kommen vom Bus-System (gerades Gleis: Adr.34, 35; krummes Gleis: 38, 39; Reset: Adr.1).
Neu ist, die Steuerung von einem weiteren Taster auf dem Modul (auf dem Signal). Es soll dabei so verfahren werden, dass der Gleisabschnitt nur für die mit dem Taster angeforderte Fahrt zugeschaltet wird, danach aber wieder in den alten Zustand zurück fällt. Das bedeutet, dass der Zustand des RS-Latch nicht geändert werden darf, das Relais aber trotzdem umschalten soll. Das funktioniert nur, wenn der Transistor mit 1 angesteuert wird.
Nun gibt es ein Problem!
Der Ausgang am FF ist 0, der Taster legt eine 1 auf die gleiche Leitung! Es gibt einen Kurzschluss in dessen Folge sicher das FF zerstört wird. Das ist eine generelle Regel der Digitaltechnik:
Nie Ausgänge von digitalen Bauelementen zusammen schalten!!!
Das geht nur mit einer logischen Verknüpfung, z.B. einem UND oder ODER-Bauelement. In diesem Fall ist ODER notwendig, wenn ein oder beide Signale 1 sind kommt 1 heraus.

Eine einfache Lösung gibt es, wie bereits dargestellt, mit Dioden (siehe Master für Bus-Steuerung).

    Das Bild zeigt noch einmal die Situation, der Zug steht, also wird am Ausgang Q des RS-Latch eine 0 ausgegeben, vom Taster muss eine 1 kommen. Die Frage ist nun, welches Ausgangssignal stellt sich ein?

    In dieser Darstellung wird es deutlicher. Eine 1 entspricht + der Betriebsspannung, 0 dem -. Die Dioden liegen beide in Reihe, wobei D1 in Durchlassrichtung und D2 in Sperrichtung liegt. Da der Widerstandswert einer Diode in Durchlassrichtung gegen 0 geht, der in Sperrrichtung gegen , gibt es keinen Kurzschluss. Nach Spannungsteilerregel stellt sich, da es über D1 keinen Spannungabfall gibt, an der Anzapfungsstelle auch die Betriebsspannung ein.
Soweit die Theorie dazu.
Praktisch haben die Dioden in Durchlassrichtung einen "Eigenbedarf" von etwa 0,6 Volt, so dass die Spannung schon einmal um diesen Wert geringer wird. Und in Sperrrichtung ist der Widerstandswert auch nicht ∞, also stellen sich andere Verhältnisse ein, aber der Spannungswert ist ausreichend (etwa +0,7V sind sind zur Ansteuerung des Transistors notwendig), so dass der Transistor sicher das Relais schaltet.

Da es gut wäre zu sehen, in welchem Zustand sich der jeweilige Gleisabschnitt befindet, wäre eine Anzeige gut.

        Hier sollen nun wieder die schon genannten 7-Segment-Anzeigen zum Einsatz kommen.
Denkbar wäre für zugeschaltem Gleis also "Fahrt" (1.Bild) und so "Halt", für abgeschaltetem Gleis (2.Bild).
Ständig angesteuert bleiben die Balken "e, f und g" (3.Bild), für "F" wird zusätzlich der Balken "a" und für "H" die Balken "b und c" angesteuert (4.Bild Schema Ansteuerung).

Signalsteuerung

Das Prinzip der Signalsteuerung unterscheidet sich kaum von der Gleissteuerung. Ein RS-FF speichert den Zustand des Signals und steuert mit dem Ausgang Q über ein Relais ein Lichtsignal und die Fahrspannungsversorgung des Signal-Gleises. Die Signale zur Steuerung des Zustandes kommen vom Bus-System (gerades Gleis: Adr.32, 33; krummes Gleis: 36, 37; Reset: Adr.1). Dieser Abschnitt wird auch wieder mit einem Taster zusätzlich gesteuert, deshalb die Dioden zur Steuerung des Transistors.
Anders verhält es sich mit der Fahrspannung, die wird nicht der allgemeinen Spannung entnommen sondern vom vorhergehenden Gleisabschnitt. Ist der abgeschaltet, bekommt der Gleisabschnitt am Signal auch keine Fahrspannung.

    Das wesentlich Neue in diesem Teil ist der Taster.
Der Taster löst einen Timer aus, der eine 1 über eine festgelegte Zeit zur Verfügung stellt. Die 1 wird zur Signal-, zur Gleis- und zur Weichensteuerung genutzt.
Die LED's sind fest mit - verbunden, es wird + geschaltet. Das ist lediglich der Tatsache geschuldet, dass der Taster nach - schalten muss und deshalb der Signalkörper auf - gelegt wird, somit auch die LED's, das spart Leitungen durch den Signalmast.

Timer         Als Timerschaltung wird eine bereits auf anderen Modulen genutzte Schaltung eingesetzt, z.B. beim Feuerwehreinsatz auf dem Grundmodul Tunnel (ohne Relais) und bei der Pendelzugsteuerung.

Noch eine Bemerkung
zur Signalsteuerung
        Sollten vom Relais beide Umschalter gebraucht werden, nutzt man zur Signalsteuerung diese Schaltung. Sie entspricht im groben der Signalsteuerung auf dem Kindgerechten Bahnhof. Dort wurde mit einem Taster die Umschaltung wahrgenommen, hier erledigt das ein Transistor.
Wird der Transistor nicht angesteuert hat er einen sehr großen Widerstand (Schalter offen). Über den 220Ω Widerstand wird nun die grüne LED nahezu überbrückt, es leuchtet nur die rote LED. Ist der Transistor durchgesteuert, legt er - auf die Mitte, die rote LED wird überbrückt und es leuchtet die grüne LED. Allerdings fällt nun über den Widerstand 220Ω auch die gesamte Spannung ab, er wird etwas warm,
denn nimm man an, dass der Transistor den Widerstand 0Ω hat, dann fließt durch den Widerstand ein Strom von
I = U/R = 12V / 220Ω = 65mA. Das muss der Transistor aushalten (Kolektor-Strom Ic, z.B. BC 546 ...548 100mA) und für die Leistung des Widerstands ergibt sich P = U * I = 12V * 0,065A = 0,78W, wenn man sicher gehen will, sollte er mit 1W belastbar sein.

Lichtsignal
Lichtsignale werden gebraucht.
Diese sollen wie beim Kindgerechten Bahnhof. auch einen Taster zum Schalten erhalten. Flügelsignale sind dafür ungeeignet, es können nur Lichtsignale sein, aber sie sollten etwas modellgerechter als die vom kindgerechten Bahnhof aussehen - also auch ein Selbstbau.

Das Signalbild zeigt auf dem geraden Gleis "Fahrt mit Höchstgeschwindigkeit", als ein grünes Licht, und auf dem krummen Gleis "Fahrt mit reduzierter Geschwindigkeit", also grün über gelb. Beide müssen natürlich auch "Halt", ein rotes Licht, anzeigen. Es werden also maximal drei LED's gebraucht. Beide Signale sollen gleich aussehen.

    Entsprechend dem Bild wurde das Signal aus Messingblech gebogen. Die Löcher für die LED's und den Mast, alle sind 3mm im ∅, werden zuvor gebohrt. Damit die LED's Halt bekommen, wird aus 3mm dicker Plastik ein entsprechendes Stück erstellt, was dann in das Signal eingepasst wird. Der Mast wird von unten eingelötet. Für den Taster werden oben im Abstand von etwa 7,5mm etwa 1,5mm große Löcher gebohrt in denen dann der Taster mit zwei Beinen eingelötet wird. Die anderen beiden Beine stehen über den Rand und sind somit vom Signalkörper isoliert.
Hinten wird dann noch quasi als Geländer ein Draht angelötet
Natürlich kann man auch 1mm∅ LED's verwenden, dann kann das Plasikteil entfallen und die LED's werden eingeleimt.

    Als Blech wurde 0,5mm dickes Messingblech verwendet (geschuldet der Tatsache, dass ein Schalter aufs Signal soll), das ist für die Größe des Signals recht stabil, läßt sich noch, zwar schwer, mit der Zange biegen. Man kann den Signalkörper auch aus Weißblech (aus Konservendosenblech) herstellen, das ist leichter, könnte aber beim Bohren etwas schwieriger werden.
Die Sonnenblenden über den Lichtern wurde aus Pappe erstellt und mit Sekundenkleber am Signal angeleimt.

        Verdrahtung des Signals
Da der Mast (Signalkörper) als - benutzt werden soll, müssen noch 4 Leitungen durch den Mast gezogen werden (der Draht muss schon ganz schön dünn sein, denn innen im Mast stehen nur noch etwa 2mm∅ zur Verfügung).
Der - Pol der LED's wird jeweils nach unten gebogen und jeweils miteinander verlötet, der unterste dann mit dem Mast.
Am + Pol (langes Bein) wird zunächster ein Draht angelötet und dann erst das Bein gekürzt (ist noch Kühlung bem Löten).
Ob man die Widerstände (1KΩ) nun sofort an die Leitungen lötet oder diese auf der Schaltung hat, bleibt jedem selbst überlassen. Da hier aber immer grün und gelb zusammen leuchtet, kann man so eine Leitung sparen.

Ein etwa solches Signal kostet bei "Conrad" etwa 16,50€ (Bausatz 7,49€).
Das teuerste beim Selbstbau sind die LED's. Nimmt man dafür etwa 1,50€ an, kann man ein Signal für etwas mehr als 2€ erstellen.
Zum Spielen für Kinder ist die Genauigkeit völlig ausreichend!

Übersichtsplan Fahrsteuerung

   
LStg ZLP Sk Gk Anschl Weiche Weiche Lage Weiche ZLP Sg Gg Signal Signal Zustand Gleis Zustand Gleis

Reset auf dem Modul

Flip-Flop's haben die Eigenart, dass es beim Einschalten nicht festgelegt ist, welchen Zustand sie einnehmen. Deshalb ist es notwendig, ein "General-Reset" auf dem Modulsystem vorzusehen, das funktioniert über die Adresse 1.
Will man auch auf dem Modul (nur auf dem Modul) ein Reset auslösen, muss man auf den R-Eingang jedes Moduls über eine Diode zusätzlich eine 1 legen. Da man aber überall schon diesen Eingang hat, könnte man diesen nutzen.

        Das linke Bild zeigt, dass auf die Leitung vom Decoder einfach der Schalter auf dem Modul zugeschaltet wird!?
- was passiert - der Decoder bekommt auf den Ausgang Betriebsspannung, das mag er nicht und entweicht in die ewigen Jagdgründe der IC's.
Nur die bekannte Variante vom rechten Bild geht! Das bedeutet aber eine nochmalige Reduzierung der Steuerspannung um 0,6V, also nun schon 1,2V. Keine Reduzierung der Spannung hat man hingegen, wenn man einen ODER-IC verwendet.

Anschluss der Fahrspannung auf dem Modul

    Das Bild zeigt symbolisch den Anschluss der Fahrspannung.
Grundsätzlich wird nur die rechte Schiene der Gleise unterbrochen. Das war bisher ausreichend, da ja die ganzen Moduln immer über beide Schienen voneinander getrennt sind.
Die Fahrspannung wird an der Weiche an beide Schienen gelegt. Die linke Schiene wird aus Sicherheitsgründen nach den Signalunterbrechungen noch einmal angeschlossen (ist nicht unbedingt notwendig, da die Weiche die Spannung für dieses Gleis durchstellt).
Durchfahrt an den gesperrten Signalen
Üblicherweise läßt sich das einfach mit Dioden (hier Dk und Dg) lösen. Das funktioniert in diesem Fall nur bedingt. Da die Signalabschnitte der Gleise nur Spannung erhalten, wenn auch die abschaltbaren Gleise Spannung haben, funktioniert die Durchfahrt im abgeschalteten Fall nicht. Nur wenn das Gleis Spannung hat, ist die Durchfahrt am gesperrten Signal möglich. Bezieht man den abschaltbaren Gleisabschnitt in den Signalabschnitt mit ein, dann würde es funktionieren, dann kann man aber auch keinen Zug hier abstellen, er könnte möglicherweise den Abschnitt bei entsprechender Polung der Fahrspannung rückwärts verlassen.
Ein Kompromiss ist hier immer nötig!
Hat das linke Gleis + (rechts -) ist die Fahrtrichtung zur Weiche, der Zug muss am Signal halten. Wenn das Signal halt zeigt gibt es kein - am rechten Gleis von Sg da die Diode sperrt (an der Anode liegt -). Anders dagegen verhält es sich für die andere Fahrtrichtung. An der Anode der Diode liegt +, damit kann der Zug in Richtung Gg weiter fahren. Das funktioniert aber nur wenn Gg zugeschaltet ist.

Technische Realisierung der Fahrsteuerung

Die Schaltungen sollen auf der auf der für diese Zwecke erarbeiteten Schaltelemente Leiterplatte aufgebaut werden.
Der obere Teil der Platte soll für die Steuerung des Gleisabschnittes und des Signals krumm verwendet werden, der untere für gerade. Der mittlere Teil, Platz für T-FF, soll für die Weichensteuerung einschließlich Relais umfunktioniert werden. Auf den beiden Universalstellen für IC's sollen die Timer aufgebaut werden.
Das könnte dann so aussehen:

   

    Der Aufbau sieht immer noch etwas wild aus, ist aber gegenüber der Universalleiterplatte doch schon wesentlich besser. Das Problem sind die längeren Verbindungen auf der Leiterplatte, z.B. vom Timer zu den 3 Steuerungen, die Anzeigeelemente und die Steuerung der Fahrspannung. Diese sind nicht als Leiterbahnen vorgesehen, müssen also als Draht gezogen werden. Universell nutzbare Leiterplatten haben immer so ein Problem.
Der grüne Elko und der rechts daneben stehende (alte Teile deshalb unterschiedlich) sind für die Weiche zuständig. Bisherige Test's haben gezeigt, dass diese Ansteuerung der Weiche sehr zuverlässig funktioniert und bisher auch keine Störungen erzeugt hat. Probleme gibt es nur beim Einschalten der Anlage, da müssen erst einmal die Elkos aufgeladen werden.

Was noch fehlt, sind die Dioden an den Signalen (Durchfahrt in entgegengesetzter Richtung). Dafür wurden jeweils 2 Steckbuchsen eingelötet, so dass ohne Löten die richtige Polung ausprobiert werden kann!

Von der Platte zur Fahrsteuerung gehen natürlich eine Menge Leitungen ab. Das sind zum einen Steuerleitungen für die Platte aber auch zum anderen Leitungen zu Anzeigeelementen. Alle Leitungen enden auf Steckbuchsen, die Anschlußdrähte der Elemente auf dem Modul werden direkt in die Buchsen gesteckt (kein Löten erforderlich).
Um hier nicht den Überblick zu verlieren, wurde ein Übersichtsplan mit Links zu den entsprechenden Teilen erstellt.