Modell-Bahn
Bhf Kindgerecht

Elektrik - Modul
Logo Zug


 

Einbeziehung des Bhf-Kind ins Modul-System

Ein kleiner (Kinder-)leicht bedienbare Bahnhof , der eigentlich nur als Teil einer "Teppichbahn" genutzt werden soll, soll nun auch von der Steuerung her ins Modulsystem eingepaßt werden.

Wie bereits angedeutet, ist das recht einfach zu realisieren, indem einfach zu den Tastern auf der Bahnhofsplatte vom System gesteuerte Relais-Kontakte parallel geschaltet werden.

Na ja, ganz so einfach ist es denn nun auch wieder nicht, man muss schon die Konzeption vom System einhalten.

Zuerst einmal schaut man, welche Adressen sind noch nicht vergeben.
(Es wurde schon einmal eine Liste angefertigt: Daten Modulelektronik ).
Das macht sich gut, da für das Modul "Kies" nur die Adressen bis 25 vergeben sind. Auf dem Multiplexer sind also noch die Adressen 26 bis 31 frei, wir brauchen 5, also nur die Adressen 26 bis 30.
Das ermitteln der Adressen bis zur Realisierung der Schalthandlung unterliegt einem festen Konzept (entsprechend der Modul-Elektronik):

    Man kann die Realisierung grob in 3 Teile unterteilen:
  • zentrale Systemleiterplatte (ZLP) zur Ermittlung der Adressen
  • elektronische Schaltung zur Realisierung der Schalthandlungen
  • Anwendung auf der Bahnplatte
Das Ermitteln der Adressen wird, da es nahezu immer gleich ist, auf einer "standardisierten" Leiterplatte vorgenommen. Das Ergebnis sind entsprechend der Adressen Leitungen, die bei Auswahl eine 1 bereitstellen.
Da die Leistung des Dekoders nicht ausreicht ein Relais zu betreiben (und auch zur Entkopplung) wird eine weitere Leiterplatte genutzt, auf der nun die Umsetzung der 1 in eine notwendige Schalthandlung erfolgt. Das kann eine Relaissteuerung, aber auch eine Ansteuerung von Flip-Flop's sein usw.
Der dritte Teil erfolgt auf der Bahn-Platte. Zumeist sind das nur Steckverbindungen, Lötstützpunkte und Leitungen.

ZLP-Decoder

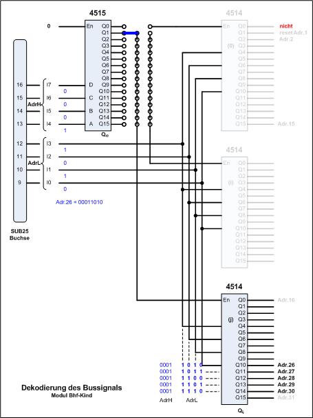
    Auf der zentralen Leiterplatte ZLP ist der Platz für 4 Multiplexer 1 aus 16 vorgesehen. Fest vorgegeben ist jedoch nur der Platz für den Multiplexer-1. Dieser decodiert den oberen Teil (AdrH) des 8-Bit-Busses. Da die Adressen 26 bis 30 für den oberen Teil das Bitmuster 0001 haben, wird nur der Ausgang Q1 aktiviert. Reset ist für die Platte nicht notwendig, Licht wird direkt auf der Platte geschaltet, somit wird der Multiplexer0 nicht benötigt.
Auf welchem Platz nun der Multiplexer1 gesetzt wird, ist egal, es muss nur eine Verbindung vom Ausgang Q1 der Mux-1 auf den "Enable"-Eingang En des Mux1 geschaltet werden.
Wird die Adresse 25 (00011001)ausgewählt, dann landet diese natürlich auch auf diesem Mux, der Ausgang ist aber nicht beschaltet, er wird nicht ausgewertet, das geschieht auf einer anderen ZLP die nun wieder diese Signale nicht auswertet. Prinzipiell ist es aber möglich, an verschiedenen Stellen die gleiche Adresse auszuwerten, z.B. das Licht wird so ausgewertet.

ZLP-allgemein

    Das Bild zeigt die Gestaltung der ZLP. Wie bereits oben zu sehen ist, ist diese Platte nicht nur für die Dekodierung zuständig, sondern stellt weitere Versorgungsspannungen und Fahrspannungen zur Verfügung. Das sind fast nur entsprechende Leitungsverbindungen.
Der Mux-1 befindet sich oben links, danach Mux0 und Muxi. Der Muxj befindet sich unten rechts. Weiterhin gibt es Platz für 2 SUB25-Buchsen, 2 Schalter und ein Steckelement. Platz i ist außerdem für eventuell notwendige weitere Schaltungen vorgesehen.
Die SUB25-Buchse oben links ist der Systembus, die Lötösen danach dienen dem Einlöten des System-Kabels mit Stecker zur Weiterführung des Busses.
Die untere SUB25-Buchse dient der Weiterführung der ermittelten Signale und Spannungen auf die Modulsteuerung (Modul-Buchse).
Die hellblauen Leitungen sind die Verbindung der Mux-1(Q1) zur Mux1(En). Die dunkellila Leitungen führen von den Ausgängen der Mux1 zur Modul-Buchse.
Zu beachten ist, dass die Ausgänge des Mux sehr wild durcheinander angeordnet sind, bei Muxj gibt es Bezeichnungen!
Die Leiterplatte wird von der Bauelementeseite dargestellt.

Geschuldet der Tatsache, dass ein Übergangskabel von SUB25 (Stecker) zu SUB9 (Buchse) vorhanden war, was an dieser Stelle sehr gut nutzbar ist, denn es werden ja nur 9 Leitungen gebraucht, musste die übliche Zuordnung der Leitungen geändert werden. Da es ohnehin nicht passrecht war, wurde etwas nach den Farben der Leitungen geordnet. Die Nr. der Leitungen sind auf dem Übersichtsbild und der Schaltelemente-Platte angegeben. (Bild Leitungen)
Ein Problem gibt es auf der ZLP, die Verrbindung der Leitungen 3 und 4 an der Modul-Buchse (nicht an der Bus-Buchse) muss getrennt werden!

    Man kann nun recht gut den realen Aufbau der ZLP mit der Leiterplatte vergleichen, es sollte übereinstimmen. Es fehlt nur noch das 25 adrige Kabel mit SUB25-Stecker, die 25 Löcher zum Einlöten sind oben links neben der Buchse zu sehen.
Was auffällt ist, das wenige Bauelemente vorhanden sind. Der obere Mux-1 gibt nur ein Signal heraus. Man ist geneigt zu sagen, dass man die 1 nun gleich auf den Enable-Eingang vom Muxj legen kann - das ist falsch, man muss die Funktion erfüllen:

das geht nicht mit einem Draht.
Man kann das auch mit einer logischen Schaltung etwa so erfüllen:

Ob das dann einfacher ist, ist zu bezweifeln, dann doch einfach nur den Mux-1!

Schaltelemente

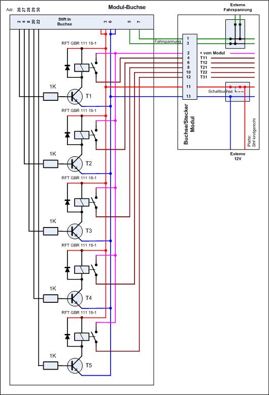
    Die Schaltung besteht aus 5 einfachen Schaltungen zur Ansteuerung eines Relais.
Über die SUB25-Buchse erhält man über die Leitungen 2, 4, 8, 20 und 22 die Signale (0 oder 1) der Adressen 26, 27, 28, 29 und 30.
Die Relais schalten jeweils die + Spannung der Bahnplatte auf einen Taster. Die Spannung von der Bahnplatte zu benutzen ist sinnvoll, da auch eine Trennung der + Spannung vom Modulsystem und Bahnplatte möglich ist.
Die Ausgänge der Schaltung (Relaiskontakte) werden zusammen mit der Versorgungsspannung und Fahrspannung wieder über ein Stecker/Buchsenpaar der Bahnplatte zur Verfügung gestellt.
Die Schaltung wurde auf einer Universalleiterplatte aufgebaut:

Als Relais wurden alte GBR's verwendet, auch die Transistoren und Dioden sind alt. Mit "finder"-Relais gibt es auch eine Leiterplatte (es sind nur 2 Relaissteuerungen komplett dargestellt).
Die Leiterplatten werden von der Bauelementeseite dargestellt.
Es gibt auch eine standardisierte Universalleiterplatte für den Aufbau der Schaltelemente, das sieht bestückt so aus, die Platte ist aber wenig ausgenutzt, so dass eine Universalleiterplatte dann doch ausreichend ist!.

    Der reale Aufbau der Schaltelementeplatte entspricht den Vorstellungen, unten kommt das Steuerkabel (muss noch befestigt werden) von der ZLP, oben gehen die Kabel zur Bahnhofsplatte.

Bahnplatte

Auf der Bahnplatte werden die Verbindungen zu den Tastern mittels Leitungen geschaffen ( neue Verdrahtung auf der Bahnhofsplatte; die gestrichelten Linien sind die neuen Verbindungen). Die Verbindung zwischen der Schaltelemente-Platte und der Bahnplatte erfolgt durch Stecker und Buchse (beliebig, muss nicht SUB25 sein). Das eine Teil wird fest auf der Bahnplatte installiert.
Neben den 5 bzw. 6 Leitungen zum Schalten der Taster wird auch die Fahrspannung und die 12V Versorgungsspannung durchgestellt. Bei der Fahrspannung soll es erlaubt sein, auch mit der Fahrspannung der Bahnhofsplatte alle weiteren angeschlossenen Module zu versorgen. Deshalb wurde die vom Modulsystem kommende Fahrspannung nur über einen Stecker mit der Bahnhofsplatte verbunden. An einer weiteren parallel geschalteten Buchse wird die externe Fahrspannung gesteckt, das erlaubt nun alle Kombinationen (externe Fahrspannung für Bahnhofplatte oder fürs Modulsystem oder für beide und umgekehrt!)
    Anders bei der Versorgungsspannung, wird diese extern auf die Bahnhofsplatte gesteckt, dann soll diese von den weiteren Modulen getrennt werden, deswegen eine Schaltbuchse nach dem Steckersystem auf der Bahnhofsplatte.
Das Bild zeigt die Verbindung von Stecker und Buchse. Es soll + geschaltet werden, dazu muss jedoch + außen am Stecker liegen! Beim Einführen des Steckers wird die ankommende + Leitung (von rechts) vom Ausgang + (nach oben) getrennt und das Steccker + an den Ausgang gelegt! Von rechts kommt also das + vom Modul-System.

Testaufbau

Es wurden zum Test alle Baugruppen zusammengesteckt.
Unten in der Mitte etwa liegt die ZLP. Das Buskabel ist angelötet und der Stecker ist mit dem Testteil zum Testen der Kodierung verbunden. Oben von der ZLP geht das Kabel zur Schaltelemente-Platte ab, diese liegt rechts neben der ZLP und von dort gibt es dann die Verbindung zur Bahnhofsplatte.
Die ZLP und die Schaltelemente werden zugleich auch von der Spannung der Testplatte versorgt. In der Bahnhofsplatte steckt links neben der Steckverbindung der Relais ein Stecker (schwarzer Stecker, rotes Kabel) für die Stromversorgung, sie ist damit von der Testplatte getrennt.
Auf der Testplatte ist die Adresse 28 (00011100) eingestellt (Schalter 3, 4 und 5 (von rechts) sind nach vorn gestellt), das bedeutet, dass der Taster am Signal 21 (Signal ganz links) bei Betätigung des grünen Tasters auf der Testplatte aktiviert wird (die Adresse wird angezeigt, das Signal zeigt grün, das Stellwerk wird von innen blau beleuchtet).

Ergebnis: "Es funktioniert alles wie geplant!"

Steuermodul Bahnplatte

An dieser Stelle soll nun sogleich auch ein Steuermodul zur Einbindung der Bahnhofsplatte ins Modulsystem entworfen werden. Allgemein gibt es zu den Steuermodulen eine spezielle Seite " Steuerung Bahn ".

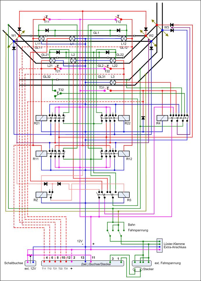
Die symbolische Darstellung des Bahnhofs wird einfach weiter stielisiert,
es entsteht ein an ein Gleisbild erinnerndes Bedienpult (rechts).
Es besitzt 5 Taster an den Stellen, an denen die Signale auf der
Platte stehen.

Eigentlich wird durch diese Anordnung nichts weiter erreicht, als dass die Taster des Steuermoduls zu denen der Bahnhofsplatte parallel geschaltet werden. Dazwischen steht jedoch ein größerer Aufwand an Elektronik - kann man doch gleich einfach Strippen dahin ziehen!
-
Der Vorteil dem gegenüber ist aber, dass das Bahnhofsmodul an beliebiger Stelle ins Modulsystem einer Anlage eingeordnet werden kann und weiterhin steuerbar ist. Und darüber hinaus kann auch die Steuerung an beliebiger Stelle ins System eingeordnet werden! Beide können auch wegbleiben, das Modulsystem funktioniert dennoch!


    Elektronisch ist nun nur für die entsprechnde Adresse jeweils eine 1 auf die notwendigen Busleitungen zu legen, also
Adresse: 26 = 0001 1010 , auf Leitung 10, 12 und 13 ist mit Betätigung des Tasters T11 (für T11) jeweils eine 1 (Betriebsspannung) zu legen. Zur Entkopplung (besser, als ODER aus Sicht der Leitung) müssen Dioden verwendet werden.
Links ist das als Schaltung zu sehen. In gleicher Weise werden auch die anderen Adressen bearbeitet. Das funktioniert, da zentral alle Leitungen mit Pulldown-Widerstände auf 0 gezogen werden, somit sind die nicht beschalteten Leitungen 0.


    Wie in der allgeinen Darstellung beschrieben, wird die Schaltung auf einer Universalleiterplatte untergebracht, die dann an den entsprechenden Leitungen mit der ModulBuchse und Stecker zu verbinden ist. Alle anderen Leitungen werden als Draht von Stecker zur Buchse direkt durchgezogen.

So sieht das fertig erstellte Steuermodul aus. Im rechten Bild ist die Verdrahtung sichtbar, der Bus wurde komplett durchgeführt, die Diodenmatrix wurde entsprechend der Vorlage auf eine Universalleiterplatte gelötet (rechts). Drei Leiterbahnen wurden mehr verwendet, um diese Platte auch befestigen zu können (M3 Schraube).

Das Bild zeigt die Zusammenschaltung des Bahnhofsmoduls mit dem Steuermodul.
In der Mitte sieht man die Testplatte. Die wird gebraucht, da sie gleichzeitig neben der Bussteuerung auch die Betriebsspannung bereitstellt. Rechts von der Testplatte ist der Aufbau wie bisher. Links an der Testplatte gibt es auch noch einen Busstecker, auf den wurde einfach das Steuermodul für den Bahnhof gesteckt und anschließend das zentrale Steuermodul. Das wird eigentlich nicht gebraucht, es sollte nur auch die Adresse anzeigen.
Es wurde der Taster T12 auf dem Steuermodul betätigt. T12 hat die Adresse 27 (00011011). Alles funktioniert richtig - die grünen LED's auf dem zentralen Steuermodul zeigen, wie auch auf der Testplatte, diese Adresse an, das Sigmal an Gleis Gl12 (vor dem Stellwerk) zeigt grün und der Innenraum vom Stellwerk ist rot beleuchtet. Wo das Steuermodul steckt, ist völlig beliebig!

Nun muss die ZLP und die Relaisplatte nur noch am Unterrahmen der Bahnhofsplatte befestigt werden

    An den Rahmen wurde von unten eine Sperrholzplatte geschraubt und darauf dann die ZLP und die Schaltelemente-Platte.
Die Platinen werden nur über das zentrale Bus-System versorgt (Kabel mit Stecker) und von der Schaltelemente-Platine führt ein Kabel zur Bahnhofsplatte.

    Das Bild zeigt noch einmal die Steuerelemente, schön in Reihe:
  • die zentrale Anzeige
  • die Steuerung des Bahnhofmoduls
  • eine 12V Spannungsversorgung für das Busssystem
  • und die schon bekannte Testplatine
Über den Teilen gibt es dann noch eine extra 12V Spannungsversorgung für die Bahnhofplatte.

    Und nun noch einmal die Zusammenschaltung der Bahnhofsplatte mit einem dem Viertelmodul Bahnübergang. Mechanisch und elektrisch funktioniert es!
Aus der Perspektive sieht man nun auch, da der Übergang der Bahnhofsplatte zum Modulsystem auf die Ecke gelegt wurde, passt jedes Modul (aus dem Modulsystem) an die Bahnhofsplatte bzw. die Bahnhofsplatte kann an jedes Modul angekoppelt werden!
Ein Problem zeigte sich mit den zu T-Flip-Flop umfunktionierten 4027, die Variante ist unzuverlässig, hier wird es eine andere Lösung geben.



fertig!